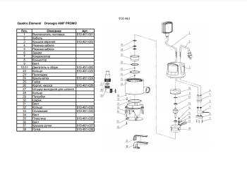
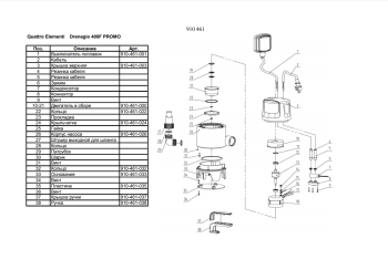
Насос дренажный QUATTRO ELEMENTI Drenaggio 400 F Promo (385 Вт, 6800 л/ч, для грязной, 4 м) (910-461) (Дренажные насосы для грязной воды). Санкт-Петербург
- Дренажные насосы
- ОптСнабТорг, ООО
- 2 990 руб.
- Купить
Компания QUATTRO ELEMENTI выпускает широкий ассортимент оборудования, которое предназначено исключительно для перекачивания только чистой воды. Однако в модельном ряду можно обнаружить дренажный насос QUATTRO ELEMENTI Drenaggio 400 F Promo, который справится даже с грязной водой. Постоянные паводки или внезапно затопило подвал, тогда присмотритесь к ТТХ данного насоса:
Производительность 6800 л/час;
4-метровая высота подачи воды;
Малый вес;
Агрегат мощностью 0.385кВт.
В отличие от моделей Acquatico, дренажный насос QUATTRO ELEMENTI Drenaggio 400 F Promo спокойно перекачивает относительно грязную воду. Диаметр частичек грязи должен быть в пределах 5 миллиметров, иначе стоит присмотреться к другому оборудованию. Для работы в автоматическом режиме, насос оснастили проверенным выключателем поплавкового типа. Можно не переживать, что насос выйдет из строя из-за работы в холостую, выключатель обязательно сделает свое дело.
Устанавливать дренажный насос QUATTRO ELEMENTI Drenaggio 400 F Promo требуется на специально обустроенном основании, которое не будет завалено мусором и песком. Данное оборудование подключается к обычной сетевой розетке, напряжением в 220 Вольт. Как и другая подобная техника, дренажный насос QUATTRO ELEMENTI Drenaggio 400 F Promo плохо переживает перепады напряжения.
Допустимый диаметр твердых частиц - 35 мм
Тип - дренажный для грязной воды
Вид - погружной
Производительность - 113 л/мин
Конструкция - центробежный
Мощность - 385 Вт
Высота подъема - 4 м
Глубина погружения - 2 м
Трубное соединение - внутренняя G1 1/2 дюйм
Материал корпуса - пластик
Забор воды - нижний
Защита от сухого хода - поплавковый выключатель
Мах температура жидкости - 30 °С
Остаточный уровень воды - 50 мм
Соединитель в комплекте - внешняя G1; елочка 1 1/4; елочка 1
Длина кабеля - 5 м
Габариты без упаковки - 295х125 мм
Вес нетто - 3.7 кг
Серия - Drenaggio
Напряжение - 220 В
Класс защиты - IPX8
Давление - 0.5 атм
Производительность 6800 л/час;
4-метровая высота подачи воды;
Малый вес;
Агрегат мощностью 0.385кВт.
В отличие от моделей Acquatico, дренажный насос QUATTRO ELEMENTI Drenaggio 400 F Promo спокойно перекачивает относительно грязную воду. Диаметр частичек грязи должен быть в пределах 5 миллиметров, иначе стоит присмотреться к другому оборудованию. Для работы в автоматическом режиме, насос оснастили проверенным выключателем поплавкового типа. Можно не переживать, что насос выйдет из строя из-за работы в холостую, выключатель обязательно сделает свое дело.
Устанавливать дренажный насос QUATTRO ELEMENTI Drenaggio 400 F Promo требуется на специально обустроенном основании, которое не будет завалено мусором и песком. Данное оборудование подключается к обычной сетевой розетке, напряжением в 220 Вольт. Как и другая подобная техника, дренажный насос QUATTRO ELEMENTI Drenaggio 400 F Promo плохо переживает перепады напряжения.
Допустимый диаметр твердых частиц - 35 мм
Тип - дренажный для грязной воды
Вид - погружной
Производительность - 113 л/мин
Конструкция - центробежный
Мощность - 385 Вт
Высота подъема - 4 м
Глубина погружения - 2 м
Трубное соединение - внутренняя G1 1/2 дюйм
Материал корпуса - пластик
Забор воды - нижний
Защита от сухого хода - поплавковый выключатель
Мах температура жидкости - 30 °С
Остаточный уровень воды - 50 мм
Соединитель в комплекте - внешняя G1; елочка 1 1/4; елочка 1
Длина кабеля - 5 м
Габариты без упаковки - 295х125 мм
Вес нетто - 3.7 кг
Серия - Drenaggio
Напряжение - 220 В
Класс защиты - IPX8
Давление - 0.5 атм
Контактные данные
| Город: | Санкт-Петербург, Санкт-Петербург |
| Адрес: | 192289, г.Санкт-Петербург |
| Метро: | Купчино |
| Телефон: | 8-921-744-85-01 |
| Адрес сайта: | http://www.optsnabtorg.ru |
| Контактное лицо: | Александр |
| Открыть на Яндекс.Картах | |
Похожие товары и услуги
Похожие товары и услуги



