ГОСТ 11042-90
ГОСТ 11042-90
УДК 693.2:621.972:006 .354 Группа Ж36
ГОСУДАРСТВЕННЫЙ СТАНДАРТ СОЮЗА ССР
Молотки стальные строительные
Технические условия
Construction steel hammers.
Specifications
ОКП 48 3322
Дата введения 1992-01-01
ИНФОРМАЦИОННЫЕ ДАННЫЕ
1. РАЗРАБОТАН И ВНЕСЕН Министерством строительного, дорожного и коммунального машиностроения СССР
РАЗРАБОТЧИКИ
Б.Г. Толков, А.А. Гоппен, А.И. Полунин, В.Б. Игумнов, Н.М. Лысенко
2. УТВЕРЖДЕН И ВВЕДЕН В ДЕЙСТВИЕ Постановлением Государственного строительного комитета СССР от 06.07.90 № 59
3. Срок проверки - 1996 г.
4. ВЗАМЕН ГОСТ 11042-83
5. ССЫЛОЧНЫЕ И НОРМАТИВНО-ТЕХНИЧЕСКИЕ ДОКУМЕНТЫ
|
Обозначение НТД, на который дана ссылка
|
Номер пункта |
|
ГОСТ 9.032-74 |
1.2.19 |
|
ГОСТ 9.104-79 |
1.2.19 |
|
ГОСТ 9.302-88 |
3.6 |
|
ГОСТ 9.303-84 |
1.2.17 |
|
ГОСТ 9.306-85 |
1.2.17 |
|
ГОСТ 166-89 |
3.2 |
|
ГОСТ 190-78 |
1.2.18 |
|
ГОСТ 380-88 |
1.3 |
|
ГОСТ 977-88 |
1.2.2, 1.3 |
|
ГОСТ 1050-88 |
1.3 |
|
ГОСТ 1435-90 |
1.3 |
|
ГОСТ 2695-83 |
1.2.9, 1.3 |
|
ГОСТ 2789-73 |
1.2.8 |
|
ГОСТ 3882-74 |
1.3 |
|
ГОСТ 4543-71 |
1.3 |
|
ГОСТ 4976-83 |
1.2.18 |
|
ГОСТ 7505-89 |
1.2.18 |
|
ГОСТ 7931-76 |
1.1.3 |
|
ГОСТ 8479-70 |
1.2.1 |
|
ГОСТ 9012-59 |
3.3 |
|
ГОСТ 9013-59 |
3.3 |
|
ГОСТ 13837-79 |
3.7 |
|
ГОСТ 14192-77 |
1.5.3 |
|
ГОСТ 15150-69 |
1.2.17, 4.2 |
|
ГОСТ 16588-91 |
3.5 |
|
ГОСТ 18088-83 |
1.5.1, 1.5.2 |
|
ГОСТ 19248-90 |
1.2.6 |
|
ГОСТ 19300-86 |
3.9 |
|
ГОСТ 23170-78 |
1.5.1 |
|
ГОСТ 24447-80 |
3.5 |
|
ГОСТ 25347-82 |
1.1.3 |
|
ГОСТ 26645-85 |
1.1.3 |
6. ПЕРЕИЗДАНИЕ. Ноябрь 1993 г.
Внесены Поправки (ИУС №3, № 5 1992 г.)
Настоящий стандарт распространяется на стальные строительные молотки (далее - молотки), применяемые при производстве столярных, плотничных, каменных, штукатурных, паркетных, кровельных, шиферных, плиточных, арматурных, монтажных работ.
1. Технические требования
1.1. Основные размеры
1.1.1. Молотки должны изготовляться в соответствии с требованиями настоящего стандарта по рабочим чертежам и образцам-эталонам, утвержденным в установленном порядке.
1.1.2. Молотки в зависимости от назначения должны изготовляться следующих типов, указанных в табл.1.
1.1.3. Основные размеры и масса молотков должны соответствовать указанным на черт.1-24 и в табл.2, 3.
По согласованию с потребителем допускается изготовлять молотки типоразмеров МПЛ-4 и МШТ-3 габаритным размером (300 ± 5) мм.
Предельные отклонения размеров корпусов молотков, получаемые методом механической обработки, должны быть не ниже 16-го квалитета по ГОСТ 25347. Допуски на свободные размеры поковки принимают по 2-му классу ГОСТ 7505. Допуски размеров и массы отливок должны соответствовать II классу точности, а допуски на механическую обработку - 2-му ряду по ГОСТ 26645.
1.1.4. Варианты исполнения клиньев для молотков должны соответствовать указанным на черт.25, 26 и в табл.7, 8 приложения 1.
1.1.5. Варианты исполнения всадов и их размеры приведены на черт.27-36 и в табл.9 приложения 2.
Таблица 1
|
Тип
|
Наименование |
Назначение |
|
МСТ
|
Молоток столярный
|
Для забивания гвоздей и выполнения других операций при производстве столярных работ |
|
МПЛ |
Молоток плотничный |
Для забивания и выдергивания гвоздей при производстве плотничных работ |
|
МКИ |
Молоток-кирочка |
Для околки и тески кирпича и керамических стеновых камней при производстве каменных и других работ |
|
МШТ |
Молоток штукатурный |
Для выполнения вспомогательных операций при производстве штукатурных работ |
|
МПА |
Молоток паркетный |
Для сплачивания паркетных досок, наборного, штучного паркета при производстве паркетных работ |
|
МКР |
Молоток кровельный |
Для загиба, уплотнения и выравнивания фальцев при производстве кровельных работ |
|
МШИ |
Молоток шиферный |
Для пробивки отверстий в шифере и забивки шиферных гвоздей при устройстве асбестоцементных кровель |
|
МПЛИ |
Молоток плиточный |
Для околки и подтески кромок керамических плиток, а также для пробивки отверстий (исполнение 1) |
|
МША |
Молоток шанцевый |
Для выполнения ударных операций при монтажных и арматурных работах |
|
МКУ |
Молоток-кулачок |
Для околки, осаживания и расшебенки бутового, булыжного камня и брусчатки при выполнении каменных, дорожных и других работ |
1.1.6. Условное обозначение молотков при заказе должно состоять из названия молотка, обозначения типа или типоразмера, исполнения (при наличии) и обозначения настоящего стандарта.
Пример условного обозначения молотка типа МПЛ исполнения 2:
Молоток плотничный МПЛ-2 ГОСТ 11042-90
Молотки столярные типа МСТ

_________
* Размеры для справок.
1 - корпус; 2 - ручка; 3 - клин
Черт.1
1.2. Характеристики (свойства)
1.2.1. Заготовки корпусов молотков, изготовленные методом ковки, должны соответствовать требованиям, предъявляемым к поковкам Гр. II.143...207 НВ по ГОСТ 8479.
1.2.2. Заготовки корпусов молотков, изготовленные методом литья, должны соответствовать требованиям, предъявленным к отливкам I группы по ГОСТ 977.
1.2.3. Корпуса молотков должны быть термически обработаны в соответствии с требованиями, указанными в табл.4.
Таблица 2
Размеры в мм
|
Типоразмер молотка |
L ± 5 |
H |
H1 * |
A |
R* |
Масса, кг, не более |
|
МСТ-1 |
280 |
95 |
43 |
19 |
190 |
0,25 |
|
МСТ-2 |
300 |
112 |
52 |
25 |
225 |
0,50 |
|
МСТ-3 |
300 |
120 |
54 |
30 |
250 |
0,80 |
|
МСТ-4 |
340 |
125 |
58 |
35 |
265 |
1,10 |
1.2.4. Корпуса молотков не должны иметь расслоений, трещин, закатов, плен, волосовин, песочин, выкрошенных мест, усадочных раковин и пористости.
1.2.5. Стыки оковок должны соединяться внахлестку электродуговой сваркой сплошным швом. Расположение сварного шва не регламентируется.
1.2.6. Соединение вставки с корпусом молотка типоразмера МПЛИ-3 выполняют при помощи медно-цинкового припоя по ГОСТ 19248.
Молотки плотничные
Тип МПЛ
Исполнение 1

Масса - не более 0,80 кг
_______
* Размеры для справок.
1 - корпус; 2 - ручка; 3 - клин
Черт.2
Таблица 3
Размеры в мм
|
Типоразмер |
L ± 5 |
H |
H1 * |
Масса, кг, не более |
|
МКР-1 |
300 |
118 |
50 |
0,60 |
|
МКР-2 |
340 |
160 |
7 |
0,75 |
1.2.7. Допуск соосности всада относительно плоскости симметрии корпуса молотка не должен быть более:
0,3 мм -для корпуса молотка массой до 0,2 кг;
0,5 мм " " " " от 0,2 до 1,0 кг;
1,0 мм " " " " св. 1,0 кг и молотков типоразмеров МКИ-1, МКИ-3, МШТ-3, МПЛ-4.
(Измененная редакция, Поправка 1992)
1.2.8. Параметры шероховатости поверхностей по ГОСТ 2789 не должны быть более:
Ra 3,2 мкм - для торцевых поверхностей бойка и носка наружных поверхностей гвоздодерной части;
Rz 40 мкм - для наружных поверхностей корпусов молотков, изготовленных из проката, или поверхностей, подвергаемых механической обработке;
Rz 320 мкм - для наружных поверхностей корпусов молотков, не подвергаемых механической обработке.
1.2.9. Деревянные ручки не должны иметь трещин, гнили, прорости и червоточин.
Допускается не более двух сросшихся здоровых сучков диаметром не более 5 мм на расстоянии 2/3 длины ручки со стороны свободного конца.
На ручках плиточных молотков сучки не допускаются.
Остальные пороки древесины не должны превышать норм, установленных для пиломатериалов 1-го сорта по ГОСТ 2695.
1.2.10. Влажность деревянных ручек перед насадкой не должна быть более 12%.
1.2.11. Наружная поверхность рукоятки не должна иметь наплывов, раковин, пузырей, вмятин и облоя.
1.2.12. Выступ конца ручки от корпуса молотка, за исключением молотков типоразмеров МПЛ-4, МКИ-1, МКИ-3, МШТ-3, не должен быть более 2 мм.
1.2.13. Деревянные ручки в сборе с корпусом, за исключением молотков типоразмеров МПЛ-4, МКИ-1, МКИ-3, МШТ-3, должны быть расклинены.
Трещины от расклинивания на ручках за пределами всада не допускаются.
1.2.14. Рукоятка должна быть плотно насажена на стержень.
Прокручивание рукоятки относительно стержня при ударе не допускается.
1.2.15. Соединение корпуса молотка с ручкой или стержнем должно выдерживать стягивающее усилие не менее:
490 Н (50 кгс) - для молотков массой до 0,2 кг;
980 Н (110 кгс) " " " от 0,2 кг до 1,0 кг;
1470 Н (150 кгс) " " " св. 1,0 кг.
Исполнение 2
(Остальное -см. исполнение 1)

Масса - не более 1,0 кг
________
* Размеры для справок.
1 - корпус; 2 - кольцо; 3 - стержень; 4 - рукоятка
Черт.3
Таблица 4
|
Тип молотка |
Наименование обрабатываемого участка |
Твердость HRCэ |
Глубина термической обработки торца, мм |
|
Молотки всех типов
|
Боек |
44...57 |
5-10 |
|
МСТ, МПА, МКР, МПЛИ
|
Носок |
44...57 |
5-10 |
|
МКИ |
" |
44...57 |
15-20
|
|
МПЛ, МШТ, МШМ |
Гвоздодерная часть |
37...44 |
Вся длина гвоздодерной части |
Исполнение 3

Масса - не более 0,50 кг
_______
* Размеры для справок.
1 - корпус; 2 - ручка; 3 - клин
Черт.4
Исполнение 4

Масса - не более 0,90 кг
________
* Размеры для справок.
1 - корпус; 2 - ручка
Черт.5
1.2.16. Бойки молотков при ударе по стальной плите, а также гвоздодерная часть плотничных, штукатурных и шиферных молотков при выдергивании гвоздей не должны изменять геометрическую форму, выкрашиваться; не должны образовываться трещины, изломы и сколы.
1.2.17. Корпуса молотков, кольца, оковки и стержни должны иметь защитное покрытие по ГОСТ 9.306. Выбор покрытия - по ГОСТ 9.303 для группы условий эксплуатации 3 по ГОСТ 15150.
Допускается применять лакокрасочное покрытие.
1.2.18. Ручки должны быть окрашены эмалями ярких тонов или покрыты лаком по ГОСТ 4976.
Допускается ручки пропитывать олифой по ГОСТ 7931 или ГОСТ 190.
Молотки-кирочки
Тип МКИ
Исполнение 1

Масса - не более 0,70 кг
_______
* Размеры для справок.
1 - корпус; 2 - ручка
Черт.6
(Измененная редакция, Поправка 1992)
1.2.19. Лакокрасочные покрытия должны соответствовать классу V по ГОСТ 9.032 и условиям эксплуатации У1 по ГОСТ 9.104.
(Измененная редакция, Поправка 1992)
1.2.20. Поверхность торца бойка молотков всех типов и носка молотков типов МСТ, МКР и МПА должны быть осветлены механическим способом.
1.3. Требования к сырью и материалам
Детали молотков должны быть изготовлены из материалов, указанных в табл.5.
1.4. Маркировка
На поверхности каждого молотка (за исключением бойка) должны быть нанесены:
- товарный знак предприятия-изготовителя;
- тип или типоразмер;
- цена (при изготовлении молотка для розничной продажи).
Примечание. Способы нанесения маркировки должны обеспечивать ее сохранность в течение всего срока службы молотка.
Исполнение 2
(Остальное см. исполнение 1)

Масса - не более 1,00 кг
1 - корпус; 2 - кольцо; 3 - стержень; 4 - рукоятка
Черт.7
Исполнение 3

Масса - не более 0,60 кг
_______
* Размеры для справок.
1 - корпус; 2 - ручка
Черт.8
(Измененная редакция, Поправка 1992)
1.5. Упаковка
1.5.1. Упаковка молотков - по ГОСТ 18088 или ГОСТ 23170 по категории КУ-1.
По согласованию с потребителем допускается другая упаковка, обеспечивающая сохранность молотков от механических повреждений и воздействия влаги во время транспортирования и хранения.
Молотки штукатурные
Тип МШТ
Исполнение 1

Масса - не более 0,70 кг
_______
* Размеры для справок.
1 - корпус; 2 - ручка; 3 - клин
Черт.9
Исполнение 2
(Остальное - см. исполнение 1)

Масса - не более 1,00 кг
1 - корпус; 2 - кольцо; 3 - стержень; 4 - рукоятка
Черт.10
Таблица 5
|
Наименование детали |
Материал |
|
Корпус |
Сталь марки 40Х по ГОСТ 4543, сталь марок У7 или У8 по ГОСТ 1435, сталь марок 45, 50 или 60 по ГОСТ 1050 и сталь марок 45Л или 50Л по ГОСТ 977 |
|
Ручка |
Пиломатериалы твердых лиственных пород по ГОСТ 2695 |
|
Клин, оковка, кольцо |
Сталь любой марки по ГОСТ 380 или ГОСТ1050 |
|
Вставка |
Твердый сплав ВК8, ВК15 по ГОСТ 3882 |
|
Стержень |
Сталь любой марки по ГОСТ 1050 |
|
Рукоятка |
Резина по технической документации, ут- вержденной в установленном порядке |
Исполнение 3

Масса - не более 0,75 кг
________
* Размеры для справок.
1 - корпус; 2 - ручка
Черт.11
Молоток паркетный
Тип МПА

Масса - не более 0,70 кг
______
* Размеры для справок.
1 - корпус; 2 - ручка; 3 - клин
Черт.12
1.5.2. В транспортную тару должен быть вложен упаковочный лист по ГОСТ 18088.
1.5.3. Маркировка транспортной тары - по ГОСТ 14192.
Молотки кровельные
Тип МКР

_______
* Размер для справок.
1 - корпус; 2 - оковка; 3 - ручка; 4 - клин
Черт.13
Типоразмер МКР-3

Масса - не более 1,50 кг
________
* Размер для справок.
1 - корпус; 2 - оковка; 3 - ручка; 4 - клин
Черт.14
2. Приемка
2.1. Молотки должны быть приняты техническим контролем предприятия-изготовителя.
2.2. Для проверки соответствия молотков требованиям настоящего стандарта предприятие-изготовитель должно проводить приемосдаточные испытания.
2.3. Приемку и поставку молотков производят партиями.
Размер партии устанавливают соглашением сторон. Партия должна состоять из молотков одного типа или типоразмера, изготовленных из одних и тех же материалов, обработанных по одному технологическому процессу и одновременно предъявляемых к приемке по одному документу.
Молотки шиферные
Тип МШИ

Масса - не более 0,70 кг
_______
* Размеры для справок.
1 - корпус; 2 - ручка; 3 - клин
Черт.15
Исполнение 2
(Остальное - см. исполнение 1)

Масса - не более 1,00 кг
1 - корпус; 2 - кольцо; 3 - стержень; 4 - рукоятка
Черт.16
Молотки плиточные
Тип МПЛИ
Исполнение 1

Масса - не более 0,09 кг
________________
* Размер для справок
1 - корпус; 2 - ручка; 3 - клин
Черт.17
Исполнение 2
(Остальное -см. исполнение 1)

Масса - не более 0,10 кг
__________
* Размер для справок
1 - корпус; 2 - ручка; 3 - клин
Черт.18
Исполнение 3
(Остальное -см. исполнение 1)

Масса - не более 0,09 кг
1 - корпус; 2 - вставка; 3 - ручка; 4 - клин
Черт.19
Молотки шанцевые
Тип МША
Исполнение 1

Масса - не более 2,20 кг
_______
* Размеры для справок.
1 - корпус; 2 - ручка; 3 - клин
Черт.20
Исполнение 2
(Остальное -см. исполнение 1)

Масса - не более 2,50 кг
1 - корпус; 2 - кольцо; 3 - стержень; 4 - рукоятка
Черт. 21
2.4. При проверке молотков на соответствие требованиям пп.1.1.1 (в части соответствия образцам-эталонам), 1.1.3, 1.2.2, 1.2.4-1.2.9, 1.2.11-1.2.13, 1.2.17-1.2.20, 1.4 применяют двухступенчатый контроль, для чего от партии отбирают молотки в выборку в соответствии с табл.6.
Таблица 6
|
Объем партии молотков, шт. |
Ступень контроля |
Объем одной выборки молотков, шт. |
Объем двух выборок мо- лотков, шт. |
Приемочное число |
Браковочное число |
|
51-90 |
Первая Вторая |
8 |
16
|
0 1 |
2 2 |
|
91-150
|
Первая Вторая |
13 |
26
|
0 3 |
3 4 |
|
151-280
|
Первая Вторая |
20 |
40
|
1 4 |
4 5 |
|
281-500
|
Первая Вторая |
32 |
64 |
2 6 |
5 7 |
|
501-1200 |
Первая Вторая |
50 |
100 |
3 8 |
7 9 |
Исполнение 3

Масса - не более 2,30 кг
_______
* Размер для справок.
1 - корпус; 2 - ручка; 3 - клин
Черт.22
(Измененная редакция, Поправка 1992)
Молотки-кулачки
Тип МКУ
Исполнение 1

Масса - не более 2,20 кг
______
* Размеры для справок.
1 - корпус; 2 - ручка; 3 - клин
Черт.23
Исполнение 2
(Остальное -см. исполнение 1)

Масса - не более 2,30 кг
1 - корпус; 2 - кольцо; 3 - стержень; 4 - рукоятка
Черт.24
2.5. Партию молотков принимают, если количество дефектных молотков в первой выборке меньше или равно приемочному числу, и бракуют без назначения второй выборки, если количество дефектных молотков больше или равно браковочному числу.
Если количество дефектных молотков в первой выборке больше приемочного числа, но меньше браковочного, проводят вторую выборку.
Партию молотков принимают, если количество дефектных молотков в двух выборках меньше или равно приемочному числу, и бракуют, если количество дефектных молотков в двух выборках больше или равно браковочному числу.
2.6. Для проверки молотков на соответствие требованиям пп.1.2.1, 1.2.3, 1.2.10, 1.2.14-1.2.16, 1.3 от партии отбирают 1% молотков, но не менее 5 шт.
Если при проверке отобранных для контроля молотков хотя бы одно изделие не будет удовлетворять требованиям, приведенным в пп. 1.2.1, 1.2.3, 1.2.10, 1.2.14-1.2.16, следует проводить повторные испытания удвоенного числа изделий, отобранных из той же партии.
При неудовлетворительных результатах повторной проверки молотки приемке не подлежат.
Результаты повторной проверки являются окончательными.
2.7. Потребитель имеет право проводить контрольную проверку количества молотков, соблюдая при этом приведенный порядок отбора образцов и применяя методы испытания, установленные настоящим стандартом.
3. Методы контроля (испытаний)
3.1. Длину молотков в сборе проверяют при помощи измерительных средств с абсолютной погрешностью ± мм, остальные размеры молотков, диаметр сучков и выступ конца ручки измеряют с абсолютной погрешностью ± 0,1 мм.
3.2. Допуск соосности всада относительно плоскости симметрии корпуса молотка проверяют при помощи шаблона или штангенциркулем ШЦ-1 - 125 - 0,1 по ГОСТ 166.
3.3. Проверка термически обработанной части корпусов молотков по ГОСТ 9013 (п.1.2.3) и ГОСТ 9012 (п.1.2.1).
Допускается применять метод проверки образцов-свидетелей, термически обработанных вместе с контролируемой партией изделий, для определения твердости корпусов молотков.
3.4. Массу молотков определяют взвешиванием на весах с допустимой погрешностью ± 0,005 кг.
3.5. Влажность древесины ручек определяют по ГОСТ 16588 или при помощи влагомера по ГОСТ 24447.
3.6. Контроль металлических и окисных покрытий - по ГОСТ 9.302.
3.7. Прочность соединения корпуса молотка с ручкой или стержнем (п.1.2.15) проверяют методом приложения равномерно возрастающей нагрузки. Статическую нагрузку прикладывают в течение 2 мин и измеряют динамометром общего назначения 2-го класса точности по ГОСТ 13837.
Молотки типоразмеров МПЛ-4, МКИ-1, МКИ-3, МШТ-3 проверке по п.1.2.15 не подлежат.
3.8. Контроль по пп.1.2.2, 1.2.4-1.2.6, 1.2.8, 1.2.9, 1.2.11, 1.2.13, 1.2.17 (в случае лакокрасочного покрытия), 1.2.8-1.2.20, 1.4 осуществляют визуально методом сравнения с образцами-эталонами.
3.9. Шероховатость (п.1.2.8) контролируют визуально методом сравнения с образцами шероховатости или на профилометре по ГОСТ 19300.
3.10. Испытания молотков на соответствие пп.1.2.14 и 1.2.16 проводят пятикратным ударом молотка по стальной плите, термически обработанной до твердости 34...42 HRCэ.
Прочность гвоздодерной части молотков испытывают путем выдергивания 5 гвоздей диаметром 3-4 мм, длиной 100 мм, забитых на глубину 75 мм в торец березового бруса.
После испытаний на всех деталях молотков не должно быть трещин, сколов, изломов, вмятин.
4. Транспортирование и хранение
4.1. Упакованные молотки допускается перевозить транспортом любого вида при обеспечении мер, предохраняющих молотки от механических повреждений и воздействия влаги.
4.2. Хранение молотков - по группе хранения 2 ГОСТ 15150.
5. Гарантии изготовителя
Предприятие-изготовитель должно гарантировать соответствие молотков требованиям настоящего стандарта при соблюдении потребителем условий их транспортирования и хранения.
Приложение 1
Рекомендуемое
Таблица 7
Размеры в мм
|
Тип или типоразмер молотка |
В |
Н |
Н1 |
Н2 |
D |
S |
S1 |
Масса, кг, не более |
|
МПЛИ |
8 |
8 |
|
2 |
|
2,5 |
1 |
0,004 |
|
МСТ-1 |
14 |
16 |
9,6 |
3 |
8 |
4,0 |
1,6 |
0,008 |
|
МСТ-3, МКР-1, МКР-2 |
|
20 |
12 |
|
|
|
|
0,010 |
|
МШТ, МПЛ, МШИ |
20 |
25 |
15 |
4 |
10 |
5,0 |
2 |
0,013 |
|
МСТ-4, МРК-3, |
|
30 |
18 |
|
|
|
|
0,015 |
|
МКУ, МША |
22 |
36 |
21,6 |
|
|
|
|
0,018 |
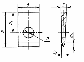
Клинья для строительных молотков
Исполнение 1

Черт.25
Клинья для строительных молотков
Исполнение 2

Черт.26
Таблица 8
Размеры в мм
|
Тип или типоразмер молотка |
В |
Н |
С |
С1 |
m |
m1 |
m2 |
S |
Число зубьев |
Масса, кг, не более |
|
МПЛ |
8 |
8 |
2,5 |
0,8 |
0,6 |
0,3 |
- |
2,7 |
2 |
0,003 |
|
МСТ-1 |
12 |
12 |
|
|
|
|
|
4,0 |
|
0,004 |
|
МПА, МСТ-2 МСТ-3, МКР-1, МКР-2 |
15 |
15 |
3,5 |
|
0,9 |
0,6 |
0,3 |
3,8 |
|
0,006 |
|
МШТ, МПЛ, МШИ6 |
20 |
20 |
4,5 |
1,0 |
|
0,8 |
0,4 |
5,0 |
3 |
0,012 |
|
МСТ-4,МКР-3 |
22 |
22 |
5,0 |
|
1,0 |
1,0 |
0,5 |
5,5 |
|
0,015 |
|
МКУ, МША |
24 |
24 |
6,0 |
1,5 |
|
|
|
6,0 |
|
0,022 |
Приложение 2
Обязательное
Всады молотков

Черт.27
Для молотков типов МПЛ-1, МШТ-1, МШИ-1

Черт.28
Таблица 9
Размеры в мм
|
|
А |
Б |
|
||
|
Тип молотка |
Номин. |
Пред. откл. |
Номин. |
Пред. откл. |
Уклон |
|
МПЛИ |
16 |
+0,43 |
6 |
+0,3 |
1:15 |
|
МСТ-1 |
22 |
|
12 |
|
1:20 |
|
МСТ-2, МСТ-3, МПА, МКР-1, МКР-2 |
30 |
+0,52 |
16 |
+0,43 |
|
|
МПЛ-1, МШТ-1, МШИ-1 |
|
|
|
|
1:30 |
|
МСТ-4, МКР-3 |
32 |
+0,62 |
18 |
|
1:20 |
|
МКУ-1, МША-1 |
34 |
|
20 |
+0,52 |
1:30 |
Для молотков типов МША-1, МКУ-1
Черт.29
Для молотка типа МКИ-1

Черт.30
Для молотка типа МШТ-3

Черт.31
Для молотков типов МПЛ-2, МШТ-2, МКИ-2, МШИ-2, МША-2, МКУ-2

Черт.32
Для молотка типа МША-3

Черт.33
Для молотка типа МШТ-4

Черт.34
Для молотка типа МПЛ-3

Черт.35
Для молотка типа МКИ-3

Черт.36
СОДЕРЖАНИЕ
1. Технические требования
Молотки столярные типа МСТ
Молотки плотничные Тип МПЛ Исполнение 1
Исполнение 2
Исполнение 3
Исполнение 4
Молотки-кирочки Тип МКИ Исполнение 1
Исполнение 2
Исполнение 3
Молотки штукатурные Тип МШТ Исполнение 1
Исполнение 2
Исполнение 3
Молоток паркетный Тип МПА
Молотки кровельные Тип МКР
Типоразмер МКР-3
Молотки шиферные Тип МШИ
Исполнение 2
Молотки плиточные Тип МПЛИ Исполнение 1
Исполнение 2
Исполнение 3
Молотки шанцевые Тип МША Исполнение 1
Исполнение 2
Исполнение 3
Молотки-кулачки Тип МКУ Исполнение 1
Исполнение 2
2. Приемка
3. Методы контроля (испытаний)
4. Транспортирование и хранение
5. Гарантии изготовителя
Приложение 1 (рекомендуемое). Клинья для строительных молотков
Исполнение 1
Клинья для строительных молотков Исполнение 2
Приложение 2 (обязательное). Всады молотков
Для молотков типов МПЛ-1, МШТ-1, МШИ-1
Для молотков типов МША-1, МКУ-1
Для молотка типа МКИ-1
Для молотка типа МШТ-3
Для молотков типов МПЛ-2, МШТ-2, МКИ-2, МШИ-2, МША-2, МКУ-2
Для молотка типа МША-3
Для молотка типа МШТ-4
Для молотка типа МПЛ-3
Для молотка типа МКИ-3
