ГОСТ 12.3.018-79
ГОСТ 12.3.018-79
УДК 658.382.3:628.83.001.4:006.354 Группа Т58
ГОСУДАРСТВЕННЫЙ СТАНДАРТ СОЮЗА ССР
Система стандартов безопасности труда
СИСТЕМЫ ВЕНТИЛЯЦИОННЫЕ
Методы аэродинамических испытаний
Occupational safety standards system.
Ventilation systems.
Aerodinamical tests methods
Постановлением Государственного комитета СССР по стандартам от 5 сентября 1979 г. № 3341 срок действия установлен
с 01.01. 1981 г.
до 01.01. 1986 г.
Несоблюдение стандарта преследуется по закону
Настоящий стандарт распространяется на аэродинамические испытания вентиляционных систем зданий и сооружений.
Стандарт устанавливает методы измерений и обработки результатов при проведении испытаний вентиляционных систем и их элементов для определения расходов воздуха и потерь давления.
1. МЕТОД ВЫБОРА ТОЧЕК ИЗМЕРЕНИЙ
1.1. Для измерения давлений и скоростей движения воздуха в воздуховодах (каналах) должны быть выбраны участки с расположением мерных сечений на расстояниях не менее шести гидравлических диаметров D h , м за местом возмущения потока (отводы, шиберы, диафрагмы и т. п.) и не менее двух гидравлических диаметров перед ним.
При отсутствии прямолинейных участков необходимой длины допускается располагать мерное сечение в месте, делящем выбранный для измерения участок в отношении 3 : 1 в направлении движения воздуха.
Примечание. Гидравлический диаметр определяется по формуле
![]()
где F , м2 и П, м, соответственно, площадь и периметр сечения.
1.2. Допускается размещать мерное сечение непосредственно в месте внезапного расширения или сужения потока. При этом размер мерного сечения принимают соответствующим наименьшему сечению канала.
1.3. Координаты точек измерений давлений и скоростей, а также количество точек определяются формой и размерами мерного сечения по черт. 1 и 2. Максимальное отклонение координат точек измерений от указанных на чертежах не должно превышать ±10 %. Количество измерений в каждой точке должно быть не менее трех.
1.4. При использовании анемометров время измерения в каждой точке должно быть не менее 10 с.
2. АППАРАТУРА
2.1. Для аэродинамических испытаний вентиляционных систем должна применяться следующая аппаратура:
Координаты точек измерения давлений и скоростей в воздуховодах цилиндрического сечения

Черт. 1
Координаты точек измерения давлений и скоростей в воздуховодах прямоугольного сечения

Черт. 2
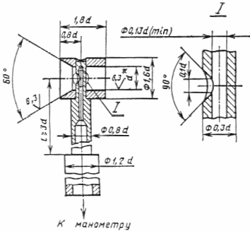
Основные размеры приемной части комбинированного приемника давления

_____________
* Диаметр d не должен превышать 8 % внутреннего диаметра круглого или ширины (по внутреннему обмеру) прямоугольного воздуховода.
Черт. 3
а) комбинированный приемник давления — для измерения динамических давлений потока при скоростях движения воздуха более 5 м/с и статических давлений в установившихся потоках (черт. 3);
б) приемник полного давления — для измерения полных давлений потока при скоростях движения воздуха более 5 м/с (черт. 4);
в) дифференциальные манометры класса точности от 0,5 до 1,0 по ГОСТ 11161—71, ГОСТ 18140—77 и тягомеры по ГОСТ 2648—78 — для регистрации перепадов давлений;
г) анемометры по ГОСТ 6376—74 и термоанемометры — для измерения скоростей воздуха менее 5 м/с;
д) барометры класса точности не ниже 1,0 — для измерения давления в окружающей среде;
е) ртутные термометры класса точности не ниже 1,0 по ГОСТ 13646—68 и термопары — для измерения температуры воздуха;
ж) психрометры класса точности не ниже 1,0 по ГОСТ 6353-52 и психрометрические термометры по ГОСТ 15055-69 — для измерения влажности воздуха.
Примечание. При измерениях скоростей воздуха, превышающих 5 м/с в потоках, где затруднено применение приемников давления, допускается использовать анемометры по ГОСТ 6376-74 и термоанемометры.
2.2. Конструкции приборов, применяемых для измерения скоростей и давлений запыленных потоков, должны позволять их очистку от пыли в процессе эксплуатации.
2.3. Для проведения аэродинамических испытаний в пожаровзрывоопасных производствах должны применяться приборы, соответствующие категории и группе производственных помещений.
Основные размеры приемной части приемника полного давления

_____________
* Диаметр d не должен превышать 8 % внутреннего диаметра круглого или ширины (по внутреннему обмеру) прямоугольного воздуховода.
Черт. 4
3. ПОДГОТОВКА К ИСПЫТАНИЯМ
3.1. Перед испытаниями должна быть составлена программа испытаний с указанием цели, режимов работы оборудования и условий проведения испытаний.
3.2. Вентиляционные системы и их элементы должны быть проверены и обнаруженные дефекты устранены.
3.3. Показывающие приборы (дифференциальные манометры, психрометры, барометры и др.), а также коммуникации к ним следует располагать таким образом, чтобы исключить воздействие на них потоков воздуха, вибраций, конвективного и лучистого тепла, влияющих на показания приборов.
3 .4. Подготовку приборов к испытаниям необходимо проводить в соответствии с паспортами приборов и действующими инструкциями по их эксплуатации.
4. ПРОВЕДЕНИЕ ИСПЫТАНИЯ
4.1. Испытания следует проводить не ранее чем через 15 мин после пуска вентиляционного агрегата.
4.2. При испытаниях, в зависимости от программы, измеряют:
барометрическое давление окружающей воздушной среды В а , кПа (кгс/м2 );
температуру перемещаемого воздуха по сухому и влажному термометру, соответственно, t и t j , °С;
температуру воздуха в рабочей зоне помещения t a , ° С;
динамическое давление потока воздуха в точке мерного сечения р di , кПа (кгс/м2 );
статическое давление воздуха в точке мерного сечения р si , кПа (кгс/м2 );
полное давление воздуха в точке мерного сечения р i , кПа (кгс/м2 );
время перемещения анемометра по площади мерного сечения t , с;
число делений счетного механизма оборотов механического анемометра за время t обвода сечения п .
Примечания:
1 . Измерения статического или полного давлений производят при определении давления, развиваемого вентилятором, и потерь давления в вентиляционной сети или на ее участке.
2. Значение полного ( р , кПа, кгс/м2 ) и статического ( р s , кПа, кгс/м2 ) давлений представляют собой соответствующие перепады полных и статических давлений потока с барометрическим давлением окружающей среды. Перепад считается положительным, если соответствующее значение превышает давление окружающей среды, в противном случае р и р s — отрицательны.
4.3. При измерении давлений и скоростей потока в воздуховодах и расположении мерного сечения на прямолинейном участке длиной не менее 8D h допускается проводить измерения статического давления потока воздуха и в отдельных точках сечения полного давления комбинированным приемником давления.
4.4. Зазоры между измерительными приборами и отверстиями, через которые они вводятся в закрытые каналы, должны быть уплотнены во время испытаний, а отверстия закрыты после проведения испытаний.
5. ОБРАБОТКА РЕЗУЛЬТАТОВ ИЗМЕРЕНИЙ
5.1. На основе величин, измеренных в соответствии с программой, определяют:
относительную влажность перемещаемого воздуха j , %;
плотность перемещаемого воздуха r , кг/м3 (кгс · с2 /м4 );
скорости
движения воздуха
,
м/с;
расход воздуха L , м3 / с;
потери полного давления в вентиляционной сети или в отдельных ее элементах D р , кПа (кгс/м2 );
коэффициент потерь давления вентиляционной сети или ее элемента z .
5.2. Относительную влажность перемещаемого воздуха определяют по показаниям сухого и влажного термометров в соответствии с паспортом прибора.
5.3. Плотность перемещаемого воздуха определяют по формуле

где р' — статическое или полное давление потока, измеренное комбинированным приемником давления или приемником полного давления в одной из точек мерного сечения;
K j — коэффициент, зависящий от температуры и влажности перемещаемого воздуха. Значение K j определяется по табл. 1.
Зависимость коэффициента K j от температуры и влажности перемещаемого воздуха
Таблица 1
|
t, ° C |
10 |
20 |
30 |
40 |
50 |
|||||
|
j , % |
50 |
100 |
50 |
100 |
50 |
100 |
50 |
100 |
50 |
100 |
|
K j |
0,998 |
1,003 |
1,000 |
1,005 |
1,004 |
1,0 12 |
1,010 |
1,025 |
1,020 |
1,040 |
5.4. Динамическое давление р d кПа (кгс/м2 ) средней скорости движения воздуха определяют по измеренным в z точках (черт. 1 или 2) комбинированным приемником давления величинам динамических давлении р di по формуле

5.5.
Скорость движения воздуха
i
,
м/с в точке мерного сечения по измерениям динамического давления р
di
определяют согласно формуле

5.6.
Среднюю скорость движения воздуха
m
,
м/с в мерном сечении по измерениям динамического давления в z
точках (по черт. 1
или 2)
определяют по формуле

5.7.
При измерениях анемометрами скорость движения воздуха в отдельных
точках мерного сечения определяют по показаниям прибора n
и графику индивидуальной тарировки прибора
(n
);
при
этом среднюю скорость движения воздуха
m
определяют по формуле

5.8. Объемный расход L , м3 / с воздуха определяют по формуле
![]()
5.9. Статическое давление р s потока в мерном сечении определяют по следующим формулам:
а)
при измерениях полных и динамических
давлений;
б)
при измерениях статических давлений;
в)
при измерениях скоростей потока и
полных
давлений.
5.10. Полное давление р потока в мерном сечении рассчитывают по формулам
или
5.11. Потери полного давления элемента сети определяют по формуле
![]()
где р 1 и р 2 — полные давления, определенные по п. 5.10, в мерных сечениях 1 и 2, расположенных, соответственно, на входе в элемент и на выходе из него.
5.12. Потери полного давления элемента сети, расположенного на входе в сеть, определяют по формуле
![]()
5.13. Потери полного давления элемента сети, расположенного на выходе из сети, определяют по формуле
![]()
5.14. Коэффициент потерь давления элементов сети определяют по формуле
![]()
где р d — динамическое давление (по п. 5.4) в мерном сечении выбранном в качестве характерного.
5.15. Динамическое давление р dv , кПа (кгс/м2 ) вентилятора определяют по формуле

где
—
площадь выходного отверстия вентилятора.
5.16.
Статическое давление
,
кПа (кгс/м2
) вентилятора определяют по формуле
![]()
где р s1 и р s2 — соответственно статические давления в мерных сечениях 1 и 2 перед и за вентилятором, определенные по п. 5.9;
р d1 — динамическое давление в мерном сечении 1, на входе в вентилятор, определенное по п. 5.4.
5.17.
Полное давление вентилятора
кПа (кгс/м2
) равно суммарным потерям
D
р
å
сети и определяется по формуле
![]()
Примечание.
Безразмерные параметры, характеризующие аэродинамические свойства
собственно вентилятора (его коэффициенты полного
,
статического
y
s
и динамического
давлений, а также
коэффициент
расхода воздуха
)
определяют, если это предусмотрено программой испытаний, по формулам,
приведенным в ГОСТ 10921-74.
5 .18 . В случаях, предусмотренных программой испытаний, производят расчет предельной погрешности определения расхода воздуха по результатам измерений. Порядок расчета при измерениях пневмометрическим насадком в сочетании с дифференциальным манометром дан в рекомендуемом приложении 1.
6. ТРЕБОВАНИЯ БЕЗОПАСНОСТИ
6 .1 . При проведении аэродинамических испытаний вентиляционных систем должны соблюдаться требования безопасности согласно ГОСТ 12.4.021-75.
6.2. Проведение аэродинамических испытаний не должно ухудшать проветривание и приводить к скоплению взрывоопасной концентрации газов.
ПРИЛОЖЕНИЕ
Рекомендуемое
РАСЧЕТ ПОГРЕШНОСТЕЙ ИЗМЕРЕНИЯ РАСХОДА ВОЗДУХА КОМБИНИРОВАННЫМ ПРИЕМНИКОМ ДАВЛЕНИЯ В СОЧЕТАНИИ С ДИФФЕРЕНЦИАЛЬНЫМ МАНОМЕТРОМ
Из уравнений пп. 4.3—4.8 следует:

При этом предельная относительная погрешность определения расхода воздуха в процентах выражается следующей формулой:
![]()
где s L — среднеквадратичная относительная погрешность, обусловленная неточностью измерений в процессе испытаний;
dj — предельная, относительная погрешность определения расхода воздуха, связанная с неравномерностью распределения скоростей в мерном сечении; величины dj даны в табл. 1 настоящего приложения. Величина s L представляется в виде:
![]()
где s D — среднеквадратичная погрешность определения размеров мерного сечения, зависящая от гидравлического диаметра воздуховода; при 100 мм £ D h 300 мм величина s D = ± 3 %, при D h > 300 мм s D = ± 2 %;
s p , s B , s t — среднеквадратичные погрешности измерений, соответственно, динамического давления Р d потока, барометрического давления B a , температуры t потока, величины s p , s B , s t даны в табл. 2 настоящего приложения.
Пользуясь табл. 1 и 2 и приведенными формулами вычисляют предельную погрешность определения расхода воздуха.
Таблица 1
Предельная относительная погрешность d j , вызванная неравномерностью распределения скоростей в мерном сечении
|
Форма мерного |
Число точек |
d , %, при расстоянии от места возмущения потока до мерного сечения в гидравлических диаметрах D h |
||||
|
сечения |
измерений |
1 |
2 |
3 |
5 |
> 5 |
|
Круг |
4 |
20 |
16 |
12 |
6 |
3 |
|
|
8 |
16 |
12 |
10 |
5 |
2 |
|
|
12 |
12 |
8 |
6 |
3 |
2 |
|
Прямо- |
4 |
24 |
20 |
15 |
8 |
4 |
|
угольник |
16 |
12 |
8 |
6 |
3 |
2 |
Таблица 2
Среднеквадратичные погрешности s p , s B , s t показаний приборов
|
Показание прибора в долях |
s p , s B , s t , %, для приборов класса точности |
|
|
длины шкалы |
10 |
0,5 |
|
1,00 |
±0,5 |
±0,25 |
|
0,75 |
±0,7 |
±0,24 |
|
0,50 |
±1,0 |
±0,5 |
|
0,25 |
±2,0 |
±1,0 |
|
0,10 |
±5,0 |
±2,5 |
|
0,05 |
±10,0 |
±5,0 |
Пример. Мерное сечение расположено на расстоянии 3-х диаметров за коленом воздуховода диаметром 300 мм (т. е. s D = ± 3 %). Измерения производят комбинированным приемником давления в 8-ми точках мерного сечения (т. е. по табл. 1 dj = + 10 %). Класс точности приборов (дифманометр, барометр, термометр) — 1,0. Отсчеты по всем приборам производятся, примерно, в середине шкалы, т. е. по табл. 2, s p = s B = s t = ± 1,0 %. Предельная относительная погрешность измерения расхода воздуха составит:
+
22 %,
—
2
%
