ГОСТ 6665-91
УДК 625.823.2:006.354 Группа Ж18
ГОСУДАРСТВЕННЫЙ СТАНДАРТ СОЮЗА ССР
КАМНИ
БЕТОННЫЕ И ЖЕЛЕЗОБЕТОННЫЕ
БОРТОВЫЕ
Технические условия ГОСТ 6665-91
Concrete and reinforced concrete curbs.
Specifications
ОКП 57 4612; 58 4621
Дата введения 01.01.92
Настоящий стандарт распространяется на бетонные и железобетонные бортовые камни (далее — камни), изготовляемые из мелкозернистого (песчаного) и тяжелого бетонов по ГОСТ 26633 в климатическом исполнении УХЛ по ГОСТ 15150, предназначенные для отделения проезжей части улиц и дорог от тротуаров, газонов, площадок и т. п.
1. ТЕХНИЧЕСКИЕ ТРЕБОВАНИЯ
1.1. Камни следует изготовлять в соответствии с требованиями настоящего стандарта и технологической документации, утвержденной в установленном порядке.
1.2. Основные параметры и размеры
1.2.1. Камни делят на типы:
БР — прямые рядовые;
БУ — прямые с уширением;
БУП — прямые с прерывистым уширением;
БЛ — прямые с лотком;
БВ — въездные;
БК — криволинейные.
1.2.2. Марки, форма и класс бетона по прочности на сжатие камней должны соответствовать указанным в табл. 1, а размеры и показатели материалоемкости камней — приложению 1.
Допускается по согласованию с институтом «Мосинжпроект» Главмосархитектуры Мосгорисполкома и потребителем другие формы и размеры камней, а также изменения армирования камней без увеличения расхода арматурной стали.
1.2.3. Верхние, нижние и вертикальные грани камней должны быть взаимно перпендикулярны.
Марки и форма камней
Таблица 1
|
Марки |
Форма |
Класс бетона по прочности на сжатие |
Справочная масса, t |
Назначение камней |
|
БР 100.30.15 БР 300.30.15 БР 600.30.15-А-IV |
|
|
0,10 0,32 0,64 |
Для отделения проезжей части внутриквартальных проездов от тротуаров и газонов |
|
БР 100.30.18 БР 300.30.18 БР 600.30.18-А-IV |
|
В30 |
0,12 0,38 0,77 |
Для отделения проезжей части улиц и дорог от тротуаров, газонов, площадок-остановок общественного транспорта и обособленного полотна трамвайных путей |
|
БР 300.45.18 БР 600.45.18-А-IV (А-V ) |
|
|
0,58 1,17 |
Для отделения проезжей части дорог от тротуаров на съездах с насыпью высотой менее 2 м и разделительных полос |
|
БР 300.60.20 БР 600.60.20-А-IV (А-V ) |
|
|
0,88 0,76 |
Для отделения проезжей части дорог от тротуаров в тоннелях, рамповых частях тоннелей и на съездах с насыпью высотой более 2 м |
|
БР 100.20.8 |
|
В22,5 |
0,04 |
Для отделения пешеходных дорожек и тротуаров от газонов |
|
БУ300.30.29 БУП300.30.29 |
|
В30 |
0,40 0,34 |
Для отделения проезжей части внутрикварталь ных проездов от тротуаров и газонов |
|
БУ300.30.32 БУП300.30.32 БУП600.30.32-А-IV |
|
|
0,47 0,41 0,79 |
Для отделения проезжей части улиц, дорог от тротуаров и газонов |
|
БЛ300.32.68 БЛ300.32.93 БЛ300.32.118 |
|
|
1,05 1,37 1,60 |
Для отделения проезжей части улиц, дорог от тротуаров и газонов и устройства полос безопасности |
|
БВ 100.30.15 |
|
|
0,10 |
Для отделения проезжей части внутрикварталь ных проездов при устройстве въездов на тротуары в сочетании с камнями марок БР100.30.15 и БР300.30.15 |
|
БВ 100.30.18 |
|
В30 |
0,12 |
Для отделения проезжей части улиц и дорог при устройстве въездов на тротуары в сочетании с камнями марок БР100.300.18 и БР300.30. 18 |
|
БК 100.30.18.5 БК100.30.18.8 БК100.30.18.12 БК 100.30.18.15 |
|
|
0,12 |
Для отделения проезжей части внутриквартальных проездов от тротуаров и газонов на закруглениях в сочетании с камнями марок БР 100.30.15 и БР300.20.15 |
|
БК100.30.21.5 БК100.30.21.8 БК 100.30.21.12 |
|
|
0,14 |
Для отделения проезжей части улиц и дорог от тротуаров и газонов на закруглениях в сочетании с камнями марок БР 100.30.18 и БР 300.30.18 |
|
Камень-аппарель |
|
|
По проекту |
Для сопряжения покрытий велосипедных дорожек и тротуаров с интенсивным движением детских и инвалидных колясок и др. с покрытием проезжих частей улиц и дорог на пересечениях |
|
Примечание. Длину аппарели (l а) при тротуарных покрытиях из сборных плит принимают кратной размеру плит, а другие размеры — в зависимости от марки камня. |
||||
Допускается изготовление камней с технологическим уклоном нелицевых вертикальных граней до 5 %, закруглением лицевых граней радиусом до 5 мм и нелицевых — до 15 мм или фасками шириной до 10 мм.
1.2.4. Армирование камней приведено в приложении 2, при технико-экономическом обосновании допускается вариант армирования, приведенный в приложении 3.
1.2.5. Камни длиной 1,0 м из мелкозернистого бетона следует изготовлять по технологии вибропрессования или другой технологии, обеспечивающей физико-механические характеристики по настоящему стандарту.
Камни длиной 3,0 и 6,0 м следует изготовлять из тяжелого бетона, армированными.
Примечание. Камни длиной 1,0 м из тяжелого бетона допускается изготавливать до 01.01.96.
1.2.6. Камни обозначают марками в соответствии с ГОСТ 23009.
Марка камня состоит из буквенно-цифровых групп, разделенных тире.
Первая группа содержит обозначение типа камня, длину, высоту и ширину камня в сантиметрах, радиус кривизны в метрах для криволинейных камней; вторая — класс напрягаемой арматуры.
Пример условного обозначения камня типа БР длиной 1000 мм, высотой 300 мм и шириной 180 мм:
БР 100.30.18
То же, типа БК длиной 1000 мм, высотой 300 мм и шириной 180 мм с радиусом кривизны 8 м:
БК 100.30.18.8
То же, типа БР длиной 6000 мм, высотой 300 мм и шириной 180 мм с напрягаемой арматурой класса А-IV :
БР600.30.18-АIV
1.3. Характеристики
1.3.1. Камни должны быть прочными и трещиностойкими. Армированные камни при испытании на прочность и трещиностойкость нагружением должны выдерживать контрольные нагрузки, приведенные в табл. 2.
1.3.2. Бетон камней марки БР 100.20.8 должен соответствовать классу бетона по прочности на сжатие не менее чем В22,5, а бетон остальных марок камней — не менее чем В30 .
Класс бетона по прочности на растяжение при изгибе принимают не менее чем Вtb 3,2 для камней марки БР 100.20.8 и не менее чем Вtb 4,0 — для остальных марок.
Таблица 2
|
|
Контрольная нагрузка, кН (тс) |
|
|
Марка камня |
по проверке прочности |
по проверке трещиностойкости |
|
БР300.30.15 |
13,75 (1,40) |
7,55 (0,77) |
|
БР300.30.18 |
13,44 (1,37) |
7,35 (0,75) |
|
БР300.45.18 |
5,96 (0,61) |
3,28 (0,33) |
|
БР300.60.20 |
5,38 (0,55) |
2,96 (0,30) |
|
БР600.30.15-А-IV |
5,43 (0,56) |
2,99 (0,31) |
|
БР600.3 0.18-А-IV |
6,73 (0,69) |
3,70 (0,38) |
|
БР600.45.18-А-IV |
9,37 (0,96) |
5,15 (0,53) |
|
БР600.45.18-А-V |
8,55 (0,87) |
4,70 (0,48) |
|
БР600.60.20-А-IV |
14,43 (1,47) |
7,93 (0,81) |
|
БР600.60.20-А-V |
14,53 (1,48) |
7,99 (0,82) |
|
БУ300.30.29 |
13,28 (1,36) |
7,30 (0,75) |
|
БУ300.30.32 |
12,86 (1,31) |
7,07 (0,72) |
|
БУП300.30.29 |
13,61 (1,39) |
7,49 (0,76) |
|
БУП300.30.32 |
13,22 (1,35) |
7,27 (0,74) |
|
БУП600.30.32-А-IV |
10,85 (1,11) |
5,97 (0,61) |
1.3.3. Значение нормируемой отпускной прочности мелкозернистого бетона должно составлять 90 % от класса бетона по прочности на сжатие и класса бетона по прочности на растяжение при изгибе в любое время года.
Значение нормируемой отпускной прочности тяжелого бетона должно составлять 90 % от класса бетона по прочности на сжатие и класса бетона по прочности на растяжение при изгибе в холодный период года и 70 % — в теплый период года.
Примечание. Периоды года принимают, начиная и кончая месяцами, характеризующимися среднемесячной температурой наружного воздуха в соответствии со СНиП 2.01.01 и ГОСТ 13015.0.
Передачу усилий обжатия на бетон (отпуск натяжения арматуры) следует производить после достижения бетоном нормируемой передаточной прочности.
Фактическая прочность бетона должна соответствовать требуемой по ГОСТ 18105 в зависимости от нормируемой прочности и показателей фактической однородности прочности бетона.
1.3.4. Марку бетона по морозостойкости принимают по проекту строительства, но не ниже указанной в табл. 3, в зависимости от расчетной температуры наружного воздуха наиболее холодной пятидневки района строительства и указывают в заказе на изготовление камней.
1.3.5. Водопоглощение бетона камней не должно превышать по массе, %:
6 — для камней из мелкозернистого бетона;
5 — для камней из тяжелого бетона
Таблица 3
|
Расчетная температура наружного воздуха наиболее холодной пятидневки района строительства, ° С |
Марка бетона по морозостойкости |
|
Ниже — 45 |
F 300 |
|
От — 15 до — 45 включ. |
F200 |
|
» 5 до —15 включ. |
F150 |
|
» 0 до —5 включ. |
F100 |
1.3.6. Подбор состава бетона производят в соответствии с требованиями ГОСТ 27006 и рекомендаций, пособий и методик научно-исследовательских институтов, утвержденных в установленном порядке.
Водоцементное отношение (В/Ц) должно быть не более 0,40.
1.3.7. Бетонные смеси приготавливают по ГОСТ 7473 с применением воздухововлекающих добавок.
Бетонные смеси для тяжелого бетона с маркой по удобоукладываемости П2 или П3 с подвижностью не более 12 см следует приготавливать с обязательным применением пластифицирующих добавок.
1.3.8. Объем вовлеченного воздуха в бетонных смесях с применением воздухововлекающих добавок должен быть от 4 до 5 %.
1.3.9. Для приготовления бетонной смеси следует применять бездобавочный портландцемент, портландцемент с минеральными добавками до 5 % или портландцемент для бетонов дорожных и аэродромных покрытий марки не ниже 400, содержащий в цементном клинкере не более 5 % МgO (оксида магния) и не более 8 % С3 А (трехкальциевого алюмината), соответствующие ГОСТ 10178.
1.3.10. В качестве заполнителей для бетона следует применять:
природные обогащенные и фракционированные, а также дробленные обогащенные пески по ГОСТ 8736, удовлетворяющие требованиям ГОСТ 26633;
щебень из естественного камня, гравия и доменного шлака по ГОСТ 8267, ГОСТ 10260, ГОСТ 3344, удовлетворяющие требованиям ГОСТ 26633.
Для оптимального состава мелкозернистого бетона применяют пески с модулем крупности не менее 2,2, а для тяжелого бетона ¾ не менее 2,0. Наибольший размер зерен крупного заполнителя 20 мм.
1.3.11. С целью экономии цемента для бетонов следует применять и другие материалы — золы-унос, шлаки и золошлаковые смеси ТЭС по ГОСТ 25592 и ГОСТ 25818, удовлетворяющие требованиям ГОСТ 26633.
1.3.12. Марка щебня по прочности на сжатие должна быть не ниже 1000.
1.3.13. Марка щебня по морозостойкости должна быть не ниже F 200 и обеспечивать получение бетона проектной марки по морозостойкости.
1.3.14. Добавки, применяемые для приготовления бетонной смеси, должны отвечать требованиям ГОСТ 24211, ГОСТ 26633 и обеспечивать получение бетона, удовлетворяющего требованиям по морозостойкости.
Виды и объем (массу) вводимых добавок определяют опытным путем в зависимости от вида и качества материалов, используемых для приготовления бетонной смеси, режимов пропаривания (твердения) бетона.
Рекомендуемые виды и объем (массу) добавок, применяемых для приготовления бетонных смесей, приведены в приложении 4.
1.3.15. В качестве ускорителя твердения для бетонных смесей неармированных камней из мелкозернистого бетона следует применять кальций хлористый по ГОСТ 450 или нитрит-нитрат-хлорид кальция по ТУ 6—03—7—04 в объеме до 3 % от массы цемента.
1.3.16. Вода для приготовления бетона — по ГОСТ 23732.
1.3.17. При тепловлажностной обработке бетона следует соблюдать мягкие режимы твердения (температура не выше 70°С) с предельной скоростью подъема и снижения температуры обработки не более 25°С/ч.
1.3.18. Для армирования камней следует применять арматурную сталь:
в качестве напрягаемой арматуры — стержневую горячекатаную периодического профиля сталь классов А-IV и А-V по ГОСТ 5781;
в качестве напрягаемой арматуры допускается применять стержневую термомеханически и термически упрочненную периодического профиля сталь классов Ат-IV и Ат-V по ГОСТ 10884;
в качестве ненапрягаемой арматуры — стержневую горячекатаную сталь классов А-III и А-I по ГОСТ 5781 и арматурную обыкновенную проволоку периодического профиля класса Вр-I по ГОСТ 6727;
для монтажных петель следует применять стержневую горячекатаную гладкую арматуру из стали класса А-I марок ВСт3 сп2 и ВСт3 пс2 диаметром 6—12 мм по ГОСТ 5781.
1.3.19. При расчетной зимней температуре ниже минус 40 °С для монтажных петель запрещается применение стали марки ВСт3 пс2 по ГОСТ 5781.
1.3.20. Значения напряжений в напрягаемой арматуре, контролируемое по окончании натяжения на упоры, должны быть:
695,8 МПа (7100 кгс/см2 ) — для арматуры класса A-V;
499,8 МПа (5100 кгс/см2 ) » » » A-IV.
Отклонения значений напряжений не должны превышать при натяжении арматуры:
±88,2 МПа (±900 кгс/см2 ) — электротермическим способом;
—5, +10 % — механическим способом.
1.3.21. Сварные арматурные изделия должны соответствовать ГОСТ 10922 и ГОСТ 23279.
1.3.22. Типы, конструкция и размеры сварных соединений арматуры — по ГОСТ 14098.
1.3.23. Значения действительных отклонений геометрических параметров камней не должны превышать предельных, указанных в табл. 4.
Таблица 4
мм
|
Наименование отклонения геометрического параметра |
Наименование геометрического параметра |
Пред. откл. |
|
Отклонение от линейного |
Длина камней: |
|
|
размера |
1000 |
±6 |
|
|
3000 |
±10 |
|
|
6000 |
±10 |
|
|
Высота: |
|
|
|
до 200 |
±4 |
|
|
св. 200 до 500 |
±5 |
|
|
» 500 |
±6 |
|
|
Ширина: |
|
|
|
по верхней кромке |
±4 |
|
|
по основанию |
±6 |
|
Отклонение от |
Длина камня: |
|
|
прямолинейности профиля |
1000 |
6 |
|
верхней поверхности по всей |
3000 |
12 |
|
длине |
6000 |
15 |
|
Отклонение от перпендикулярности торцевых и смежных граней при высоте камня: |
|
|
|
до 500 |
¾ |
4 |
|
св. 500 |
|
5 |
1.3.24. Для армированных камней отклонение от толщины защитного слоя бетона не должно превышать ±5 мм.
1.3.25. Отклонение профиля лицевой поверхности криволинейных камней от номинальной кривизны не должно превышать 5 мм.
1.3.26. Категория лицевой бетонной поверхности — А6, для нелицевых поверхностей — А7 по ГОСТ 13015.0.
1.3.27. Трещины на поверхности камней не допускаются, за исключением поверхностных шириной не более 0,1 мм и длиной до 50 мм, в количестве не более 5 шт. на 1 м2 поверхности армированных камней из тяжелого бетона.
1.4. Маркировка
Маркировка должна быть нанесена несмываемой краской на торцевую грань не менее чем 10 % камней от партии в соответствии с ГОСТ 13015.2.
В марке камней длиной 3,0 и 6,0 м следует дополнительно указывать их массу.
2. ПРИЕМКА
2.1. Камни принимают партиями по ГОСТ 13015.1 и настоящему стандарту.
2.2. Камни принимают:
по результатам периодических испытаний — по показателям прочности, трещиностойкости, морозостойкости, водопоглощению;
по результатам приемосдаточных испытаний — по показателям прочности (классу бетона по прочности на сжатие, передаточной и отпускной прочности), соответствия арматурных изделий, настоящему стандарту, прочности сварных соединений, точности геометрических параметров, толщины защитного слоя бетона до арматуры, ширины раскрытия трещин, категории бетонной поверхности, марки по удобоукладываемости бетонной смеси, объему вовлеченного воздуха бетонных смесей с воздухововлекающими добавками.
2.3. Периодические испытания нагружением предварительно напряженных камней для контроля их прочности и трещиностойкости, а также определения прочности бетона на растяжение при изгибе проводят перед началом массового изготовления камней и в дальнейшем — при внесении в них конструктивных изменений, изменении технологии изготовления и качества материалов в соответствии с требованиями ГОСТ 13015.1.
В процессе серийного производства камней испытания на трещиностойкость нагружением, а также на прочность на растяжение при изгибе проводят не реже одного раза в 6 мес.
2.4. Бетон камней на морозостойкость и водопоглощение испытывают при освоении производства, изменении номинального состава бетона, технологии, вида и качества материалов, но не реже одного раза в 6 мес.
2.5. Удобоукладываемость бетонной смеси проверяют не реже одного раза в смену.
2.6. Объем вовлеченного воздуха в бетонных смесях с воздухововлекающими добавками проверяют не реже одного раза в смену.
2.7. Камни по показателям точности геометрических параметров, толщине защитного слоя бетона до арматуры, расположению арматуры, наличию монтажных петель, категории бетонной поверхности и ширине раскрытия технологических трещин следует принимать по результатам выборочного контроля в соответствии с табл. 5 для камней из тяжелого бетона и в соответствии с табл. 6 — для камней из мелкозернистого бетона, изготовленных по способу вибропрессования.
Таблица 5
шт.
|
|
Объем |
Объем |
Браковочное число |
|
|
Объем партии |
первой выборки |
второй выборки |
для первой выборки |
для двух выборок |
|
До 90 |
3 |
3 |
1 |
2 |
|
От 91 до 150 |
5 |
5 |
1 |
2 |
|
» 151 » 280 |
8 |
8 |
1 |
2 |
|
» 281 » 500 |
13 |
13 |
3 |
4 |
|
» 501 » 1200 |
20 |
20 |
4 |
5 |
|
» 1201 » 3200 |
32 |
32 |
6 |
7 |
|
Св. 3200 |
50 |
50 |
8 |
9 |
Таблица 6
шт.
|
Объем партии |
Объем выборки |
Браковочное число |
|
До 1200 |
5 |
2 |
|
Св. 1200 |
8 |
3 |
Партия камней, не принятая по результатам выборочного контроля, должна приниматься поштучно. При этом приемка камней должна производиться по показателям, по которым партия не была принята.
Возможность использования камней, не соответствующих по показателям прочности и морозостойкости, устанавливает проектная организация.
2.8. Контроль прочности бетона камней проводят по ГОСТ 18105.
2.9. Потребитель имеет право проводить контрольную проверку соответствия камней, указанных в заказе, требованиям настоящего стандарта.
2.10. Документ о качестве — по ГОСТ 13015.3. В документ о качестве необходимо вносить марку бетона по морозостойкости и показатели водопоглощения бетона.
По требованию потребителя в документ о качестве вносят результаты контрольных испытаний камней на прочность и трещиностойкость по ГОСТ 8829.
3. МЕТОДЫ КОНТРОЛЯ
3.1. Испытание камней нагружением для контроля их прочности и трещиностойкости проводят по ГОСТ 8829.
Схема и положение камня при испытании приведены на черт. 1 и в табл. 7.

Р — контрольная нагрузка.
Черт. 1
Таблица 7
|
Марка камня |
Положение камня при испытании |
l , мм |
а, мм |
|
БР300.30.15 БР300.30.18 |
|
3000 |
750 |
|
БР300.45.18 БР300.60.20 |
|
|
|
|
БР600.30.15-A-IV БР600.30.18-A-IV БР600.45.18-A-IV(A-V) БР600. 60.20-A-IV(A-V) |
|
6000 |
1500 |
|
БУ 300.30.29 БУП300.30.32 |
|
|
|
|
БУП300.30.29 БУП300.30.32 |
|
3000 |
750 |
|
БУП600.30.32 |
|
6000 |
1500 |
Максимальная ширина раскрытия трещин при испытании на прочность и трещиностойкость не должна превышать 0,2 мм.
Испытание камней нагружением проводят после достижения камнями прочности на сжатие в 28-дневном возрасте.
3.2. Прочность бетона на сжатие и растяжение при изгибе следует определять по ГОСТ 10180 или ГОСТ 17624, или ГОСТ 22690.
При изготовлении камней по способу — вибропрессования, приводящему к изменению состава бетона, принимают поправочный коэффициент к прочности бетона контрольных образцов, устанавливаемый экспериментально в соответствии с требованиями ГОСТ 10180. При этом поправочный коэффициент следует принимать не менее 1.
3.3. Морозостойкость бетона определяют по ГОСТ 10060 или ГОСТ 26134 при насыщении образцов бетона камней перед испытанием 5%-ным водным раствором хлорида натрия.
При этом допускается снижение прочности на сжатие бетона образцов не более чем на 5 % и потеря их массы не более чем на 3%.
3.4. Водопоглощение бетона камней определяют по ГОСТ 12730.3.
3.5. Удобоукладываемость бетонной смеси определяют по ГОСТ 10181.0 и ГОСТ 10181.1.
3.6. Объем вовлеченного воздуха в бетонной смеси с воздухововлекающими добавками контролируют по ГОСТ 10181.0 и ГОСТ 10181.3.
3.7. Контроль сварных арматурных изделий следует проводить по ГОСТ 10922 и ГОСТ 23858.
3.8. Силу натяжения арматуры, контролируемую по окончании натяжения, измеряют по ГОСТ 22362.
3.9. Размеры и положение арматурных изделий в камне, толщину защитного слоя бетона до арматуры следует определять по ГОСТ 17625 или ГОСТ 22904.
При отсутствии необходимых приборов допускается определение указанных параметров вырубкой борозд и обнажением арматуры камня с последующей заделкой борозд и мест обнажений арматуры мелкозернистым бетоном или бетоном, из которого изготовлен камень.
3.10. Размеры, отклонения от прямолинейности и перпендикулярности камней, ширину раскрытия технологических трещин, размеры раковин, наплывов и околов бетона следует проверять методами, установленными ГОСТ 26433.0 и ГОСТ 26433.1.
Длину криволинейных камней измеряют по верхнему краю выпуклой стороны, а отклонение профиля лицевой поверхности от номинальной кривизны проверяют шаблоном.
4. ТРАНСПОРТИРОВАНИЕ И ХРАНЕНИЕ
4.1. Камни перевозят транспортом любого вида в соответствии с требованиями ГОСТ 9238 и «Техническими условиями погрузки и крепления грузов».
Камни в открытых вагонах и на грузовых автомобилях следует перевозить в пакетах контейнерах по ГОСТ 20259 или на поддонах по ГОСТ 18343 с перевязкой их стальной лентой по ГОСТ 3560 или проволокой по ГОСТ 3282, обеспечивающих жесткую фиксацию и сохранность камней.
4.2. Запрещается погрузка камней навалом и разгрузка их сбрасыванием.
4.3. Камни следует хранить на складе готовой продукции рассортированными по маркам в штабелях или пакетах высотой до 2 м.
4.4. Камни в штабелях должны быть уложены на деревянные прокладки толщиной не менее 30 мм по ТУ 400—1—225 или прокладки из других материалов, обеспечивающих сохранность. камней, расположенные по вертикали одна под другой на расстоянии 0,2 длины камня от торца. Нижний ряд камней следует укладывать на поперечные прокладки шириной не менее 80 мм.
ПРИЛОЖЕНИЕ 1
Обязательное
РАЗМЕРЫ И ПОКАЗАТЕЛИ МАТЕРИАЛОЕМКОСТИ КАМНЕЙ
1. Размеры камней приведены:
типа БР100 на черт. 2
» БР300 » » 3
» БР600 » » 4
марки БР100.20.8 » » 5
типа БУ300 » » 6
» БУП300 » » 7
марки БУП600.30.32-АIV » » 8
типа БЛ300 » » 9
» БВ100 » » 10
» БК100 » » 11
Примечания:
1. На нелицевой вертикальной поверхности камней допускается делать выемку кессонного типа глубиной не более 50 мм, при этом толщина камня должна быть не менее 80 мм.
2. Допускается по заказу потребителя камни марки БР100.20.8 изготовлять длиной 0,6 и 0,8 м.
3. При технико-экономическом обосновании допускается изготовление камней типов БР100 и БВ100 лицевой поверхностью вниз с установкой монтажных петель в соответствии с приложением 3.
4. Допускается изготовление камней типов БР300 и БР600 с торцевыми гранями, имеющими вертикальные гребни с одной стороны и пазы — с противоположной стороны.
5. Допускается изготовление камней типов БВ100 и БК100 с закруглениями лицевой части радиусом до 30 мм.
6. По согласованию потребителя с разработчиком настоящего стандарта допускается изготовление камней типов БР100, БР300 и БК100 с прерывистым уширением.
7. Показатели материалоемкости приведены в табл. 8.
Камни типа БР100

Черт. 2
Камни типа БР300

Черт. 3
Камни типа БР600

Черт. 4
Камни марки БР100.20.8

Черт. 5
Камни типа БУ300

Черт. 6
Камни типа БУП300

Черт.7
Камни марки БУП600.30.32-AIV

Черт. 8
Камни типа БЛ300

Черт. 9
Камни типа БВ100

Черт. 10
Примечание. Допускается изготовление камней с закруглениями лицевой части радиусом 30 мм.
Камни типа БК100

Черт. 11
Примечание. Допускается изготовление камней с закруглениями лицевой части радиусом 30 мм.
Показатели материалоемкости
Таблица 8
|
|
Расход материалов |
||
|
Марка камня |
Бетон, м3 |
Сталь, кг |
|
|
|
|
на камень |
на 1 м3 бетона |
|
БР100.30.15 |
0,043 |
¾ |
¾ |
|
БР100.30.18 |
0,052 |
¾ |
¾ |
|
БР300.30.15 |
0,126 |
4,85 |
38,49 |
|
БР300.30.18 |
0,153 |
4,94 |
32,29 |
|
БР300.45.18 |
0,234 |
6,86 |
29,32 |
|
БР300.60.20 |
0,351 |
8,03 |
22,88 |
|
БР600.30.15-А-IV |
0,253 |
8,86 |
35,02 |
|
БР600.30.1 8-A-IV |
0,307 |
8,86 |
28,86 |
|
БP600.45.18-A-IV |
0,469 |
12,12 |
25,84 |
|
БP600.45.18-A-V |
0,49 |
8,86 |
18,89 |
|
БP600.60.20-A-IV |
0,704 |
16,68 |
23,69 |
|
БP600.60.20-A-V |
0,704 |
12,82 |
18,21 |
|
БР100.20.8 |
0,016 |
¾ |
¾ |
|
БУ300.30.29 |
0,161 |
5,05 |
31,37 |
|
БУ300.30.32 |
0,188 |
5,14 |
27,34 |
|
БУП300.30.29 |
0,136 |
5,62 |
41,32 |
|
БУП300.30.32 |
0,163 |
5,82 |
35,71 |
|
БУП600.30.32-А-IV |
0,316 |
10,76 |
34,05 |
|
БЛ300.32.68 |
0,421 |
15,76 |
37,43 |
|
БЛ300.32.93 |
0,548 |
19,77 |
36,08 |
|
БЛ300.32.118 |
0,676 |
23,78 |
35,18 |
|
БВ100.30.15 |
0,042 |
¾ |
¾ |
|
БВ100.30.18 |
0,049 |
¾ |
¾ |
|
бк100.30.18.5 |
0,049 |
¾ |
¾ |
|
БК100.30.18.8 |
0,049 |
¾ |
¾ |
|
БК100.30.18.12 |
0,049 |
¾ |
¾ |
|
БК100.30.18.15 |
0,049 |
¾ |
¾ |
|
бк100.30.21.5 |
0,058 |
¾ |
¾ |
|
БК100.30.21.8 |
0,058 |
¾ |
¾ |
|
БК100.30.21.12 |
0,058 |
— |
— |
ПРИЛОЖЕНИЕ 2
Обязательное
Армирование камней
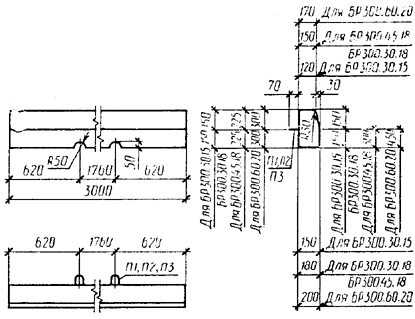
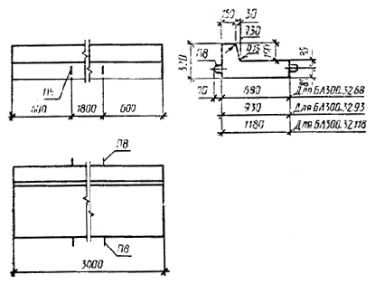
1. Армирование камней длиной 3 м приведено на черт. 12, 14, 15, 17, a камней длиной 6 м — на черт. 13 и 16; детали армирования — на черт. 18.
2. Арматурные изделия приведены на черт. 19—24 и в табл. 9.
3. Спецификация арматурных изделий, расход стали на один камень и на одно арматурное изделие приведены в табл. 10 и 12.
Армирование камней марок БР300.30.15, ВР300.30.18, БР300.45.18 и БР300.60.20
БР300.30.15 И БР300.30.18

БР300.45.18 И БР300.60.20

Черт. 12
Армирование камней марок БР600.30.15-АIV, БР600.30.18-АIV, БP600.45.18-AIV, БР600.60.20-AIV, БP600.45.18-AV и БP600.60.20-AV

Черт. 13




















