СП 105-34-96, часть 7
В процессе раскладки необходимо провести осмотр труб, исправить или вырезать участки труб с поверхностными дефектами в соответствии с требованиями раздела 5 настоящего СП.
4.3.2. Подготовка и обработка торцов труб.
4.3.2.1. Обработку торцов труб с целью уменьшения площади поперечного сечения разделки производят кромкострогальными станками.
4.3.2.2. Для соединения труб с одинаковой толщиной стенки обработка должна быть произведена в соответствии со схемой, приведенной на рис. 4.3.1а.
|
|
|
Рис. 4.3.1. Разделка кромок труб диаметром 1420 мм для двухсторонней автоматической
сварки в защитных газах на оборудовании CRC-Evans AW
а) для труб с одинаковой толщиной стенки;
б) для разнотолщинных труб
4.3.2.3. При соединении разнотолщинных труб разделку более толстостенной трубы следует производить в соответствии со схемой, приведенной на рис. 4.3.1б.
4.3.2.4. Прилегающие к торцам внутреннюю и наружную поверхности труб зачищают до чистого металла на ширину не менее 10 мм.
4.3.2.5. Следует зашлифовать "заподлицо" с поверхностью трубы наружное усиление продольного шва на длине от торца не менее 10 мм.
4.3.2.6. Перед обработкой торца после газовой резки следует зашлифовать "заподлицо" с внутренней поверхностью трубы внутреннее усиление продольного шва на длину не менее 50 мм от торца.
4.3.3. Установка на концах труб направляющих поясов для наружных автоматов.
4.3.3.1. Установку направляющих поясов производят с помощью специальных шаблонов. Направляющие пояса следует устанавливать на торец трубы, обращенный в сторону движения монтажной колонны.
4.3.4. Предварительный подогрев концов труб.
4.3.4.1. Подогрев стыкуемых концов труб производят с помощью установки индукционного подогрева. Температура стыка в момент начала сварки внутреннего корневого шва должна быть не менее 50° С.
4.3.5. Сборка стыка.
4.3.5.1. Сборку стыка производят с помощью специального внутреннего центратора. Центратор следует установить "на стык", отрегулировать положение сварочных головок относительно плоскости стыка и настроить параметры режима сварки.
4.3.5.2. Стык следует собирать без зазора. Допускаются локальные зазоры не более 0,5 мм.
4.3.5.3. Смещение кромок в собранном стыке рекомендуется допускать не более 2 мм.
4.3.6. Сварка стыка.
4.3.6.1.Схема сварки стыка приведена на рис. 4.3.2.

Рис. 4.3.2. Схема сварки стыка
К - корневой
слой, Г - "горячий проход", Зп - заполняющий слой, Обл. -
облицовочный слой (цифра после обозначения слоя указывает на
очередность сварки данного участка в пределах слоя),
-
указывает направление сварки. Количество заполняющих слоев
определяется технологической картой
4.3.6.2. Ориентировочные режимы сварки приведены в табл. 4.3.3.
Таблица 4.3.3
Рекомендуемые режимы автоматической сварки
|
Наименование параметра |
Слои шва (в порядке наложения)
|
||||
|
|
корневой |
горячий проход |
заполняющие |
последний заполняющий |
облицовочный |
|
Направление сварки
|
на спуск |
нa спуск |
на спуск |
на спуск |
на спуск |
|
Скорость сварки, м/ч
|
46 |
76 |
23 |
23±20% |
20±20% |
|
Диаметр проволоки, мм
|
0,9 |
0,9 |
0,9 |
0,9 |
0,9 |
|
Скорость подачи электродной проволоки, м/мин
|
9,7 |
12,7 |
12,7 |
12,7 |
10,7 |
|
Расход газа, л/мин
|
33-47 |
33-47 |
33-47 |
33-47 |
33-47 |
|
Защитный газ Аг/СО
|
75/25 |
0/100 |
0/100 |
0/100 |
75/25 |
|
Вылет электрода, мм
|
9,5 |
9 |
13 |
13 |
9 |
|
Сила тока, А
|
190-210 |
220-260 |
210-250 |
210-250 |
200-230 |
|
Напряжение на дуге, В
|
19-22 |
23-26 |
23-25 |
23-25 |
19-21 |
|
Частота колебаний электрода, мин
|
- |
- |
150 |
150 |
130 |
|
Амплитуда колебаний электрода, мм
|
регулируется по ширине разделки
|
||||
|
Угол наклона электрода, градус (углом вперед)
|
6 |
6 |
6 |
6 |
6 |
|
Вид тока: постоянный, обратной полярности (+ на электроде)
|
|||||
4.3.6.3. Сварку корневого шва выполняют изнутри трубы многоголовочным автоматом, расположенным между рядами жимков внутреннего центратора: последовательно три головки сваривают правый, а три другие головки - левый полупериметры стыка труб.
4.3.6.4. Сварку первого наружного шва ("горячего прохода") производят двумя наружными автоматами, передвигающимися по установленному ранее направляющему поясу, сверху вниз.
Сварку "горячего прохода" следует выполнять одновременно со сваркой внутреннего корневого шва. Рекомендуется начинать сварку после того, как внутренним корневым слоем будет сварено 200-250 мм на соответствующем полупериметре трубы. Каждый наружный автомат сваривает половину стыка.
4.3.6.5. После завершения сварки "горячего прохода" следует освободить жимки центратора и с помощью механизма самохода сдвинуть центратор внутрь трубопровода. До завершения сварки "горячего прохода" запрещается освобождать жимки центратора.
4.3.6.6. После сварки следует осмотреть внутренний корневой шов и, в случае необходимости, произвести выборку дефектов с помощью шлифмашинки и полуавтоматическую сварку в защитных газах дефектных участков шва. Ориентировочные режимы сварки приведены в табл. 4.3.4.
Таблица 4.3.4
Рекомендуемые режимы полуавтоматической сварки
|
Скорость сварки, м/ч |
Тип проволоки |
Диаметр проволоки, мм |
Защитный газ |
Расход газа, л/мин |
Вид тока и полярность |
Сила тока, А |
Напряжение на дуге, В
|
|
10-12 |
"Thyssen K-Nova" ER 70S-6 |
0,9 |
75% аргон и 25% углекислый газ |
37-40 |
постоянный обратной полярности |
140 - 150 |
19,0-20,0 |
4.3.6.7. В случае отказа в работе одной или нескольких внутренних сварочных головок и образования в связи с этим несваренных участков внутреннего корневого шва рекомендуется следующий порядок действий:
- повторное включение отказавших головок для сварки пропущенных участков;
- в случае повторения отказа производится автоматическая сварка 1-го наружного слоя (горячего прохода) на тех участках периметра трубы, где внутренний корневой шов был сварен;
- освобождение жимков центратора и перемещение его внутрь трубопровода;
- осмотр внутреннего корневого шва и полуавтоматическая сварка в защитных газах пропущенных участков;
- доварка автоматами 1-го наружного слоя.
4.3.6.8. Операции, проводимые по п.п. 2.3.6.6 и 2.3.6.7, следует рассматривать как составную часть техпроцесса при использовании оборудования "CRC-Evans AW" и предусматривать при составлении технологических карт на автоматическую сварку.
4.3.6.9. Операции по п.п. 2.3.6.6 и 2.3.6.7 можно проводить с использованием ручной дуговой сварки покрытыми электродами участков внутреннего корневого шва при условии аттестации такой технологии.
4.3.6.10. Сварку заполняющих и облицовочного слоев шва выполняют "на спуск" с поперечными колебаниями электродной проволоки одновременно двумя наружными автоматами, при этом каждый автомат сваривает половину стыка.
Для защиты от осадков и во избежание сдувания ветром потока защитного газа сварку наружных слоев шва выполняют в укрытии.
4.3.6.11. Количество заполняющих слоев выбирается в зависимости от толщины стенки трубы. Ориентировочно количество заполняющих слоев составляет:
- для труб с толщиной стенки 18,3 мм - 3-4 слоя;
- для труб с толщиной стенки 21,8 мм - 4-5 слоев;
- для труб с толщиной стенки 27,1 мм - 6-7 слоев.
4.3.6.12. Сварку наружных слоев шва (за исключением последнего заполняющего и облицовочного слоев) выполняют на режимах, не зависящих от пространственного положения. В процессе сварки следует корректировать положение электродной проволоки поперек стыка и вылет электродной проволоки.
Сварку последнего заполняющего и облицовочного слоев следует выполнять с дополнительным регулированием скорости сварки в пределах ±20% от номинальной для предотвращения отекания металла сварочной ванны на вертикальных участках, регулирования степени заполнения разделки, а также формы и размеров облицовочного слоя в разных пространственных положениях.
Амплитуду колебаний при сварке облицовочного шва выбирают из расчета перекрытия швом разделки по ширине на 1,5-2,0 мм в каждую сторону.
Сварку заполняющих слоев производят в углекислом газе, а облицовочного - в смеси углекислого газа с аргоном.
4.3.6.13. В процессе сварки наружных слоев шва участки замков следует тщательно зашлифовывать для удаления кратерных трещин и предотвращения образования дефектов типа непроваров.
Замки смежных слоев шва должны быть смещены на расстояние не менее 100 мм.
4.3.6.14. Геометрические параметры корневого и облицовочного слоев шва должны соответствовать требованиям п. 9.5 и табл. 6 раздела 9 СП.
4.3.6.15. После сварки каждого слоя обязательна зачистка от шлака и брызг его поверхности металлическими щетками или абразивными кругами.
4.3.6.16. После завершения сварки следует провести визуальную оценку качества облицовочного слоя. Обнаруженные дефекты сварного шва (поры, подрезы и др.) следует устранить сваркой до радиографического контроля.
4.3.6.17. Операцию по п. 2.3.6.16 следует рассматривать как составную часть техпроцесса при использовании оборудования "CRC-Evans AW" и предусматривать при составлении технологических карт на автоматическую сварку.
5. ТЕХНОЛОГИЯ ВЫПОЛНЕНИЯ СПЕЦИАЛЬНЫХ И РЕМОНТНЫХ СВАРОЧНЫХ РАБОТ
5.1. Сварка встык разнотолщинных элементов
5.1.1. При
непосредственной сварке (без переходников и трубчатых вставок
промежуточной толщины) соединений, разность толщин которых превышает
требования п. 2.4.1 настоящей Инструкции, предварительно должна быть
выполнена специальная подготовка кромок изнутри и (или) снаружи более
толстостенного элемента с толщиной стенки t
до толщины свариваемого торца t
,
которая не должна превышать 1,5 толщины менее толстостенного элемента
t
(см. рис. 5 СП).
В результате
условием непосредственного соединения является величина "новой"
толщины t
.
При этом t![]()
t
.
По величине t
определяются такие технологические параметры, как необходимость и
величина:
- предварительного подогрева;
- местной послесварочной термической обработки (см. раздел 6).
В случае отсутствия специальных требований завода-изготовителя температура подогрева должна быть при толщине торца крана или фиттинга:
- 28 мм и менее ......................................................... 150 °С
- более 28 мм ............................................................. 200 °С
5.1.2. Стыки сварных соединений по п. 5.1.1 должны быть подварены изнутри по всему периметру с обеспечением геометрических параметров, регламентированных п. 2.6.10.4.
5.1.3. Сварка разнотолщинных элементов должна проводиться за один прием без перерыва.
5.1.4. Если "юбка" арматуры не имеет заводского приварного патрубка, соответствующего размерам и марке стали свариваемой трубы, а ее состав отличается от химического состава свариваемой трубы в сторону большего легирования (никелем, алюминием, хромом, содержанием марганца более 2% и т.д.), то в этом случае требуется выбор специальных материалов и специальной технологии по рекомендации Заказчика.
В данном случае условия сварки оформляются актом, где указываются:
- номер арматуры;
- марка стали, химический состав "юбки" и ее прочностные свойства;
- толщина t
свариваемого торца;
- условия предварительного подогрева и (при необходимости) послесварочной термообработки;
- схема последовательности заполнения разделки;
- клейма сварщиков;
- заключения радиографического (и ультразвукового) контроля.
Пример технологической карты на сварку соединительных деталей приведен в прил. 6.
5.2. Сварка захлестов
5.2.1. Место для захлеста при опережающем строительстве переходов и горизонтальных углов поворота (см. раздел 2.1) следует выбирать на прямолинейных участках.
5.2.2. Приямки следует отрывать по ходу разработки траншей с точной привязкой к месту захлеста.
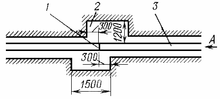
Размеры приямка должны быть не менее показанных на рис. 5.2.1.


Рис. 5.2.1. Расположение приямка при сварке захлеста:
1 - стык захлеста; 2 - приямок в траншее; 3 - трубопровод
Разрыв по засыпке трубопровода должен обеспечить свободный монтаж захлеста. При этом в траншее необходимо оставлять незасыпанным один из примыкающих участков трубопровода на расстоянии 60-80 м от планируемого места захлесточного стыка.
5.2.3. Практика предварительного планирования захлестов в местах необходимых технологических разрывов (см. раздел 2.1) должна обеспечить выполнение захлестов без отставаний от линейного потока.
5.2.4. Преимущественным видом монтажа технологического захлеста является вариант, когда оба конца трубопровода свободны (не засыпаны землей) и находятся в траншее (или на ее "бровке").
В зависимости от конкретных условий строительства может быть применен также вариант, когда один конец трубопровода защемлен (засыпан или соединен, например, с крановым узлом), а другой имеет свободное перемещение.
5.2.5. В тех случаях, когда обеспечивается полное или одностороннее свободное перемещение трубопровода, замыкание трубопровода следует осуществлять сваркой одного кольцевого стыка-захлеста (рис. 5.2.2, схема а).


Рис. 5.2.2. Две схемы сварки захлестов:
а - сварка захлеста без нагрузки;
б - сварка захлеста с нагрузкой
В том случае, если оба конца защемлены (рис. 5.2.2, схема б), возникает необходимость вварки катушки с выполнением двух кольцевых стыков.
5.2.6. Сборка разнотолщинных элементов при монтаже захлестов не допускается.
5.2.7. При монтаже захлестов запрещается:
- натягивать стыкуемые трубы;
- изгибать их силовым воздействием механизмов;
- нагревать трубу вне зоны непосредственного монтажа захлесточного стыка.
5.2.8. При выполнении захлеста в условиях свободного перемещения трубопровода (рис. 5.2.2, схема а) работы необходимо проводить в следующей последовательности:
- один из концов трубопровода заранее подготовить под сварку и уложить на опоры высотой 50-60 см по оси трубопровода;
- плеть, образующую другой участок трубопровода, вывешивать рядом с первой и производить разметку места реза только с помощью унифицированного шаблона;
- произвести резку и формирующую разделку с помощью унифицированной кромкорезательной машины;
- в процессе стыковки осуществить подъем обрезанной плети трубоукладчиками на высоту не более 1 м на расстоянии 60-80 м от конца; упругое провисание обрезанного торца позволяет совместить один торец с другим;
- не допускается стропить трубу для подъема в местах расположения кольцевых сварных швов.
5.2.9. При выполнении захлеста в условиях защемления концов трубопровода (рис. 5.2.2, схема б) работы необходимо проводить в следующей последовательности:
- концы соединяемых труб обрезать и подготовить под сварку в соответствии с общими требованиями п. 4.2.8;
- изготовить катушку из трубы с той же фактической толщиной стенки, того же диаметра и того же прочностного класса, что и соединяемые трубы; ширина катушки должна быть не менее диаметра соединяемой трубы; равенство толщин стенок катушки и соединяемой трубы должны регистрироваться с помощью УЗК-толщиномера;
- с помощью трубоукладчика пристыковывают катушку к трубопроводу, выставляют требуемый зазор (см. п. 2.4.4) и производят сварку;
- сборку второго стыка начинают производить по окончании сварки первого стыка.
5.2.10. Перерывы в процессе сварки захлестов недопустимы: захлест должен быть сварен за один прием - от начала до конца.
5.2.11. Смещение кромок в потолочной части от "5 часов" до "7 часов" должно быть не более 1 мм, на остальной части периметра, согласно общей регламентации, не более 3 мм.
5.2.12. Величина зазора, измеряемая после выполнения прихваток, должна составлять 2,5±0,5 мм независимо от толщины стенки трубы. Если в процессе сборки не удалось выдержать минимально допустимый зазор (фактический зазор оказался меньше 2 мм), этот участок должен быть пропилен абразивным кругом толщиной 2,5 мм.
5.3. Ремонт сварных соединений сваркой
5.3.1. Во всех случаях ремонт дефектных участков швов должен осуществляться путем их вышлифовки с помощью абразивных кругов соответствующей толщины.
5.3.2. Ремонт кольцевых сварных швов возможен только в случае, если суммарная протяженность любых недопустимых дефектов не превышает 1/6 периметра стыка.
5.3.3. Участки сварных швов с любыми трещинами, кроме кратерных, ремонту на данном газопроводе не подлежат.
5.3.4. Ремонт может быть только однократным.
5.3.5. Ремонт сварных стыков снаружи трубы производят, если недопустимые дефекты расположены в заполняющих или облицовочном слое шва. Допускается производить ремонт дефектов в корневом слое снаружи трубы, используя метод сквозного проплава.
5.3.6. Ремонт сварных стыков изнутри трубы производят, если недопустимые дефекты расположены в металле горячего прохода, в корневом или подварочном слоях шва. При ремонте изнутри напряжение шлифовальной машинки не должно превышать 36 В. У торца трубопровода должны постоянно находиться два члена бригады, которые поддерживают непрерывную связь с электросварщиком, работающим внутри трубопровода. Максимальное расстояние от места работы электросварщика до ближайшего разрыва не должно превышать 36 м.
5.3.7. Участки сварных швов с недопустимыми смещениями кромок не разрешается ремонтировать с использованием вышлифовки и (или) подбивки.
5.3.8. При заварке наружного или внутреннего дефектного участка, имеющего после вышлифовки протяженность менее 100 мм, разрешается осуществлять снаружи локальный местный нагрев (паяльной лампой, однопламенной горелкой и т.д.) с обязательным контролем температуры. Во всех других случаях необходим равномерный предварительный подогрев всего периметра стыка многопламенной кольцевой горелкой.
5.3.9. Место расположения ремонтируемого дефекта определяет и фиксирует (отмечает на трубе несмываемой краской) контролер.
5.3.10. Разметку дефектного участка под вышлифовку производит бригадир звена ремонтных работ. При этом длина вышлифовки должна превышать фактическую длину наружного или внутреннего дефекта не менее чем на 30 мм в каждую сторону.
5.3.11. Разметку внутреннего дефектного участка проводят с помощью кольцевого шаблона с нанесенными делениями, которые соответствуют показаниям мерного пояса.
5.3.12. Ширина вышлифованного участка при ремонте снаружи дефектов в заполняющих слоях шва должна быть не менее 15 мм. Ширина внутренних вышлифованных участков должна быть не менее 8 мм.
5.3.13. Глубина вышлифованного участка равна глубине залегания дефекта h +1 мм.
5.3.14. При организации ремонтных работ технологическое оборудование и оснастку следует размещать в передвижных блоках.
5.3.15. При ремонте изнутри трубы передвижные блоки следует располагать вблизи мест разрывов нитки газопровода.
5.3.16. На одном стыке ремонтные работы от начала до конца должен осуществлять один и тот же сварщик.
5.3.17. В журнале сварочных работ по исправлению дефекта необходимо указать:
- клеймо и фамилию сварщика-ремонтника;
- характеристику ремонтируемого дефекта;
- подпись мастера специальных работ и одобрение контролера (виза).
6. МЕСТНАЯ ПОСЛЕСВАРОЧНАЯ ТЕРМИЧЕСКАЯ ОБРАБОТКА
6.1. Местная послесварочная термическая обработка (ПСТО), осуществляемая по режиму высокого отпуска, для данного газопровода производится для уменьшения химической и структурной неоднородности металла шва и зоны термического влияния и для снижения остаточных напряжений до безопасного уровня.
6.2. Местная
послесварочная термическая обработка должна производиться для
разнотолщинных элементов с критической величиной толщины стенки
(см. рис. 5 СП), регламентируемой СП.
6.3. Основным способом нагрева металла при ПСТО является индукционный нагрев с помощью гибких пальцевых электронагревателей сопротивления (ГЭНов).
6.4. На линии газопровода диаметром 1420 мм в одном поясе ГЭНа должно быть 4 секции, а в каждой секции 34 пальца. При этом количество поясов должно быть не менее трех.
6.5. Для ПСТО с помощью ГЭНов питание осуществляется от передвижных электростанций мощностью 150 кВА.
6.6. Контроль температурного режима следует осуществлять автоматическими самопишущими потенциометрами. В качестве датчиков следует использовать термоэлектрические термометры, диаметр термоэлектродов должен быть 1,2-2,0 мм.
6.7. К ПСТО сварных соединений следует допускать термистов-операторов, имеющих удостоверение об окончании курсов по специальности "термист-оператор по термической обработке сварных соединений на монтаже".
6.8. Условия организации рабочего места при проведении ПСТО должны соответствовать разделу "послесварочная термическая обработка" СП.
6.9. Сварное соединение должно быть подвергнуто ПСТО непосредственно после контроля сварки, перерывы в процессе ПСТО не допускаются.
При вынужденных перерывах должно быть обеспечено медленное охлаждение сварного соединения до 300 °С. В случае повторного нагрева время повторной и вторичной выдержки суммируется.
6.10. Режимы ПСТО следующие:
- температура нагрева 575-600 °С;
- скорость нагрева: не более 150 °С/ч, начиная с температуры 300 °С (до этой температуры не регламентируется);
- время выдержки
55-65 мин в зависимости от величины толщины стенки t
(рис. 5 СП);
- условия охлаждения: с нагревателем (после его отключения от источника тока) до 300 °С, далее - на воздухе.
6.11. Основные технологические операции при проведении ПСТО следующие:
- установка термометров (п. 5.6), монтаж нагревательных устройств (пл. 5.3, 5.4) и установка теплоизоляционных матов (материалы на основе асбеста применять запрещается);
- включение термометров в измерительную цепь потенциометра;
- соединение нагревательного устройства с источником питания (п. 5.5);
- осуществление режима ПСТО (п. 5.10);
- демонтаж теплоизоляции, нагревательного устройства и термометров.
6.12. Для контроля температуры необходим монтаж четырех термометров. Горячий спай термопары следует крепить на поверхности кольцевого монтажного или продольного заводского шва.
После демонтажа крепления горячего спая место крепления должно быть восстановлено электродом с основным видом покрытия с последующей зашлифовкой под профиль сварного шва.
6.13. Демонтаж теплоизоляции, нагревательного устройства и термометров разрешается только после охлаждения сварного соединения до температуры ниже 300 °С.
6.14. ГЭН следует наматывать на сварное соединение симметрично оси сварного шва по слою теплоизоляции с зазором между витками 30-40 мм.
Крепление ГЭНов следует производить поясом из жаропрочной стали.
6.15. Ширина теплоизоляционного пояса должна быть на 80-100 мм больше ширины нагрева. Толщина пояса непосредственно на нагреваемой зоне должна быть не менее 40 мм, а на периферийных участках - не менее 20 мм.
При ПСТО в условиях отрицательных температур толщину слоя теплоизоляции следует увеличить по всей ширине не менее чем в 1,5 раза.
6.16. Если под ПСТО подпадают подлежащие ремонту стыки, то ремонт должен быть осуществлен до термической обработки.
Если по каким-либо причинам эта последовательность не соблюдена, то ПСТО следует повторить.
Приложение 2
АКТ
АТТЕСТАЦИИ ТЕХНОЛОГИИ СВАРКИ ДЛЯ ПРИМЕНЕНИЯ
НА СТРОИТЕЛЬСТВЕ ГАЗОПРОВОДА
АКТ № ____
аттестации технологии сварки для применения на строительстве газопровода
_____________________________________________________
(указать название трассы, местонахождение и пикетаж участка,
_____________________________________________________
номер контракта)
1. Название и адрес организа-______________________________________
ции, проводящей аттестацию ___________________________________
технологии сварки ____________________________________________
2. Название и адрес организа- __________________________________
ции - разработчика техноло- __________________________________
гии сварки _________________________________
3. Состав комиссии, проводя-_____________________________________
щей аттестацию технологии ____________________________________
Председатель: _________________________________________________
Члены комиссии: _______________________________________________
в том числе обязательно: ______________________________________
Представитель технадзора За-___________________________________
казчика _______________________________________________________
Контролеры с указанием ква-____________________________________
лификации _____________________________________________________
Представитель разработчика ____________________________________
технологии сварки _____________________________________________
4. Дата аттестации ____________________________________________
5. Перечень документации, _____________________________________
согласно которой проводится ___________________________________
аттестация: ___________________________________________________
5.1. СНиП или др.______________________________________________
5.2. Инструкция по техноло-____________________________________
гии сварки (название, кем и ___________________________________
когда разработана и утвержде-__________________________________
на)
5.3. Технологические карты: ___________________________________
(номера и названия техноло- ___________________________________
гических карт, кем и когда ____________________________________
разработаны и утверждены)
6. Состав бригады сварщиков,___________________________________
участвующих в аттестации ______________________________________
технологии сварки: ____________________________________________
-
№
п/п
Ф.И.О. сварщика
Клеймо сварщика
Содержание работы, выполняемой в бригаде
7. Название и краткая харак-___________________________________
теристика процесса сварки, ____________________________________
предъявляемого к аттестации ___________________________________
8. Количество сваренных сты-___________________________________
ков ___________________________________________________________
9. Диаметр и толщина стенки ___________________________________
трубы, класс прочности ________________________________________
10. Разделка кромок ___________________________________________
11. Схема сварки шва (число ___________________________________
слоев, подварка) ______________________________________________
12. Марки сварочных мате- _____________________________________
риалов ________________________________________________________
13. Род тока __________________________________________________
14. Положение сварки __________________________________________
15. Предварительный подогрев___________________________________
16. Перечень используемого ____________________________________
оборудования___________________________________________________
17. Другие данные, в том числе ________________________________
погодные условия при прове-____________________________________
дении испытаний технологии_____________________________________
18. Результаты аттестации:
Аттестация технологии сварки проведена в соответствии с вышеупомянутой
нормативной документацией; технология сварки рекомендуется к применению
при строительстве участка газопровода ______________________________
____________________________________________________________________
(название и пикетаж участка)
строительно-монтажной организацией _________________________________
____________________________________________________________________
(название организации)
Приложения:
1. Нормативная документация по п. 5.
2. Протокол неразрушающего контроля сварных соединений.
3. Протокол механических испытаний.
Дата Место проведения аттестации
Ф.И.О. и подписи членов
комиссии
Приложение
к акту аттестации технологии сварки
ПРОТОКОЛ
механических испытаний стыков, сваренных при аттестации технологии сварки
Дата Место проведения испытаний
Название технологии сварки ____________________________________
Номер технологической карты ___________________________________
Название службы контроля, _____________________________________
проводящей испытания __________________________________________
Ф.И.О. контролеров, их ква-____________________________________
лификация _____________________________________________________
Ф.И.О. инспектора службы ______________________________________
технадзора ____________________________________________________


