ВСН 30-77
Государственный комитет по гражданскому
строительству и архитектуре при Госстрое СССР
(Госгражданстрой)
Инструкция
по проектированию двухступенчатых бескомпрессорных систем
кондиционирования воздуха
ВСН 30-77
Гражданстрой
Утверждена
приказом Государственного комитета
по гражданскому строительству
и архитектуре при Госстрое СССР
от 7 февраля 1977г. № 29
Содержание
1. Общие положения
2. Схемы двухступенчатых бескомпрессорных систем кондиционирования воздуха, режимы их работы, конструктивные решения
Приложения
1. Принцип работы двухступенчатых бескомпрессорных систем кондиционирования воздуха
2. Теплотехнический расчет двухступенчатых бескомпрессорных систем кондиционирования воздуха
Графоаналитический метод расчета
Аналитический метод расчета
3. Примеры расчета
Пример 1
Пример 2
Пример 3
Настоящая Инструкция разработана ЦНИИЭП инженерного оборудования Госгражданстроя.
Инструкция содержит материалы по проектированию двухступенчатых бескомпрессорных систем кондиционирования воздуха (БСКВ).
Редакторы инж. И. А. Уланова (Госгражданстрой), канд. техн. наук Л. М. Зусманович, инженеры З. П. Добрынина, Т. Ю. Кулжинская (ЦНИИЭП инженерного оборудования.
|
|
Ведомственные |
СН 522-79 |
|
Государственный |
строительные нормы |
Госгражданстрой |
|
комитет по гражданскому строительству и архитектуре при Госстрое СССР |
Инструкция по проектированию двухступенчатых бескомпрессорных систем кондиционирования воздуха |
– |
1. Общие положения
1.1. Настоящая Инструкция распространяется на проектирование двухступенчатых бескомпрессорных систем кондиционирования воздуха (БСКВ), предназначенных для применения во вновь строящихся и реконструируемых общественных зданиях, в производственных и вспомогательных зданиях промышленных предприятий, в которых соответствующими нормативными документами предусматривается кондиционирование воздуха.
Бескомпрессорные системы кондиционирования воздуха холодопроизводительностью более 1 гкал/ч должны применяться, как правило, при технико-экономическом обосновании.
Примечание. При проектировании двухступенчатых бескомпрессорных систем кондиционирования воздуха следует руководствоваться также требованиями соответствующих глав СНиП и других нормативных документов, утвержденных или согласованных с Госстроем СССР или Госгражданстроем в установленном порядке.
1.2. Двухступенчатые бескомпрессорные системы кондиционирования воздуха должны применяться для обеспечения в обслуживаемых помещениях оптимальных или промежуточных между оптимальными и допустимыми метеорологических условий, а также метеорологических условий по технологическим требованиям в соответствии с требованиями главы СНиП по проектированию отопления, вентиляции и кондиционирования воздуха.
1.3. Двухступенчатые бескомпрессорные системы кондиционирования воздуха не следует применять в районах с влажным климатом, где расчетные параметры наружного воздуха теплого периода года, соответствующие параметрам Б, превышают каждый в отдельности следующие значения:
относительная влажность – 65 %,
температура точки росы – 18 ° С.
2. Схемы двухступенчатых бескомпрессорных систем кондиционирования воздуха, режимы их работы, конструктивные решения
2.1. Двухступенчатые бескомпрессорные системы кондиционирования воздуха следует проектировать с применением приточных и испарительных кондиционеров. При проектировании следует применять двухступенчатые бескомпрессорные системы, схемы которых приведены на рис. 1 и 2, принцип работы – в прил. 1, а методика и примеры расчетов – в прил. 2 и 3.
2.2. Схему, приведенную на рис. 1, как правило, следует применять при кондиционировании воздуха в одном или нескольких помещениях, в которых при подаче воздуха с одинаковыми параметрами должны быть обеспечены требуемые метеорологические условия.
Приточный и испарительный кондиционеры (рис. 1) следует проектировать равной производительности по воздуху.
2.3. При проектировании двухступенчатых бескомпрессорных систем кондиционирования воздуха по схеме, приведенной на рис. 1,
|
Внесены ЦНИИЭП инженерного оборудования Госгражданстроя при Госстрое СССР |
Утверждены приказом Государственного комитета по гражданскому строительству и архитектуре при Госстрое СССР от 7 февраля 1977 г. № 29 |
Срок введения в действие 1 июля 1977 г. |
приточный кондиционер в теплый период года должен обеспечивать охлаждение приточного воздуха в теплообменниках I и II при постоянном его влагосодержании (сухое охлаждение). Испарительный кондиционер в этот период года должен обеспечивать охлаждение воды, циркулирующей в теплообменниках I и II приточного кондиционера.

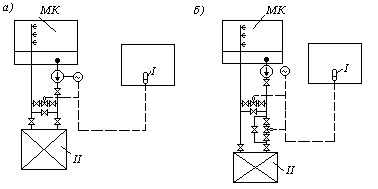
Рис. 1. Рабочая схема двухступенчатой бескомпрессорной системы кондиционирования воздуха
1, 2, 3, 4 – состояние воздуха при его обработке в приточном кондиционере; 5, 6, 7, 8 – состояние воздуха при его обработке в испарительном кондиционере; I , II , III – теплообменники (воздухоохладители); К-I , K-II – соответственно теплообменники первого и второго подогрева; МК – оросительная камера малого контура циркуляции; БК – оросительная камера большого контура циркуляции; IV , V – соответственно вентиляторы испарительного и приточного кондиционеров; VI , VII – соответственно циркуляционные насосы малого и большого контуров циркуляции; VIII – воздушные заслонки; IX – насос для адиабатического увлажнения воздуха; X – испарительный кондиционер; XI – приточный кондиционер; XII – бак-аккумулятор; XIII – шумоглушитель; XIV – вытяжной или рециркуляционный воздух; XV – наружный воздух; XVI – выброс в атмосферу; XVII – места присоединения к трубопроводам ТЭЦ; XVIII – кран для спуска воды из теплообменников; XIX – фильтр; XX – обслуживаемые помещения

Рис. 2. Рабочая схема бескомпрессорной системы кондиционирования воздуха при обслуживании разнохарактерных помещений
I
,
II
, III
–
теплообменники (воздухоохладители); МК
–
оросительная камера малого контура циркуляции; БК
–
оросительная камера большого контура циркуляции; IV
, V
–
соответственно вентиляторы испарительного и приточного кондиционеров;
VI
, VII
–
соответственно циркуляционные насосы малого и большого контуров
циркуляции; VIII
–
соленоидные клапаны; IX
–
взаимообратные клапаны; Х
–
регуляторы давления; XI
–
наружный или рециркуляционный воздух; XII
–
наружный воздух (в теплый период года); XIII
–
выброс в атмосферу; XIV
–
приток в обслуживаемые помещения; XV
–
испарительный кондиционер; XVI
–
приточный кондиционер; XVII
–
калорифер;
–
подающая линия;
–
–
–
–
–
обратная линия.
2.4. При проектировании двухступенчатых бескомпрессорных систем кондиционирования воздуха по схеме, приведенной на рис. 1, в летний период года следует предусматривать следующие режимы работы:
а) приточного кондиционера: на наружном воздухе или на смеси наружного и рециркуляционного воздуха;
б) испарительного кондиционера: на рециркуляционном (вытяжном) воздухе, на наружном воздухе, на смеси наружного и рециркуляционного воздуха.
2.5. При теплосодержании вытяжного воздуха меньшем или равном теплосодержанию наружного воздуха следует предусматривать работу испарительного кондиционера на рециркуляционном (вытяжном) воздухе. При этом, как правило, он должен выполнять функции вытяжных систем обслуживаемых помещений.
2.6. В холодный и переходный периоды года испарительный кондиционер следует применять в качестве приточной установки, обеспечивающей нагревание приточного воздуха в теплообменниках первого (К-I ) и второго (К-II ) подогревов и его адиабатическое увлажнение в оросительной камере МК . При этом приточный кондиционер не должен работать (рис. 1).
2.7. Теплообменник первого подогрева для холодного и переходного периодов года следует устанавливать перед теплообменником III с самостоятельным подключением к тепловой сети (рис. 1).
2.8. В качестве теплообменника первого подогрева допускается использовать часть поверхности третьего теплообменника. Эту часть поверхности в холодный и переходный периоды следует подключать к тепловой сети по схеме, приведенной на рис. 3 и рис. 6,а и б. В теплый период года эта часть поверхности должна включаться в общую поверхность теплообменника III для охлаждения воздуха.
2.9. На горячем и обратном трубопроводах к части поверхности теплообменника III , используемой в качестве теплообменника первого подогрева в соответствии с п. 2.8 настоящей Инструкции, следует предусматривать установку запорной арматуры на расстоянии не менее 1,5 – 2 м от теплообменника III .
В холодный и переходный периоды года следует предусматривать спуск воды из неработающей части теплообменника III (рис. 3).

Рис. 3. Схема обвязки трубопроводами испарительного кондиционера
I – обратный клапан; II – взаимообратные клапаны; III – теплообменник (воздухоохладитель); К-I – теплообменник первого подогрева (элемент теплообменника III ); МК – оросительная камера малого контура циркуляции; БК – оросительная камера большого контура циркуляции; К-II – теплообменник второго подогрева; IV – вентилятор испарительного кондиционера; V – спуск воды в канализацию; VI , VII – соответственно циркуляционные насосы малого и большого контура циркуляции; VIII – канализационная линия; IX – трубопроводы к теплообменнику I приточного кондиционера; Х – трубопроводы к теплообменнику II приточного кондиционера; -г-г- горячая магистраль; -о-о- обратная магистраль
2.10. Для адиабатического увлажнения воздуха в холодный и переходный периоды года следует использовать камеру орошения МК с установкой отдельного циркуляционного насоса IX (рис. 1).
2.11. Теплообменник второго подогрева К-II должен устанавливаться непосредственно после камеры орошения БК (рис. 1). Допускается применять в качестве теплообменника второго подогрева зональные подогреватели.
2.12. Компоновку испарительных кондиционеров следует выполнять в соответствии с рис. 4.

Рис. 4. Типовые компоновки испарительного кондиционера
а – для схемы бескомпрессорной системы кондиционирования воздуха, приведенной на рис. 1; б – для схемы бескомпрессорной системы кондиционирования воздуха, приведенной на рис. 2; 1 – приемный клапан; 2 – камера обслуживания; 3 – теплообменник первого подогрева; 4 – клапан воздушный; 5 – фильтр; 6 – теплообменники (воздухоохладители); 7 – камеры оросительные; 8 – секция присоединительная к вентилятору; 9 – вентиляторный агрегат; 10 – теплообменник второго подогрева; 11 – наружный воздух; 12 – рециркуляционный воздух
2.13. При проектировании бескомпрессорных систем кондиционирования воздуха по схемам, приведенным на рис. 1 и 2, испарительный и приточный кондиционеры допускается располагать как в одном помещении, так и в разных помещениях.
2.14. Приточные кондиционеры следует располагать, как правило, ниже испарительных кондиционеров. При этом для предотвращения слива воды из трубопроводов их следует присоединять к коллекторам оросительных камер с помощью петель (гидравлических затворов) (рис. 1), а также предусматривать переливные и сливные линии от поддонов оросительных камер (рис. 3). У циркуляционных насосов следует устанавливать обратные клапаны.
2.15. Допускается располагать приточные кондиционеры выше испарительных кондиционеров. При этом для предотвращения слива воды из теплообменников и трубопроводов в поддоны оросительных камер необходимо предусматривать следующие мероприятия:
теплообменники I , II и III следует присоединять к трубопроводам с помощью петель (рис. 1, 2 и 3); у циркуляционных насосов следует устанавливать обратные клапаны; на трубопроводах, подводящих воду к форсункам, как правило, следует устанавливать соленоидные клапаны или другие автоматические быстро закрывающиеся устройства, приводы которых следует блокировать с приводами циркуляционных насосов.
2.16. Схему двухступенчатой бескомпрессорной системы кондиционирования воздуха, приведенную на рис. 2, следует применять при кондиционировании воздуха в разнохарактерных помещениях.
При применении этой схемы производительность испарительного кондиционера по воздуху следует принимать равной суммарной производительности теплообменников II приточного кондиционера, работающих в качестве доводчиков.
2.17. При проектировании двухступенчатой бескомпрессорной системы кондиционирования воздуха по схеме, приведенной на рис. 2, необходимо предусматривать следующие режимы работы приточного кондиционера: круглогодичное кондиционирование воздуха, летнее охлаждение приточного воздуха.
Типовые компоновки приточных кондиционеров в зависимости от их назначения приведены на рис. 5.

Рис. 5. Типовые компоновки приточных кондиционеров
а – для схемы бескомпрессорной системы кондиционирования воздуха, приведенной на рис. 1; б – для схемы бескомпрессорной системы кондиционирования воздуха, приведенной на рис. 2; I – при использовании приточного кондиционера в качестве круглогодичной установки; II – при использовании приточного кондиционера в качестве охлаждающей установки; 1 – вентагрегат; 2 – камера обслуживания; 3 – теплообменники (воздухоохладители); 4 – вставка; 5 – камера орошения; 6 – фильтр; 7 – камера воздушная
2.18. При проектировании двухступенчатых бескомпрессорных систем кондиционирования воздуха теплообменники I и II приточных кондиционеров следует располагать на нагнетательной стороне вентиляторов.
2.19. В районах с большими перепадами между дневными и ночными температурами приточные кондиционеры допускается оснащать баками-аккумуляторами для использования ночного холода. Баки-аккумуляторы следует присоединять по схеме, приведенной на рис. 1.
2.20. Приточный и испарительный кондиционеры двухступенчатых бескомпрессорных систем кондиционирования воздуха, как правило, следует компоновать из типовых секций центральных кондиционеров.
2.21. Теплообменники I , II и III в приточных и испарительных кондиционерах следует компоновать из типовых секций воздухонагревателей или воздухоохладителей. Допускается компоновка теплообменников I и II из пластинчатых или спирально-навивных калориферов, выпускаемых промышленностью.
Следует предусматривать параллельное присоединение теплообменников по холодоносителю при общем противоточном движении теплообменивающихся сред. Принципиальные схемы компоновки теплообменников I , II и III , схемы их обвязки приведены на рис. 6.

Рис. 6. Принципиальная схема обвязки теплообменников (см. пп. 2.7 и 2.8)
а – теплообменников I и III из калориферов типа КВБ; б – теплообменников I и III из калориферов типа К4ВП или из типовых секций кондиционеров К-30 и Кт-40; в – теплообменника II из калориферов типа К4ВП, КВБ или из типовых секций кондиционеров типа Кт-60 и Кт-80; 1 – трубопровод холодной воды от камеры орошения; 2 – трубопровод отепленной воды к камере орошения; 3 – кран для удаления воздуха; 4 – трубопровод горячей воды из теплосети; 5 – трубопровод обратной воды в теплосеть; 6 – кран для спуска воды; 7 – охлаждаемый поток воздуха
2.22. При проектировании двухступенчатых бескомпрессорных систем кондиционирования воздуха необходимо предусматривать следующие схемы автоматического регулирования температуры воздуха в обслуживаемых помещениях в теплый период года:
а) двухпозиционное регулирование расходов воды в контурах циркуляции оросительных камер БК и МК (рис. 7);

Рис. 7. Принципиальная схема двухпозиционного регулирования бескомпрессорной системы кондиционирования воздуха
I , II , III – теплообменники (воздухоохладители); IV , V – соответственно вентиляторы испарительного и приточного кондиционеров; VI – датчик температуры воздуха в помещении; МК , БК – соответственно оросительные камеры малого и большого контуров циркуляции; VII – наружный воздух; VIII – рециркуляционный воздух; IX – выброс в атмосферу воздуха в теплый период года; Х – приточный кондиционер; XI – испарительный кондиционер
б) пропорциональное регулирование расхода воды в контуре циркуляции оросительной камеры МК (рис. 8) и двухпозиционное регулирование расхода воды в контуре циркуляции оросительной камеры БК .

Рис. 8. Принципиальные схемы автоматизации малого контура циркуляции бескомпрессорной системы кондиционирования воздуха
а – схема с клапаном на перемычке; б – схема с двумя взаимообратными клапанами; МК – оросительная камера малого контура циркуляции воды; I – датчик температур воздуха в помещении; II – теплообменник (воздухоохладитель)
2.23. В случае применения схемы регулирования, приведенной на рис. 7, при понижении температуры воздуха в помещении ниже расчетной вначале следует предусматривать выключение насоса в контуре циркуляции оросительной камеры БК , а затем насоса в контуре циркуляции камеры МК .
При повышении температуры воздуха в помещении включение указанных насосов следует предусматривать в обратном порядке.
2.24. Пропорциональное регулирование расхода холодной воды в теплообменнике II следует предусматривать при постоянном ее расходе в оросительной камере МК по одной из следующих схем:
с клапаном расхода воды на перемычке;
с трехходовым клапаном;
с двумя взаимообратными клапанами.
2.25. Допускается применение пропорционального регулирования расхода воды в контуре циркуляции оросительной камеры БК . Кроме того, допускается при понижении температуры в помещении ниже расчетной предусматривать отключение теплообменника III . При дальнейшем понижении температуры в помещении следует предусматривать отключение насоса в контуре циркуляции оросительной камеры БК .
2.26. При проектировании двухступенчатых бескомпрессорных систем кондиционирования воздуха по схеме на рис. 2, в контуре циркуляции воды оросительной камеры МК должны быть установлены регуляторы давления "до себя".
2.27. При выполнении требований п. 2.6 настоящей Инструкции схема автоматического регулирования параметров воздуха в обслуживаемых помещениях в холодный и переходный периоды года (при работе испарительного кондиционера по схеме на рис. 1) аналогична типовым схемам обычных центральных кондиционеров, разработанным ГПИ Сантехпроект.
Приложение 1
Принцип работы двухступенчатой бескомпрессорной системы кондиционирования воздуха
1. Двухступенчатая бескомпрессорная система кондиционирования воздуха (БСКВ) состоит из двух самостоятельных кондиционеров – приточного и испарительного (рис. 1), связанных между собой контурами циркуляции воды.
2. Приточный кондиционер БСКВ (рис. 1) состоит из следующих основных элементов:
поверхностного теплообменника I ;
поверхностного теплообменника II ;
вентилятора V .
Испарительный кондиционер (рис. 1) состоит из следующих основных элементов:
поверхностного теплообменника III ;
оросительной камеры МК ;
оросительной камеры БК ;
вентилятора IV .
3. В БСКВ имеются два самостоятельных контура циркуляции воды, рис. 1:
контур циркуляции оросительной камеры МК (малый контур), включающий теплообменник II , оросительную камеру МК и циркуляционный насос VI ;
контур циркуляции оросительной камеры БК (большой контур), включающий параллельно соединенные по холодоносителю теплообменники I и III , оросительную камеру БК и циркуляционный насос VII .
4. В теплый период года тепло приточного воздуха отводится к воде, циркулирующей в теплообменниках I и II .
Охлаждение воды, нагретой в теплообменниках I и III , осуществляется в оросительной камере БК большого контура циркуляции воды. Охлаждение воды, нагретой в теплообменнике II , осуществляется в оросительной камере МК малого контура циркуляции воды.
5. В двухступенчатой бескомпрессорной системе кондиционирования воздуха осуществляется перенос энергии в виде тепла от источника с более низким теплосодержанием (от наружного воздуха в приточном кондиционере) к источнику с более высоким теплосодержанием (к вспомогательному потоку воздуха в испарительном кондиционере).
В результате затраты внешней энергии потенциал тепла, отведенного от приточного воздуха повышается.
6. Для обеспечения большей степени охлаждения приточного воздуха в БСКВ предусматривается:
а) предварительное охлаждение вспомогательного потока воздуха в испарительном кондиционере, что позволяет снизить температуру его предела охлаждения и получить более холодную воду;
б) два самостоятельных контура циркуляции воды, позволяющие увеличить количество воды, циркулирующей в каждом контуре, что обусловливает ее небольшой подогрев в теплообменниках и простые условия оборотного охлаждения в оросительных камерах; разделить температурные условия работы каждого контура циркуляции воды.

Рис. 9. Схема процессов обработки воздуха в БСКВ на J — d-диаграмме
В малом контуре циркулирует вода более низкой температуры, чем в большом контуре;
в) использование в оросительной камере БК , предназначенной для охлаждения воды, циркулирующей в теплообменниках I и III , вспомогательного потока воздуха (в состоянии близком к насыщению) после оросительной камеры МК .
7. Процесс обработки воздуха в БСКВ в теплый период года представлен в I — d -диаграмме на рис. 9, где точки (арабские цифры), характеризующие состояние воздуха до и после теплообменных аппаратов, совпадают с обозначениями на рис. 1.
Линии на рис. 9 для приточного кондиционера обозначают следующие процессы:
1 – 2 – нагревание воздуха в вентиляторе V ;
2 – 3 – охлаждение воздуха в теплообменнике I ;
3 – 4 – охлаждение воздуха в теплообменнике II ;
9 – 10 – нагревание воды в теплообменнике II ;
4 – 13 – изменение состояния приточного воздуха в помещении.
Линии на рис. 9 для испарительного кондиционера обозначают следующие процессы:
5 – 6 – охлаждение воздуха в теплообменнике III ;
6 – 7 – повышение теплосодержания в камере МК ;
7 – 8 – повышение теплосодержания в камере БК ;
11 – 12 – нагревание воды в теплообменниках I и III ;
12 – 11 – охлаждение воды в оросительной камере БК .
8. В зимний и переходный периоды года испарительный кондиционер (рис. 1) согласно требованиям п. 2.6 настоящей Инструкции обеспечивает нагревание приточного воздуха в теплообменниках первого и второго подогрева и адиабатическое увлажнение воздуха в оросительной камере МК .
9. При работе БСКВ соблюдаются следующие уравнения теплового баланса:
а) количество тепла, отнятого от наружного воздуха в приточном кондиционере, равняется количеству тепла, переданного воздуху в испарительном кондиционере. При равных количествах воздуха в приточном и испарительном кондиционерах общее понижение теплосодержания воздуха D I в приточном кондиционере равняется общему повышению теплосодержания воздуха в испарительном кондиционере (рис. 9)
D I пр = I 2 – I 4 = D I исп = I 8 – I 5 ; (1)
б) количество тепла, отнятого от воздуха в теплообменнике II , равняется количеству тепла, переданного воздуху в камере МК
D
I
II
= I
3
–
I
4
=
(t
c3
–
t
с4
)
D
I
МК
= I
7
–
I
6
; (2)
в) количество тепла, отнятого от воздуха в I и III теплообменниках, равняется количеству тепла, переданного воздуху в оросительной камере БК ,
D I I – D I III = (I 2 – I 3 ) + (I 5 – I 6 ) = D I БК = I 8 – I 7 (3)
Приложение 2
Теплотехнический расчет двухступенчатых бескомпрессорных систем кондиционирования воздуха
1. С целью предварительного определения воздухообменов при проектировании БСКВ температуру подаваемого в помещение воздуха в летний период года после приточного кондиционера следует принимать:
а) при работе приточного и испарительного кондиционеров на наружном воздухе – равную температуре мокрого термометра наружного воздуха;
б) при работе приточного кондиционера на наружном, а испарительного кондиционера на вытяжном воздухе (или на смеси наружного с вытяжным воздухом) – равную температуре мокрого термометра вытяжного воздуха (или смеси наружного с вытяжным воздухом).
Окончательная температура приточного воздуха определяется расчетом.
2. Процессы тепло и влагообмена, происходящие в поверхностных теплообменниках и оросительных камерах двухступенчатой бескомпрессорной системы кондиционирования воздуха, а также конечная температура охлаждения приточного воздуха определяются:
а) начальными параметрами воздуха, поступающего в приточный и испарительный кондиционеры. В общем случае эти параметры могут быть неодинаковыми.
б) соотношением количества воздуха, поступающего в приточный (основной поток) и испарительный (вспомогательный поток) кондиционеры;
в) конструктивными и гидродинамическими характеристиками системы. К ним относятся:
поверхности
охлаждения теплообменников I
, II
и III
, которые
характеризуются критерием глубины
;
критерии живых
сечений теплообменников
,
определяющие при данной скорости воды в трубках теплообменников
отношения водяных эквивалентов теплообменивающихся сред;
конструктивные характеристики теплообменников (характер оребрения труб) и оросительных камер (тип центробежных форсунок, число рядов и т. д.);
коэффициенты орошения В в оросительных камерах малого и большого контуров циркуляции воды, соотношения количеств воды, циркулирующей в I , II и III теплообменниках.
3. Производительность по воздуху приточного и испарительного кондиционеров БСКВ, проектируемых по схемам рис. 1 и 2, следует определять в соответствии с требованиями пп. 2.2 и 2.16 настоящей Инструкции.
4. Расчет БСКВ заключается в расчете и увязке совместной работы приточного и испарительного кондиционеров (см. рис. 1), связанных друг с другом большим и малым контурами циркуляции воды.
5. Специфика расчета каждого контура циркуляции воды БСКВ заключается в увязке совместной работы поверхностного теплообменника и оросительной камеры.
Подобрав теплообменник, охлаждающий приточный воздух до требуемой температуры, необходимо рассчитать оросительную камеру (определить коэффициент орошения и количество охлаждающего воздуха), способную обеспечить охлаждение воды, циркулирующей в теплообменнике, от конечной температуры отепленной воды до той температуры, с которой вода должна входить в теплообменник.
6. Специфика расчета БСКВ состоит в том, что расчет малого контура циркуляции зависит от условий работы большого контура циркуляции (т. е. от параметров воздуха после теплообменников I и III ). В свою очередь, расчет большого контура циркуляции зависит от параметров воздуха после камеры орошения малого контура циркуляции (см. рис. 1).
7. Расчет БСКВ следует проводить с помощью графоаналитического метода, аналитического метода расчета, программ для ЭВМ "Росинка-22" и "Росинка-24", позволяющих решать прямые и обратные задачи.
Графоаналитический метод расчета
8. Графоаналитический метод дает возможность точно рассчитать в соответствии с требованиями раздела 2 настоящей Инструкции конечные параметры охлажденного воздуха после приточного кондиционера и конечные параметры воздуха, выходящего из испарительного кондиционера.
Промежуточные параметры воздуха после I и III теплообменников, а также параметры воздуха после оросительной камеры МК и температуры воды в малом и большом контурах циркуляции воды вычисляются с некоторым приближением.
9. Интегральные процессы тепло- и влагообмена, происходящие в БСКВ при различных начальных параметрах воздуха в приточном и испарительном кондиционерах, описываются следующим критериальным уравнением:
=
А
(1 + М
3с
R
c
)p
где
–
относительное изменение температуры воздуха;
– температурный
критерий, учитывающий начальные параметры воздуха в системе;
t c2 и t c4 – температура воздуха по сухому термометру до и после приточного кондиционера (рис. 9);
t ри и t ми – температура точки росы и температура по мокрому термометру воздуха, поступающего в испарительный кондиционер (рис. 9);
R с = 1+2,34а – критерий, учитывающий влияние влагообмена на теплообмен;
– коэффициент
пропорциональности, мм рт. ст./град.;
Р ри и Р ми – парциальные давления водяного пара в состоянии насыщения соответственно при температурах t ри и t ми , мм рт. ст.
10. Уравнения, по которым следует выполнять интегральные расчеты БСКВ, проектируемых по схемам на рис. 1 и 2 из типовых секций КТ при равных номинальных производительностях по воздуху приточных и испарительных кондиционеров, приведены в табл. 1.
Пределы применимости расчетных уравнений даны в табл. 2. С помощью каждого уравнения в табл. 1 могут быть рассчитаны БСКВ различной производительности по воздуху в пределах типового ряда кондиционеров, а именно 30, 40, 60, 80, 120, 160 и 240 тыс. м3 /ч, и при различных или одинаковых начальных параметрах воздуха, поступающего как в приточный, так и в испарительный кондиционеры (см. табл. 2 и п. 1.3 настоящей Инструкции).
Примечание. При расчете БСКВ по схеме на рис. 2 следует выполнять требования п. 2.16 настоящей Инструкции. Поверхности теплообменника I и каждого теплообменника II приточного кондиционера должны отвечать результатам расчета по уравнениям табл. 1 или графику на рис. 10.
11. Каждое уравнение в табл. 1 соответствует БСКВ с фиксированными поверхностями I , II и III теплообменников, а также определенным коэффициентам орошения В в форсуночных камерах с заданными конструктивными характеристиками.
Таблица 1
|
№ |
|
Характеристика элементов БСКВ |
Оросительные камеры |
|||||||||
|
п/п |
|
Теплообменники |
||||||||||
|
ли ний на графике, |
Расчетные уравнения |
Критерий
глубины
|
Критерий
живых сечений
|
Условный коэффициент орошения В усл |
Малый контур циркуляции |
Большой контур циркуляции |
||||||
|
рис. 10 |
|
I |
II |
III |
I |
II |
III |
I |
II |
III |
Коэффициент орошения В МК = 1,5 |
Коэффициент орошения В БК = 1,8 |
|
1 |
|
440 – 460 z = 12 |
440 – 460 z = 12 |
220 – 230 z = 6 |
80 – 110 |
80 – 110 |
170 – 220 |
1,2 |
1,5 |
0,6 |
|
|
|
2 |
|
330 – 340 z = 9 |
330 – 340 z = 9 |
330 – 340 z = 9 |
110 – 150 |
110 – 150 |
110 – 150 |
1,2 |
1,5 |
0,6 |
Диаметр форсунок d = 3,5 мм |
Диаметр форсунок d = 3,5; 4; 4,5 мм |
|
3 |
|
330 – 340 z = 9 |
330 – 340 z = 9 |
220 – 150 z = 6 |
110 – 150 |
110 – 150 |
170 – 220 |
1,2 |
1,5 |
0,6 |
|
|
