ГОСТ 862.1-85

ГОСУДАРСТВЕННЫЙ СТАНДАРТ СОЮЗА ССР
ИЗДЕЛИЯ ПАРКЕТНЫЕ
ПАРКЕТ ШТУЧНЫЙ
ТЕХНИЧЕСКИЕ УСЛОВИЯ
ГОСТ 862.1-85
ГОСУДАРСТВЕННЫЙ КОМИТЕТ СССР
ПО ДЕЛАМ СТРОИТЕЛЬСТВА
РАЗРАБОТАН Министерством лесной, целлюлозно-бумажной и деревообрабатывающей промышленности СССР
ИСПОЛНИТЕЛИ
В. В. Данилов, канд. техн. наук (руководитель темы); Г. М. Матвиенков, канд. техн. наук; М. Б. Колмакова; Г. В. Левушкин
ВНЕСЕН Министерством лесной, целлюлозно-бумажной и деревообрабатывающей промышленности СССР
Зам. министра В. М. Венцлавский
УТВЕРЖДЕН И ВВЕДЕН В ДЕЙСТВИЕ Постановлением Государственного комитета СССР по делам строительства от 12 марта 1985 г. № 26
ГОСУДАРСТВЕННЫЙ СТАНДАРТ СОЮЗА ССР
Изделия паркетные ГОСТ
ПАРКЕТ ШТУЧНЫЙ 862.1-85
Технические условия
Floor parquet production. Block parquet. Взамен
Specifications ГОСТ 862.1 -76
Постановлением Государственного комитета СССР по делам строительства от 12 марта 1985 г. № 26 срок введения установлен
с 01.01.86
Несоблюдение стандарта преследуется по закону
Настоящий стандарт распространяется на штучный паркет, предназначенный для устройства полов в соответствующих помещениях жилых, общественных, а также вспомогательных зданий промышленных и сельскохозяйственных предприятий.
В стандарте учтены требования рекомендаций СЭВ по стандартизации РС 4460—74, РС 4716—74 и международных стандартов ИСО 3398—77, ИСО 2457—76, ИСО 5320—80, ИСО 1072—75 и ИСО 3399-76.
Пояснения к терминам, применяемым в настоящем стандарте, приведены в справочном приложении 1.
Установленные настоящим стандартом показателя технического уровня штучного паркета предусмотрены для высшей и первой категорий качества.
1. ТИПЫ И ОСНОВНЫЕ РАЗМЕРЫ
1.1. Штучный паркет состоит из паркетных планок (далее — планки), которые в зависимости от профиля кромок подразделяют на типы:
П1 — планки с гребнями и пазами на противоположных кромках и торцах;
П2 — планки с гребнем на одной кромке и пазами на другой кромке и торцах.
Планки типа П1 следует изготовлять правыми и левыми в равных количествах.
Планки типа П2 допускается изготовлять по согласованию изготовителя с потребителем.
1.2. В зависимости от уровня качества, породы древесины и обработки планки подразделяют на марки А и Б.
Области применения планок по маркам указаны в рекомендуемом приложении 2.
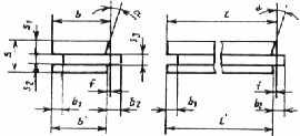
1.3. Форма, размеры планок я предельные отклонения от них должны соответствовать указанным на чертеже и в табл. 1.
Тип П1

Тип П2

Таблица 1
Размеры в мм
|
Наименования показателей |
Номинальные размеры |
Пред. откл. |
|
Толщина s |
15 (18) |
±0,2 |
|
Ширина с градацией через 5 мм b |
От 30 до 90 |
±0,2 |
|
Длина с градацией через 50 мм l |
От 150 до 500 |
±0,3 |
|
Толщина слоя износа s 1 |
7 (10) |
± 0,1 |
|
Высота паза s 2 |
4 |
+0,2 |
|
Толщина гребня s 3 |
4 |
–0,2 |
|
Глубина паза b 1 |
5 |
+0,3 |
|
Ширина гребня b 2 |
4 |
–0,3 |
|
Скос грани по толщине слоя износа a |
3° |
±30' |
|
Уменьшение размера нижней части планки со стороны скоса слоя износа f |
0,5 |
±0,1 |
Примечания:
1. Планки марки А изготовляют длиной от 200 до 500 мм.
2. Размеры, указанные в скобках, установлены для планок из древесины хвойных пород.
3. Кромка слоя износа может быть без скоса.
4. Планки из древесины бука и березы шириной более 70 мм изготовляют по согласованию изготовителя с потребителем.
5. Сочетаемость планок при укладке установлена в обязательном приложении 3.
2. ТЕХНИЧЕСКИЕ ТРЕБОВАНИЯ
2.1. Планки изготовляют в соответствии с требованиями настоящего стандарта по технологической документации, утвержденной в установленном порядке, включающей нормы удельного расхода древесины и энергии на изготовление планок.
2.2. Требования к планкам марки А установлены на уровне высшей категории качества к планкам марки Б — на уровне первой категории качества.
2.3. Планки марки А следует изготовлять из древесины дуба и тропических пород с плотностью древесины при 25 % влажности ³ 900 кг/м3 .
Плотность древесины тропических пород при влажности заготовок 25 % должна быть не менее 600 кг/м3 .
2.4. Планки марки Б изготовляют из древесины дуба, бука, ясеня, остролистного клена, береста (карагача), вяза, ильма, каштана, граба, гледичии, белой акации, березы, обыкновенной сосны, сибирской сосны, корейской сосны, лиственницы, а также тропических пород и модифицированной древесины с показателями эксплуатационных и физико-механических свойств, не уступающими древесине перечисленных пород.
2.5. Планки из обыкновенной сосны, сибирской сосны, корейской сосны и лиственницы следует изготовлять с радиальным разрезом древесины. Угол наклона годичных слоев на торце к лицевой стороне планки должен быть не менее 45°.
2.6. Отклонения от формы планок не должны превышать указанных в табл. 2.
Таблица 2
|
Наименования отклонений |
Значения отклонений, мм |
|
Отклонение от параллельности плоскостей |
Не должно превышать предельных отклонений по толщине и ширине |
|
Отклонение от перпендикулярности продольной кромки и торца |
0,2 на длине 100 |
|
Отклонение от плоскостности: продольной |
0,6 на длине 1000 |
|
поперечной |
0,2 |
2.7. Нормы ограничения пороков древесины в планках должны соответствовать указанным в табл. 3.
Таблица 3
|
Наименования пороков |
Нормы по меркам |
|
|
древесины по ГОСТ 2140-81 |
А |
Б |
|
Здоровые светлые и темные сучки: сросшиеся |
Не допускаются размером, мм, более: на лицевой стороне: |
|
|
|
5 |
15 |
|
|
на оборотной стороне: |
|
|
|
10 |
не ограничиваются |
|
|
числом, шт., более: на лицевой стороне |
|
|
|
1 |
3 |
|
|
на оборотной стороне: |
|
|
|
1 |
не ограничиваются |
|
частично сросшиеся и несросшиеся |
Не допускаются на лицевой стороне На оборотной стороне: |
|
|
|
не допускаются |
не ограничиваются |
|
Трещины |
Не допускаются на лицевой стороне На оборотной стороне и кромках не допускаются глубиной, мм, более: |
|
|
|
1 |
5 |
|
|
и длиной, в долях длины планки, более: |
|
|
|
1 /5 |
1 /4 |
|
Наклон волокон |
Не допускается более 5 % |
Не учитывается в планках лиственных пород. Не допускается в планках хвойных пород более 10 % |
|
Крень, свилеватость, завиток |
Не допускаются |
Не допускаются на планках из древесины сосны и березы на расстоянии 50 мы от торца, на планках других пород не учитываются |
|
Глазки |
Не учитываются |
|
|
Сердцевина, двойная сердцевина |
Не допускаются на лицевой стороне На оборотной стороне не допускаются глубиной более 1 /3 толщины планки |
|
|
Прорость открытая односторонняя |
На лицевой стороне не допускается. На оборотной стороне не допускается глубиной более 1 /3 толщины планки |
|
|
Кармашек, засмолок |
¾ |
На лицевой стороне не допускаются, а на оборотной стороне не допускаются более 3 шт. |
|
Пятнистость, водослой, химическая окраска |
Не допускаются на лицевой стороне, а на оборотной стороне не ограничиваются |
|
|
Заболонные грибные окраски, побурение |
То же |
|
|
Червоточина: |
Не допускается |
|
|
крупная некрупная |
Не допускается на лицевой стороне На оборотной стороне не допускается глубиной, мм, более |
|
|
|
1 |
3 |
|
|
числом, шт., более: |
|
|
|
1 |
5 |
|
Тупой обзол |
Не допускается на лицевой стороне На оборотной стороне и гребне не допускается в долях длины и ширины планки более: |
|
|
|
1 / 5 |
1 /2 |
|
|
Должен быть очищен от коры и луба |
|
|
Ощеп, скол, вырыв, задир, накол, выщербина |
Не допускаются на лицевой стороне. На оборотной стороне и гребне не допускаются глубиной, мм, более: |
|
|
|
1 |
2 |
|
Ожог |
Не допускается на лицевой стороне, а на оборотной стороне и кромках не учитывается. |
|
|
Непрофрезеровка |
Не допускается на лицевой стороне. На оборотной стороне: |
|
|
|
не допускается |
не допускается размером более 50 % площади планки и глубиной более 0,5 мм |
Примечания:
1. Пороки древесины по ГОСТ 2140—81, не указанные в табл. 3, не допускаются.
2. Допускается изготовление планок марки Б с ложным ядром при условна комплектования планок по цвету.
3. На лицевой стороне планки не допускается одновременное наличие н» участке длиной, равной ширине планки, белее двух учитываемых пороков, указанных в табл. 3.
2.8. Шероховатость поверхности (наибольшая высота неровностей) Rz по ГОСТ 7016—82 не должна быть более:
250 мкм — на лицевых сторонах и продольных кромках;
400 мкм — на оборотной стороне я торцовых кромках.
Для планок высшей категории качества на лицевых сторонах и продольных кромках шероховатость поверхности не должна быть более 125 мкм, на оборотных сторонах и торцовых кромках — 250 мкм.
2.9. Влажность древесины планок при отгрузке потребителю должна быть (9 ± 3) %.
ПРАВИЛА ПРИЕМКИ
3.1. Приемку планок производят партиями. Партией считают число планок одного типа, марки, размера и одной породы древесины.
Размер партии устанавливают по согласованию изготовителя с потребителем. Потребитель имеет право производить проверку соответствия планок требованиям, настоящего стандарта.
3.2. В партии должно быть одинаковое число правых и левых: планок.
3.3. Для проверки соответствия планок требованиям настоящего стандарта применяют выборочный одноступенчатый контроль по альтернативному признаку по ГОСТ 23616—79.
Планы контроля при приемочном уровне дефектности 4 % приведены в табл. 4.
Таблица 4
шт.
|
Размер партии |
Объем выборки |
Приемочное число |
Браковочное число |
|
До 280 |
13 |
1 |
2 |
|
Св. 280 до 500 включ. |
20 |
2 |
3 |
|
» 500 » 1200 » |
32 |
3 |
4 |
|
» 1200 » 3200 » |
50 |
5 |
6 |
|
» 3200 » 10000 » |
80 |
7 |
8 |
|
» 10000 » 36000 » |
125 |
10 |
11 |
|
» 3 5000 » 150000 » |
200 |
14 |
15 |
|
Более 150000 |
315 |
21 |
22 |
3.4. Приемочный контроль планок осуществляют в следующем порядке:
отбирают от партии число планок, соответствующее объему выборки для данного объема партии; отбор планок в выборку следует осуществлять методом случайного отбора по ГОСТ 18321—73;
проверяют каждую планку в выборке на соответствие требованиям настоящего стандарта и определяют число планок с дефектами;
сравнивают число дефектных планок с приемочным и браковочным числами, установленными для данного объема выборки;
партию принимают, если число дефектных планок в выборке меньше или равно приемочному числу;
партию не принимают, если число дефектных планок в выборке равно или больше браковочного числа.
3.5. По числу дефектных планок в выборке определяют их процент во всей партии. Это число планок в приемку и поставку не включают.
3.6. Планки учитывают в квадратных метрах с погрешностью до 0,01 м2 и в штуках. Площадь планки определяют по лицевой стороне без учета ширины гребня. Предельные отклонения в расчет не принимают.
4. МЕТОДЫ КОНТРОЛЯ
4.1. Отобранные планки проверяют поштучно. Размеры и форму планок проверяют при их влажности (9 ± 3) %.
Длину и ширину планок измеряют по лицевым сторонам: длину — параллельно, а ширину перпендикулярно к продольным осям планок.
Толщину планок измеряют по торцам к посередине длины планок.
Для измерения применяют предельные калибры по ГОСТ 15876—70, штангенциркули по ГОСТ 166—80, а для измерения толщины планок — индикаторные толщиномеры по ГОСТ 11358—74.
Размеры пазов и гребней проверяют контрольными калибрами либо штангенглубиномерами по ГОСТ 162—80.
4.2. Отклонение от параллельности пластей определяют измерением толщины планки, а отклонение от параллельности кромок — измерением ширины планки штангенциркулем по ГОСТ 166—80. Измерение производят в трех точках — посередине и у торцов планки.
4.3. Отклонение от плоскостности планок определяют поверочными линейками по ГОСТ 8026—75 и щупами по ГОСТ 882—75, измерением максимального зазора между поверхностями планки и поверочной линейки.
4.4. Отклонение от перпендикулярности продольной кромки и торца определяют поверочными угольниками по ГОСТ 3749—77 и щупами по ГОСТ 882—75 измерением максимального зазора между кроткой и приложенным к ней угольником. Измерение производят на длине 100 мм.
4.5. Угол наклона годичных слоев на торце определяют в градусах транспортиром по ГОСТ 13494—80 между касательной к годичным слоям и пластью, а наклон волокон — на радиальной поверхности планки.
4.6. Породу древесины, вид разреза, наличие пороков древесины оценивают визуально.
Пороки древесины измеряют по ГОСТ 2140—81, при этом размер сучка измеряют по его наименьшему диаметру.
4.7. Шероховатость поверхности планок определяют по ГОСТ 15612—78 или сравнением с образцами-эталонами.
4.8. Влажность древесины планок определяют по ГОСТ 16588—79.
5. УПАКОВКА, МАРКИРОВКА, ТРАНСПОРТИРОВАНИЕ И ХРАНЕНИЕ
5. 1. Планки должны быть упакованы в пачки. Число планок в дачке и порядок их укладки приведены в справочном приложении 4.
Планки в пачках укладывают гребнями наружу и лицевыми сторонами вверх, кроме верхнего ряда, который укладывают лицевыми сторонами вниз.
5.2. Каждая пачка должна содержать планки одного типа, марки, размера и одной породы.
5.3. Пачки должны содержать равное число правых и левых планок.
5.4. Пачки должны быть обвязаны стальной лентой по ГОСТ 3560—73, проволокой по ГОСТ 3282—74 или шпагатом по ГОСТ 17308—71. Под проволоку на ребрах пачки следует подкладывать прокладку из деревянных реек, картона или других упаковочных материалов, защищающих кромки планок от механических повреждений при обвязке и транспортировании.
Допускается упаковка плавок в деревянные каркасы (решетки), жаргонные коробки.
5.5. Планки в пачках должны быть уложены плотно, не допускается их смещение в рядах. При упаковке вбивание гвоздей в планки не допускается.
5.6. К каждой пачке должна быть прикреплена этикетка или бирка, или нанесена несмываемой краской четкая маркировка в виде штампа на верхнем ряду планок или таре, в которой должно быть указано:
наименование или товарный знак предприятия-изготовителя;
номер приемщика ОТК;
тип и марка планок;
размеры в мм;
количество в штуках и м2 ;
порода древесины;
дата изготовления;
обозначение настоящего стандарта;
изображение государственного Знака качества по ГОСТ 1.9—67 для паркета, аттестованного по высшей категории качества.
5.7. Поставляемый потребителю паркет должен сопровождаться документом о качестве, в котором должно быть указано:
наименование предприятия-изготовителя и его адрес;
тип и марка планок;
количество в м2 ;
номер партии;
дата изготовления;
обозначение настоящего стандарта;
изображение государственного Знака качества по ГОСТ 1.9—67 для паркета, аттестованного по высшей категории качества.
5.8. Планки транспортируют всеми видами транспорта в крытых транспортных средствах в соответствии с правилами перевозки грузов, действующими на данных видах транспорта.
5.9. При транспортировании и хранении планок должна быть обеспечена сохранность пачек и упаковки и соблюдены условия, исключающие возможность механических повреждений, увлажнения, воздействия солнечных лучей и загрязнения.
5.10. Погрузка планок навалом и выгрузка их сбрасыванием не допускаются.
5.11. Пачки планок следует хранить уложенными в правильные ряды и рассортированными по маркам, типам, размерам и породам древесины планок в отапливаемых помещениях при относительной влажности воздуха (55 ± 25) %, в условиях, не допускающих их увлажнения.
6. ГАРАНТИИ ИЗГОТОВИТЕЛЯ
6.1. Изготовитель гарантирует соответствие планок требованиям настоящего стандарта при соблюдении потребителем условий транспортирования и хранения.
6.2. Гарантийный срок хранения планок — 12 мес со дня изготовления партии изделий.
ПРИЛОЖЕНИЕ 1
Справочное
ТЕРМИНЫ И ПОЯСНЕНИЯ
Паркетная планка — деталь из массивной древесины с взаимно параллельными фрезерованными пластями и профилированными кромками, с помощью которых ее соединяют с такими же соседними планками при устройстве паркетного сокрытия пола.
Гребень — выступающая часть паркетной планки, служащая для соединения с соседними планками при укладке.
Паз — выемка на боковой и торцовой кромках паркетной планки, в которую входит гребень для соединения с соседней планкой.
Слой износа — верхний слой паркетной планки от лицевой стороны до верхней части гребня или паза, износ которого определяет срок службы паркетного покрытия.
Нижняя часть — часть толщины паркетной планки от оборотной стороны до нижней кромки гребня или паза.
Лицевая сторона паркетной планки — наружная поверхность слоя износа паркетной планки.
Оборотная сторона паркетной планки — поверхность, противоположная лицевой стороне.
Правая паркетная планка — паркетная планка, у которой, если смотреть на лицевую сторону, торцевой гребень находится справа, а гребень на кромке — со стороны наблюдающего.
Левая паркетная планка — паркетная планка, у которой, если смотреть на лицевую сторону, торцевой гребень находится слева, а гребень на кромке — со стороны наблюдающего.
ПРИЛОЖЕНИЕ 2
Рекомендуемое
ОБЛАСТЬ ПРИМЕНЕНИЯ ПАРКЕТА
Паркет марки А применяется для устройства и ремонта полов в общественных зданиях и соответствующих помещениях промышленных предприятий, марки Б — для устройства и ремонта полов в жилых зданиях.
ПРИЛОЖЕНИЕ 3
Обязательное
СОЧЕТАЕМОСТЬ ПЛАНОК (ШИРИНЫ С ДЛИНОЙ) ДЛЯ УКЛАДКИ ПАРКЕТА С РИСУНКОМ В «КВАДРАТ», «ЕЛОЧКА» И «ПАЛУБНЫЙ»
|
Ширины |
Сочетаемость планок при длине, мм |
|||||||
|
планок, мм |
150 |
200 |
250 |
300 |
350 |
400 |
450 |
500 |
|
30 |
X |
|
|
X |
|
|
X |
|
|
35 |
|
|
|
|
X |
|
|
|
|
40 |
|
X |
|
|
|
X |
|
|
|
45 |
|
|
|
|
|
|
X |
|
|
50 |
X |
X |
X |
X |
X |
X |
X |
X |
|
55 |
|
|
|
|
|
|
|
|
|
60 |
|
|
|
X |
|
|
|
|
|
65 |
|
|
|
|
|
|
|
|
|
70 |
|
|
|
|
X |
|
|
|
|
75 |
X |
|
|
X |
|
|
X |
|
|
80 |
|
|
|
|
|
X |
|
|
|
85 |
|
|
|
|
|
|
|
|
|
90 |
|
|
|
|
|
|
X |
|
Примечание. Планки шириной 45, 55, 65, 85 ми допустимы для укладка паркета только с рисунком «палубный».
ПРИЛОЖЕНИЕ 4
Справочное
Число планок, рядов и площадь планок в одной пачке
|
|
Число |
Площадь, |
Число |
Площадь, |
Число |
Площадь, |
Число |
Площадь, |
||||||||
|
Ширина планок, мм |
планок в пачке |
планок в ряду |
рядов |
м2 |
планок в пачке |
планок в ряду |
рядов |
м2 |
планок в пачке |
планок в ряду |
рядов |
м2 |
планок в пачке |
планок в ряду |
рядов |
м2 |
|
|
Длина планок, мм |
|||||||||||||||
|
|
150 |
2 00 |
250 |
300 |
||||||||||||
|
30 |
120 |
12 |
10 |
0 ,54 |
180 |
15 |
12 |
1 ,08 |
140 |
14 |
10 |
1 ,05 |
120 |
12 |
10 |
1,08 |
|
35 |
96 |
13 |
8 |
0,50 |
150 |
15 |
10 |
1,0 5 |
112 |
14 |
8 |
0,98 |
96 |
12 |
8 |
1,01 |
|
40 |
84 |
12 |
7 |
0,50 |
126 |
14 |
9 |
1,01 |
96 |
12 |
8 |
0,96 |
84 |
12 |
7 |
1.01 |
|
45 |
78 |
11 |
7 |
0,53 |
112 |
14 |
8 |
1 ,01 |
92 |
13 |
7 |
1 ,03 |
78 |
11 |
7 |
1,05 |
|
50 |
66 |
11 |
6 |
0,50 |
96 |
12 |
8 |
0,96 |
78 |
11 |
7 |
0,97 |
66 |
11 |
6 |
0 ,99 |
|
55 |
60 |
10 |
6 |
0,50 |
92 |
13 |
7 |
1,01 |
72 |
12 |
6 |
0,99 |
60 |
10 |
6 |
0,99 |
|
60 |
66 |
11 |
5 |
0,51 |
84 |
12 |
7 |
1,01 |
66 |
11 |
6 |
0 ,99 |
56 |
11 |
5 |
1.01 |
|
65 |
50 |
10 |
5 |
0,49 |
78 |
11 |
7 |
1,01 |
60 |
10 |
6 |
0,98 |
50 |
10 |
5 |
0,98 |
|
70 |
48 |
8 |
6 |
0,50 |
72 |
12 |
6 |
1,01 |
56 |
8 |
7 |
0 ,98 |
48 |
8 |
6 |
1,01 |
|
75 |
46 |
9 |
5 |
0,51 |
70 |
10 |
7 |
1,05 |
54 |
9 |
6 |
1,01 |
46 |
9 |
5 |
1,03 |
|
80 |
40 |
8 |
5 |
0,48 |
60 |
10 |
6 |
0,96 |
60 |
10 |
5 |
1 ,00 |
40 |
8 |
5 |
0,96 |
|
85 |
40 |
8 |
5 |
0,51 |
60 |
10 |
6 |
1,02 |
48 |
8 |
6 |
1,02 |
40 |
8 |
5 |
1,02 |
|
90 |
36 |
6 |
6 |
0,48 |
56 |
8 |
7 |
1,01 |
46 |
9 |
5 |
1,03 |
36 |
6 |
6 |
0,97 |
Продолжение
|
|
Число |
Площадь, |
Число |
Площадь, |
Число |
Площадь, |
Число |
Площадь, |
||||||||
|
Ширина планок, мм |
планок в пачке |
планок в ряду |
рядов |
м2 |
планок в пачке |
планок в ряду |
рядов |
м2 |
планок в пачке |
планок в ряду |
рядов |
м2 |
планок в пачке |
планок в ряду |
рядов |
м2 |
|
|
Длина планок, мм |
|||||||||||||||
|
|
350 |
400 |
450 |
500 |
||||||||||||
|
30 |
100 |
10 |
10 |
1 ,05 |
90 |
10 |
9 |
1 ,08 |
72 |
12 |
6 |
0 ,97 |
66 |
11 |
6 |
0 ,99 |
|
35 |
88 |
11 |
8 |
1,08 |
70 |
10 |
7 |
0,98 |
64 |
8 |
8 |
1,01 |
56 |
8 |
7 |
0,98 |
|
40 |
70 |
10 |
7 |
0,98 |
60 |
10 |
6 |
0,96 |
56 |
8 |
7 |
1,01 |
50 |
10 |
5 |
1,00 |
|
45 |
64 |
9 |
7 |
1,01 |
54 |
9 |
6 |
0,97 |
50 |
10 |
5 |
1,01 |
46 |
9 |
5 |
1 ,03 |
|
50 |
56 |
8 |
7 |
0,98 |
50 |
10 |
5 |
1,00 |
46 |
9 |
5 |
1,03 |
40 |
8 |
5 |
1 ,00 |
|
55 |
50 |
10 |
5 |
0,96 |
46 |
9 |
5 |
1,02 |
40 |
8 |
5 |
0,99 |
36 |
6 |
6 |
0,99 |
|
60 |
48 |
12 |
4 |
1,01 |
42 |
7 |
6 |
1,01 |
36 |
6 |
6 |
0,977 |
32 |
8 |
4 |
0,96 |
|
65 |
46 |
9 |
5 |
1 ,04 |
40 |
8 |
5 |
1,0 4 |
36 |
7 |
5 |
1 ,05 |
30 |
6 |
5 |
0,98 |
|
70 |
40 |
8 |
5 |
0,98 |
36 |
6 |
6 |
1,01 |
32 |
8 |
4 |
1,01 |
28 |
7 |
4 |
0,98 |
|
75 |
36 |
6 |
6 |
0,95 |
32 |
8 |
4 |
0,96 |
30 |
6 |
5 |
1,01 |
28 |
7 |
4 |
1,05 |
|
80 |
36 |
6 |
6 |
1,01 |
32 |
8 |
4 |
1,02 |
28 |
7 |
4 |
1,01 |
26 |
5 |
5 |
1,04 |
|
85 |
32 |
8 |
4 |
0 ,05 |
30 |
6 |
5 |
1,02 |
26 |
5 |
5 |
1,00 |
24 |
6 |
4 |
1,02 |
|
90 |
32 |
8 |
4 |
1,01 |
28 |
7 |
4 |
1,01 |
26 |
5 |
5 |
1,05 |
24 |
6 |
4 |
1,08 |
