ГОСТ 21924.0-84 (с изм 1 1988)
ГОСТ 21924.0-84
УДК 625.874.07-413:006.354 Группа Ж 33
ГОСУДАРСТВЕННЫЙ СТАНДАРТ СОЮЗА ССР
ПЛИТЫ ЖЕЛЕЗОБЕТОННЫЕ ДЛЯ ПОКРЫТИЙ ГОРОДСКИХ ДОРОГ
Технические условия
Reinforced concrete slabs for рavements
of city roads. Sрecifications
ОKП 58 4600
Дата введения 1985-01-01
УТВЕРЖДЕН И ВВЕДЕН В ДЕЙСТВИЕ Постановлением Государственного комитета СССР по делам строительства от 30 сентября 1983 г. № 210
ВЗАМЕН ГОСТ 21924-76
ПЕРЕИЗДАНИЕ. Декабрь 1985 г.
ВНЕСЕНО Изменение № 1, утвержденное постановлением Государственного строительного комитета СССР от 28.12.87 № 303, введенное в действие с 01.04.88 и опубликованное в ИУС № 5 1988 г.
Настоящий стандарт распространяется на железобетонные предварительно напряженные плиты и плиты с ненапрягаемой арматурой, изготовляемые из тяжелого бетона и предназначенные для устройства сборочных покрытий постоянных и временных городских дорог под автомобильную нагрузку H-30 и H-10.
Плиты применяют для дорог в районах с расчетной температурой наружного воздуха (средней наиболее холодной пятидневки района строительства по СHиП 2.01.01-82) до минус 40°С включ.
При применении плит в климатическом районе IVА должны учитываться дополнительные требования СHиП 2.03.01-84 к конструкциям, предназначенным для эксплуатации в этом районе.
(Измененная редакция, Изм. N 1).
Допускается применение данных плит для дорог в районах с расчетной температурой наружного воздуха ниже минус 40°С при соблюдении требований, предъявляемых СHиП 2.03.01-84 к конструкциям, предназначенным для эксплуатации в этих условиях.
(Измененная редакция, Изм. N 1).
"Стандарт не распространяется на железобетонные плиты для внутренних автомобильных дорог промышленных предприятий, для внутрихозяйственных автомобильных дорог по СНиП 2.05.07-85, а также на плиты многоразового использования для временных дорог на строительных площадках".
(Введен дополнительно, Изм. N 1).
1. ТИПЫ, ОСНОВНЫЕ ПАРАМЕТРЫ И РАЗМЕРЫ
1.1. Плиты подразделяют на типы в зависимости:
от назначения:
1 - для постоянных дорог,
2 - для временных дорог;
от конфигурации:
П - прямоугольная,
ПБ - прямоугольная с одним совмещенным бортом,
ПББ - прямоугольная с двумя совмещенными бортами,
ПТ - трапецеидальная,
ПШ - шестиугольная,
ПШД - шестиугольная осевая диагональная,
ПШП - шестиугольная осевая поперечная,
ДПШ - диагональная половина шестиугольной плиты,
ППШ - поперечная половина шестиугольной плиты.
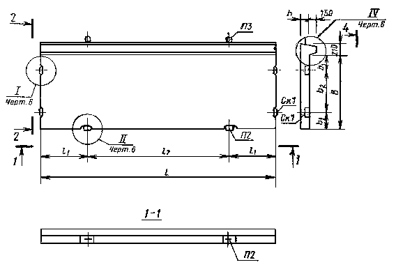
1.2. Форма и основные размеры плит должны соответствовать указанным на черт. 1 - 6 и в табл. 1,2.
Плиты для временных дорог изготовляют без монтажных скоб Ск1.
В этих плитах ниши для монтажных скоб допускают не устанавливать.
По согласованию с потребителем допускается изготовление плит типов П и ПТ с пазами для беспетлевого монтажа в соответствии с черт. 7 или с отверстиями для цангового захвата вместо монтажных петель и устройства ниш для них. При этом в предварительно напряженных плитах для постоянных дорог взамен монтажных петель необходима установка скоб Ск1 в соответствии с черт. 6 (узел 1). Число отверстий для цанговых захватов и их расположение определяют исходя из технологии изготовления плит и их монтажа.
Рабочая поверхность плит (верхняя поверхность дорожного покрытия) должна иметь рифление согласно черт. 8, а плит, изготовляемых этой поверхностью "вверх", должна быть шероховатой (п. 2.9.1).
(Измененная редакция, Изм. N 1).
Примечания:
1. Допускается изготовление плит с фаской размером не более 10 мм на лицевой поверхности плиты.
2. Допускается изготовление плит с технологическими скосами в местах установки монтажных петель и скоб не более 5 мм, а также с технологическими нишами под скобами Ск1 глубиной 20 мм.
(Измененная редакция, Изм. N 1).
3. Инвентарные плиты для временных дорог допускается изготовлять с технологическими скосами не более 8 мм.
4. Допускается изготовление на действующем оборудовании плит общим видом, отличным от указанного на черт. 1 - 8, при сохранении габаритных размеров плиты и при соблюдении всех остальных требований, установленных настоящим стандартом.
(Измененная редакция, Изм. N 1).
5. Для беспетлевых плит (черт. 7) допускаются изменения формы плит, связанные с технологией их изготовления (наличие и размеры фасок, радиусов закруглений и т.д.).
6. Для плит с ненапрягаемой арматурой допускается вертикальное расположение монтажных петель.
7. Допускается
смещение монтажных петель в пределах ниш от середины плиты вдоль ее
грани до положения зеркально заменяемым привязкам петель (размеры
и
)
по черт. 6.
(Введены дополнительно, Изм. N 1).
Тип П

Черт. 1
Тип ПБ

Тип ПББ

Черт. 2
Тип ПТ

Черт. 3
Тип ПШ

Тип ПШП

Тип ПШД

Черт. 4
Тип ДПШ

Тип ППШ

Черт. 5


Черт. 6

Черт. 7
Деталь рифления на рабочей поверхности плит

Черт. 8
Таблица 1
|
|
Размеры плит, мм |
|||||||||
|
Типоразмер |
L |
В В/С |
Толщина
плиты h
( |
|
|
|
|
|
Масса плиты |
|
|
плиты |
|
|
предварительно на пряженной |
с нена-прягаемой арматурой |
|
|
|
|
|
(спра вочная), т |
|
1П60.38 |
|
3750 |
|
|
|
|
475 |
1400 |
|
7,85 |
|
1П60.35 |
|
3500 |
|
|
|
|
450 |
1300 |
|
7,33 |
|
2П60.35 |
|
|
|
|
|
|
- |
- |
|
|
|
1П60.30 |
6000 |
3000 |
140 |
- |
1200 |
3600 |
400 |
1100 |
- |
6,28 |
|
2П60.30 |
|
|
|
|
|
|
- |
- |
|
|
|
1П60.19 |
1870 |
|
|
|
|
360 |
1150 |
|
3,90 |
|
|
1П60.18 |
1750 |
|
|
|
|
300 |
1150 |
|
3,65 |
|
|
2П60.18 |
|
|
|
|
|
|
- |
- |
|
|
|
1П35.28 |
3500 |
2750 |
|
|
750 |
2000 |
|
|
|
4,08 |
|
2П35.28 |
|
|
|
170 |
|
|
|
|
|
|
|
1П30.18 |
3000 |
|
|
|
500 |
2000 |
|
|
|
2,20 |
|
2П30.18 |
|
|
|
|
|
|
|
|
|
|
|
1П18.18 |
1750 |
- |
|
|
|
- |
- |
- |
1,20 |
|
|
2П18.18 |
|
|
|
|
|
|
|
|
|
|
|
1П18.15 |
1750 |
1500 |
|
160 |
450 |
850 |
|
|
|
1,03 |
|
2П18.15 |
|
|
|
|
|
|
|
|
|
|
|
1ПБ60.18 |
6000 |
1750 |
140 |
- |
1200 |
3600 |
240 |
1270 |
|
4,48 |
|
1ПББ55.20 |
5500 |
2000 |
|
|
935 |
3630 |
360 |
1280 |
|
4,40 |
|
1ПББ35.20 |
3500 |
|
- |
160 |
595 |
2310 |
|
|
|
3,38 |
|
1ПТ55 |
5500 |
|
140 |
- |
1045 |
3300/ |
|
|
- |
3,35 |
|
2ПТ55 |
2000/ |
|
|
|
1155 |
- |
- |
|
||
|
1ПТ35 |
3500 |
1500 |
- |
170 |
665 |
2100/ |
|
|
|
2,58 |
|
2ПТ35 |
|
|
|
|
|
735 |
|
|
|
|
|
1ПШ13 |
|
|
|
180 |
|
|
|
|
|
1,80 |
|
1ПШД13 |
2480 |
2150 |
- |
180(196) |
555 |
- |
370 |
- |
1240 |
1,90 |
|
1ПШП13 |
|
|
|
180(199) |
|
|
|
|
|
1,93 |
|
1ПШ12 |
|
|
|
180 |
|
|
|
|
|
1,58 |
|
1ПШД12 |
2320 |
2010 |
- |
180(195) |
520 |
- |
350 |
- |
1160 |
1,65 |
|
1ПШП12 |
|
|
|
180(197) |
|
|
|
|
|
1,68 |
|
1ДПШ13 |
2480 |
1070 |
|
|
|
|
484 |
345 |
1240 |
0,90 |
|
1ДПШ12 |
2320 |
1000 |
- |
180 |
- |
- |
452 |
325 |
1160 |
0,78 |
|
1ППШ13 |
2150 |
1235 |
|
|
|
|
484 |
615(345) |
1240 |
0,90 |
|
1ППШ12 |
2010 |
1155 |
|
|
|
|
452 |
575(325) |
1160 |
0,78 |
Примечание.
Масса плит приведена для бетона средней плотностью 2500 кг/м
.
(Измененная редакция, Изм. N 1).
Таблица 2
мм
|
Типоразмер плиты |
Номер узла по черт. 6 |
h |
h/ 2 |
a |
b |
c |
R |
|
1П60.38 |
|
|
|
|
|
|
|
|
1П60.35 |
|
|
|
|
|
|
|
|
2П60.35 |
|
|
|
200 |
80 |
80 |
80 |
|
1П60.30 |
|
|
|
|
|
|
|
|
2П60.30 |
I и II |
140 |
70 |
|
|
|
|
|
1П60.19 |
|
|
|
|
|
|
|
|
1П60.18 |
|
|
|
180 |
|
|
75 |
|
2П60.18 |
|
|
|
|
|
|
|
|
1П35.28 |
|
|
|
|
70 |
75 |
|
|
2П35.28 |
|
170 |
85 |
155 |
|
|
80 |
|
1П30.18 |
|
|
|
|
|
|
|
|
2П30.18 |
III |
|
|
|
|
|
|
|
1П18.18 |
|
|
|
|
|
|
|
|
2П18.18 |
|
160 |
80 |
125 |
60 |
70 |
|
|
1П18.15 |
|
|
|
|
|
|
75 |
|
2П18.15 |
|
|
|
|
|
|
|
|
1ПБ60.18 |
I, II и IV |
140 |
70 |
180 |
70 |
75 |
|
|
1ПББ55.20 |
I и IV |
|
|
- |
- |
- |
- |
|
1ПББ35.20 |
|
160 |
80 |
|
|
|
|
1.3. Плиты рассчитаны на проезд автомобилей массой 30 и 10 т. При этом коэффициент динамичности принят равным 1,2, а модуль деформации основания при расчете плит:
для постоянных
дорог - 50 МПа (500 кгс/см
);
для временных
дорог - 25 МПа (250 кгс/см
);
1.4. Конструкция плит приведена:
предварительно напряженных плит - в ГОСТ 21924.1-84;
плит с ненапрягаемой арматурой - в ГОСТ 21924.2-84.
1.5. Плиты изготовляют с монтажными петлями и отверстиями для цангового захвата (черт. 1 - 6) или пазами для беспетлевого монтажа (черт. 7).
Петли не должны выступать за рабочую поверхность грани плиты.
Для подъема и монтажа беспетлевых плит следует применять специальные захватные устройства или цанговые захваты, конструкцию которых принимает изготовитель по согласованию с потребителем и Госгортехнадзором СССР.
(Измененная редакция, Изм. N 1).
1.6. Плиты обозначают марками в соответствии с ГОСТ 23009-78.
Марка плиты состоит их буквенно-цифровых групп, разделенных дефисом.
Первая группа содержит обозначение типа плиты (п. 1.1) и ее номинальные размеры в дециметрах (с округлением значений до целого числа):
для прямоугольных плит - длину и ширину;
для трапецеидальных плит - длину;
для шестиугольных плит - диагональ.
Во второй группе приводят значение нагрузки, на которую рассчитана плита (п. 1.3).
Для предварительно напряженных плит во второй группе марки приводят также класс напрягаемой арматурной стали.
Марку плит, изготовляемых с пазами для беспетлевого монтажа или с отверстиями для цангового захвата (вместо монтажных петель), дополняют буквой Б.
(Введен дополнительно, Изм. N 1).
Пример условного обозначения (марки)
плиты для постоянных дорог (тип 1), прямоугольной, длиной 6000 и шириной 1750 мм, рассчитанной под автомобиль массой 30 т, с напрягаемой арматурой из арматурной стали класса А-V:
1П60.18-30АV
То же, трапецеидальной, длиной 5500 мм, рассчитанной под автомобиль массой 30 т, с напрягаемой арматурой из арматурной стали класса А-IV:
1ПТ55-30АIV
То же, шестиугольной со стороной 1160 мм, рассчитанной под автомобиль массой 30 т, с ненапрягаемой арматурой:
1ПШ12-30
То же, плиты для временных дорог (тип 2), прямоугольной, длиной 3000 и шириной 1750 мм, рассчитанной под автомобиль массой 10 т, с ненапрягаемой арматурой:
2П30.18-10
2. ТЕХНИЧЕСКИЕ ТРЕБОВАНИЯ
2.1. Плиты следует изготовлять в соответствии с требованиями настоящего стандарта и технологической документации, утвержденной в установленном порядке, по чертежам, приведенным в ГОСТ 21924.1-84 и ГОСТ 21924.2-84.
2.2. Плиты подлежат изготовлению в формах, обеспечивающих соблюдение установленных настоящим стандартом требований к качеству и точности изготовления плит.
2.3. Плиты должны иметь заводскую готовность, соответствующую требованиям настоящего стандарта.
2.4. Плиты по прочности и трещиностойкости должны выдерживать контрольные нагрузки, указанные в ГОСТ 21924.1-84 и ГОСТ 21924.2-84.
2.5. Плиты должны удовлетворять требованиям ГОСТ 13015.0-83:
по показателям фактической прочности бетона (в проектном возрасте, отпускной и передаточной);
к качеству материалов, применяемых для приготовления бетона;
к качеству арматурных и закладных изделий и их положению в плите;
по маркам арматурной стали;
по маркам стали для закладных изделий и монтажных петель;
по отклонению толщины защитного слоя бетона до арматуры.
(Измененная редакция, Изм. N 1).
2.6. Требования к бетону
2.6.1. Плиты следует изготовлять из тяжелого бетона средней плотности более 2200 до 2500 кг/м3 включительно классов по прочности на сжатие и марок по прочности на растяжение при изгибе, указанных в ГОСТ 21924.1-84 и ГОСТ 21924.2-84.
Бетон должен удовлетворять требованиям ГОСТ 26633-85.
(Введено дополнительно, Изм. N 1).
2.6.2. (Исключен, Изм. N 1).
2.6.3. Значение нормируемой отпускной прочности бетона следует принимать равным 70% класса бетона по прочности на сжатие и марки бетона по прочности на растяжение при изгибе. При поставке плит в холодный период года (по ГОСТ 13015.0-83) значение нормируемой отпускной прочности бетона может быть повышено, но не более 90% класса по прочности на сжатие и марки по прочности на растяжение при изгибе, а для плит, предназначенных для временных дорог, - до 100%.
Значение нормируемой отпускной прочности бетона должно соответствовать указанному в заказе на изготовление плит согласно проектной документации конкретного сооружения.
(Измененная редакция, Изм. N 1).
2.6.4. Нормируемая передаточная прочность бетона предварительно напряженных плит составляет 70% класса бетона по прочности на сжатие.
Передача усилий обжатия на бетон (отпуск натяжения арматуры) должна производиться после достижения бетоном требуемой передаточной прочности.
2.6.5. Марка бетона по морозостойкости и водонепроницаемости для плит, предназначенных для постоянных дорог в районах со среднемесячной расчетной температурой наиболее холодного месяца (согласно СHиП 2.01.01-82), соответственно:
до минус 5°С включ. - F100 и W2;
ниже минус 5°С до минус 15°С включ. - F150 и W4;
ниже минус 15°С - F200 и W4.
Марка бетона по морозостойкости и водонепроницаемости плит, предназначенных для временных дорог в районах со среднемесячной расчетной температурой наиболее холодного месяца:
до минус 5°С включ. - F75 и W2;
ниже минус 5°С до минус 15°С включ. - F100 и W2;
ниже минус 15°С - F150 и W2.
Марки бетона по морозостойкости и водонепроницаемости указывают в заказе на изготовление плит в соответствии с установленными проектной документацией конкретного сооружения.
(Изменная редакция, Изм. N 1).
2.6.6. Бетон плит не должен иметь водопоглощение больше 5% по массе.
2.6.7. Температура изотермической выдержки при тепловлажностной обработке плит не должна превышать 70°С.
(Изменная редакция, Изм. N 1).
2.6.8. Для приготовления бетона следует применять портландцемент по ГОСТ 10178-85 с дополнительными требованиями для бетона дорожных покрытий.
(Измененная редакция, Изм. N 1).
Допускается применение портландцемента по ТУ 21-20-51-83.
Заполнители по ГОСТ 10268-80 (крупность зерен крупного заполнителя не более 20 мм).
2.6.9. Пластифицирующие и воздухововлекающие (газообразующие) добавки, применяемые для приготовления бетона, должны удовлетворять требованиям нормативно-технической документации, утвержденной в установленном порядке.
2.7. Требования к арматуре и арматурным изделиям
2.7.1. В качестве напрягаемой арматуры предварительно напряженных плит следует применять стержневую термомеханически упроченную арматурную сталь классов Ат-V, Ат-IV и АТ-IVC и горячекатаную классов А-V и Ат-IV.
Несвариваемая арматурная сталь классов Ат-V и Ат-IV должна применяться в виде целых стержней мерной длины без сварных стыков.
(Измененная редакция, Изм. N 1).
2.7.2. В качестве ненапрягаемой арматуры должна применяться арматурная проволока класса Вр-I и стержневая арматурная сталь классов A-IIIC, А-III и А-I.
(Изменная редакция, Изм. N 1).
2.7.3. (Исключен, Изм. N 1).
2.7.4. Арматурная сталь должна удовлетворять требованиям:
стержневая арматурная сталь классов А-V, А-IV, А-III и А-I ГОСТ 5781-82;
термомеханически и термически упрочненная арматурная сталь классов Ат-V, Ат-IV, АТ-IVС и Ат-IIIС по ГОСТ 10884-81;
арматурная проволока класса Вр-I - ГОСТ 6727-80.
(Измененная редакция, Изм. N 1).
2.7.5. Форма и размеры арматурных изделий для плит должны соответствовать приведенным в ГОСТ 21924.3-84.
2.7.6. Арматурные изделия должны удовлетворять требованиям ГОСТ 10922-75.
2.7.7. Значения напряжений в напрягаемой арматуре, контролируемых по окончании натяжения ее на упоры, и предельные отклонения этих напряжений - по ГОСТ 21924.1-84.
2.8. Требования к точности изготовления плит
2.8.1. Значения фактических отклонений геометрических параметров не должны превышать предельных, указанных в табл. 3.
Таблица 3
|
Вид отклонения |
Геометрический параметр и его |
Пред.откл., мм, для плит |
|
|
геометрического параметра |
номинальное значение |
постоянных дорог |
временных дорог |
|
Отклонение от |
Длина и ширина плиты |
|
|
|
линейного |
до 2,5 м включ. |
± 6 |
± 10 |
|
размера |
св. 2,5 до 4,0 м включ. |
± 8 |
± 12 |
|
|
св. 4,0 м |
± 10 |
± 15 |
|
|
Толщина плиты |
± 4 |
± 6 |
|
|
Размеры выемок (монтажно-стыковые |
± 3 |
± 5 |
|
|
элементы) |
|
|
|
|
Размер, определяющий положение закладных |
|
|
|
|
изделий: |
|
|
|
|
в плоскости плиты |
10 |
10 |
|
|
из плоскости плиты |
3 |
3 |
|
Отклонение от |
Прямолинейность профиля верхней |
|
|
|
прямолинейности |
поверхности |
|
|
|
|
плиты в любом сечении на всей длине или |
|
|
|
|
ширине: |
|
|
|
|
до 2,5 м включ. |
4 |
6 |
|
|
св. 2,5 до 4,0 м включ. |
5 |
8 |
|
|
св. 4,0 м |
6 |
10 |
|
Отклонение от |
Плоскостность лицевой поверхности плиты |
|
|
|
плоскостности |
(при измерении от условной плоскости, |
|
|
|
|
проходящей через три крайние точки) при |
|
|
|
|
длине плиты: |
|
|
|
|
до 2,5 м включ |
4 |
6 |
|
|
св. 2,5 до 4,0 м включ. |
5 |
8 |
|
|
св. 4,0 м |
6 |
10 |
|
Отклонение от |
Перпендикулярность смежных торцевых |
|
|
|
перпендикулярности |
граней плит на участке длиной: |
|
|
|
|
400 мм |
2 |
3 |
|
|
1000 мм |
2,5 |
4 |
|
Отклонение от |
Разность длин диагоналей лицевых |
|
|
|
равенства диагоналей |
поверхностей плит при их наибольшем |
|
|
|
|
размере (длине и ширине): |
|
|
|
|
до 4,0 м включ. |
8 |
8 |
|
|
св. 4,0 м |
10 |
10 |
(Измененная редакция, Изм. N 1).
2.8.2. (Исключен, Изм. N 1).
2.9. Требования к качеству поверхностей и внешнему виду плит
2.9.1. Рифление поверхности плиты образуют путем применения в качестве днища поддона формы листовой рифленой стали по ГОСТ 8568-77 с ромбическим рифлением. Глубина рифа - не менее 1,0 мм.
Рифленая поверхность плиты должна иметь четкий рисунок рифления без околов граней канавок.
Шероховатость рабочей поверхности плит, изготовляемых этой поверхностью "вверх", получают за счет обработки поверхности (после уплотнения бетонной смеси) капроновыми щетками или брезентовой лентой.
(Измененная редакция, Изм. N 1).
2.9.2. Размеры раковин и местных наплывов на рабочей поверхности плиты не должны превышать:
по диаметру или наибольшему размеру раковин ..................... 15 мм
по глубине раковин и высоте местных наплывов .................... 10 мм.
Размеры раковин на нерабочей поверхности и боковых гранях плиты не должны превышать по диаметру или наибольшему размеру 20 мм.
Околы бетона ребра (при их суммарной длине на 1 м ребра до 100 мм) не должны превышать 10 мм по глубине, измеряемой по рабочей поверхности плиты, и 20 мм - по нерабочей поверхности плиты.
(Измененная редакция, Изм. N 1).
2.9.3. Трещины на поверхностях плит не допускаются, за исключением поверхностных усадочных и технологических шириной не более 0,1 мм и длиной не более 50 мм в количестве не более пяти на 1,5 м2 поверхности плиты.
3. ПРАВИЛА ПРИЕМКИ
3.1. Приемку плит следует производить партиями в соответствии с требованиями ГОСТ 13015.1-81 и настоящего стандарта.
Испытание плит по прочности и трещиностойкости нагружением производят перед началом их массового изготовления, при внесении в них конструктивных изменений или изменении технологии изготовления плит.
(Введен дополнительно, Изм. N 1).
3.2. Приемку плит по показателям прочности бетона (классу по прочности на сжатие, отпускной и передаточной прочности), расположения арматуры и натяжения напрягаемой арматуры, соответствия арматурных изделий, прочности сварных соединений, толщины защитного слоя бетона до арматуры, точности геометрических параметров, качества поверхностей следует проводить по результатам приемо-сдаточных испытаний и контроля.
(Измененная редакция, Изм. N 1).
Приемку шестиугольных плит по показателям прочности бетона на растяжение при изгибе производят по результатам приемо-сдаточных испытаний, а прямоугольных и трапецеидальных плит - по результатам периодических испытаний не реже одного раза в месяц.
(Введен дополнительно, Изм. N 1).
3.3. Приемочный контроль прочности бетона следует производить по ГОСТ 18105-86.
(Измененная редакция, Изм. N 1).
3.4. Приемку плит по морозостойкости, водонепроницаемости и водопоглощению бетона следует проводить по результатам периодических испытаний.
(Измененная редакция, Изм. N 1).
3.5. В случаях, если при проверке будет установлено, что отпускная прочность бетона плит не удовлетворяет требованиям, приведенным в п. 2.6, поставка плит потребителю не должна производиться до достижения бетоном плит прочности, соответствующей классу бетона по прочности на сжатие.
3.6. При приемке плит по показателям точности геометрических параметров, толщины защитного слоя бетона до арматуры и качества поверхностей, контролируемых путем измерений, следует применять выборочный одноступенчатый контроль.
4. МЕТОДЫ КОНТРОЛЯ И ИСПЫТАНИЙ
4.1. Испытание плит по прочности и трещиностойкости
4.1.1. Испытание плит по прочности и трещиностойкости следует проводить нагружением по ГОСТ 8829-85 с учетом требований настоящего стандарта.
(Измененная редакция, Изм. N 1).
4.1.2. Испытание плит нагружением проводят после достижения бетоном плит прочности, соответствующей классу бетона по прочности на сжатие и марке по прочности на растяжение при изгибе.
Допускается использовать для испытаний плиты, имеющие раковины, местные наплывы и околы бетона, размеры которых превышают допускаемые настоящим стандартом (п. 2.9.1) не более чем в два раза, и другие дефекты, не влияющие на прочность плит.
4.1.3. Испытания плит по прочности и трещиностойкости следует проводить по схеме, приведенной на черт. 9, и данным табл. 4.
Схема испытания плит

Черт. 9
Таблица 4
мм
|
Типоразмер плиты
|
l |
a |
k |
|
П60.38, П60.35 |
|
|
|
|
П60.30, П60.19 |
6000 |
900 |
1200 |
|
П60.18, ПБ60.18 |
|
|
|
|
ПББ55.20 |
5920 |
890 |
1180 |
|
ПТ55 |
5500 |
825 |
1100 |
|
П35.28 |
3500 |
|
|
|
П30.18 |
3000 |
700 |
|
|
П18.18, П18.15 |
1800 |
400 |
|
|
ПББ35.20 |
3920 |
930 |
100 |
|
ПТ35 |
3500 |
825 |
|
|
ПШ13, ПШД13, ПШП13 |
2480 |
570 |
|
|
ПШ12, ПШД12, ПШП12 |
2320 |
530 |
|
