ГОСТ 17608-91 (с изм. 1 1997), часть 2
Пятиугольные доборные плиты для окаймления шестиугольных плит
|
9Д.5 |
|
|
|
|
|
|
|
|
|
|
9Д.6 |
|
125 |
125 |
432 |
50 |
60 |
|
19,5 |
12,34 |
|
9Д.10 |
|
|
|
|
|
|
100 |
|
|
|
10Д.5 |
|
|
|
|
|
|
|
|
|
|
10Д.7 |
|
187 |
375 |
648 |
|
70 |
|
72,86 |
3,29 |
|
10Д.10 |
|
|
|
|
|
|
|
|
|
|
11Д.6 |
|
|
|
|
|
|
|
|
|
|
11Д.8 |
|
250 |
250 |
865 |
60 |
80 |
|
77,85 |
3,08 |
|
11Д.10 |
|
|
|
|
|
|
|
|
|
Четырехугольные доборные плиты для окаймления шестиугольных плит
|
12Д.5 |
|
|
|
|
|
|
|
|
|
|
12Д.6 |
|
- |
216 |
500 |
50 |
60 |
|
19,5 |
7,63 |
|
12Д.10 |
|
|
|
|
|
|
100 |
|
|
|
13Д.5 |
|
|
|
|
|
|
|
|
|
|
13Д.7 |
|
- |
324 |
750 |
|
70 |
|
43,74 |
3,40 |
|
13Д.10 |
|
|
|
|
|
|
|
|
|
|
14Д.6 |
|
|
|
|
|
|
|
|
|
|
14Д.8 |
|
- |
433 |
1000 |
60 |
80 |
|
77,9 |
1,91 |
|
14Д.10 |
|
|
|
|
|
|
|
|
|
Фигурные плиты и элементы мощения
|
1Ф1.7 |
|
200 |
- |
200 |
|
|
|
6,28 |
38,18 |
|
1Ф1.10 |
|
|
|
|
|
|
|
|
|
|
2Ф1.7 |
|
300 |
- |
296 |
|
|
|
13,94 |
17,21 |
|
2Ф1.10 |
|
|
|
|
|
|
|
|
|
|
3Ф1.7 |
|
430 |
- |
430 |
|
|
|
29,21 |
8,21 |
|
3Ф1.10 |
|
|
|
|
|
|
|
|
|
|
Ф2.7 |
|
285 |
- |
200 |
|
|
|
9,51 |
25,24 |
|
Ф2.10 |
|
|
|
|
|
|
|
|
|
|
1Ф3.7 |
|
200 |
- |
186 |
|
|
|
6,47 |
38,49 |
|
1Ф3.10 |
|
|
|
|
|
|
|
|
|
|
2Ф3.7 |
|
500 |
- |
470 |
70 |
70 |
100 |
55,8 |
6,15 |
|
2Ф3.10 |
|
|
|
|
|
|
|
|
|
|
Ф4.7 |
|
250 |
- |
200 |
|
|
|
7,21 |
33,56 |
|
Ф4.10 |
|
|
|
|
|
|
|
|
|
|
1Ф5.7 |
|
200 |
- |
222 |
|
|
|
7,94 |
30,23 |
|
1Ф5.10 |
|
|
|
|
|
|
|
|
|
|
2Ф5.7 |
|
290 |
- |
260 |
|
|
|
13,6 |
17,67 |
|
2Ф5.10 |
|
|
|
|
|
|
|
|
|
|
3Ф5.7 |
|
300 |
- |
150 |
|
|
|
7,2 |
33,33 |
|
3Ф5.10 |
|
|
|
|
|
|
|
|
|
|
4Ф5.7 |
|
300 |
- |
300 |
|
|
|
14,4 |
16,6 |
|
4Ф5.10 |
|
|
|
|
|
|
|
|
|
|
5Ф5.7 |
|
400 |
- |
444 |
70 |
70 |
100 |
31,97 |
7,51 |
|
5Ф5.10 |
|
|
|
|
|
|
|
|
|
|
1Ф6.7 |
|
250 |
- |
200 |
|
|
|
7,2 |
33,33 |
|
1Ф6.10 |
|
|
|
|
|
|
|
|
|
|
2Ф6.7 |
|
500 |
- |
400 |
|
|
|
28,8 |
8,33 |
|
2Ф6.10 |
|
|
|
|
|
|
|
|
|
|
1Ф7.7 |
|
300 |
- |
300 |
|
|
|
17,16 |
13,99 |
|
1Ф7.10 |
|
|
|
|
|
|
|
|
|
|
2Ф7.7 |
|
400 |
- |
330 |
|
|
|
26,97 |
8,90 |
|
2Ф7.10 |
|
|
|
|
|
|
|
|
|
|
3Ф7.7 |
|
560 |
- |
400 |
|
|
|
44,57 |
5,50 |
|
3Ф7.10 |
|
|
|
|
|
|
|
|
|
|
1Ф8.7 |
|
200 |
- |
150 |
|
|
|
4,66 |
51,55 |
|
1Ф8.10 |
|
|
|
|
70 |
70 |
100 |
|
|
|
2Ф8.7 |
|
470 |
- |
300 |
|
|
|
22,61 |
10,62 |
|
2Ф8.10 |
|
|
|
|
|
|
|
|
|
|
1Ф9.7 |
|
244 |
- |
195 |
|
|
|
9,53 |
25,19 |
|
1Ф9.10 |
|
|
|
|
|
|
|
|
|
|
2Ф9.7 |
|
300 |
- |
300 |
|
|
|
18,0 |
13,33 |
|
2Ф9.10 |
|
|
|
|
|
|
|
|
|
|
1Ф10.7 |
|
210 |
- |
112 |
|
|
|
4,58 |
53,76 |
|
1Ф10.10 |
|
|
|
|
|
|
|
|
|
|
2Ф10.7 |
|
392 |
- |
210 |
|
|
|
16,31 |
14,71 |
|
2Ф10.10 |
|
|
|
|
|
|
|
|
|
|
1Ф11.7 |
|
175 |
- |
170 |
|
|
|
4,84 |
51,02 |
|
1Ф11.10 |
|
|
|
|
|
|
|
|
|
|
2Ф11.7 |
|
302 |
- |
292 |
|
|
|
13,76 |
17,92 |
|
2Ф11.10 |
|
|
|
|
70 |
70 |
100 |
|
|
|
Ф12.7 |
|
218 |
- |
154 |
|
|
|
5,69 |
42,19 |
|
Ф12.10 |
|
|
|
|
|
|
|
|
|
|
Ф13.7 |
|
220 |
- |
205 |
|
|
|
7,53 |
31,85 |
|
Ф13.10 |
|
|
|
|
|
|
|
|
|
|
Ф14.7 |
|
300 |
- |
300 |
|
|
|
18,71 |
12,82 |
|
Ф14.10 |
|
|
|
|
|
|
|
|
|
|
Ф15.7 |
|
310 |
- |
250 |
|
|
|
15,0 |
16,0 |
|
Ф15.10 |
|
|
|
|
|
|
|
|
|
Элементы декоративные дорожные
|
ЭДД1.10 |
|
200 |
- |
100 |
|
|
|
6,86 |
50,0 |
|
ЭДД2.10 |
|
100 |
- |
100 |
100 |
100 |
|
3,43 |
100,0 |
|
ЭДД3.10 |
|
400 |
- |
400 |
|
|
100 |
54,86 |
6,25 |
|
ЭДД4.7 |
|
200 |
- |
300 |
70 |
70 |
|
12,8 |
20,0 |
|
ЭДД4.10 |
|
170 |
- |
141 |
|
|
|
6,57 |
52,6 |
|
Квадратные плиты |
|||||||||
|
2К.6 |
|
250 |
- |
250 |
50 |
60 |
- |
11,30 |
12,75 |
|
|
|
280 |
|
280 |
|
|
|
|
|
|
Прямоугольные плиты |
|||||||||
|
1П.7 |
|
240 |
- |
120 |
70 |
70 |
100 |
4,80 |
34,72 |
|
Фигурные плиты и элементы мощения |
|||||||||
|
1Ф7.8 |
|
200 |
- |
165 |
|
|
|
5,28 |
35,71 |
|
1Ф9.8 |
|
240 |
- |
220 |
|
|
|
8,89 |
21,60 |
|
1Ф16.8 |
|
238 |
- |
119 |
80 |
80 |
100 |
5,42 |
35,33 |
|
1Ф17.8 |
|
245 |
- |
132 |
|
|
|
5,15 |
37,31 |
|
1Ф18.8 |
|
230 |
90 |
140 |
|
|
|
5,04 |
37,34 |
(Измененная редакция, Изм. № 1)
Примечания:
1. Размер
приведен для тротуара шириной 3 м. Для тротуара другой ширины размер
определяют расчетом. Максимальная величина
должна быть меньше 2
.
2. Допускается изготовлять плиты с рифленой лицевой поверхностью с размерами углублений до 3 мм.
3. Допускается изготовление плит с фаской шириной до 10 мм и углом наклона до 45° по периметру лицевой поверхности.
ПРИЛОЖЕНИЕ 2
Рекомендуемое
АРМИРОВАНИЕ ПЛИТ
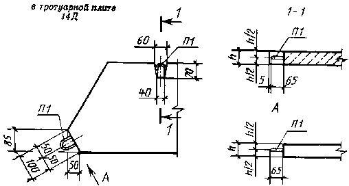
1. Детали установки петель указаны на черт.1.
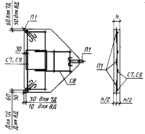
2. Расположение арматуры в плитах указано на черт. 2-7.
3. Арматурные изделия приведены на черт. 8-13.
4. Спецификация арматурных изделий на одну плиту и на одно арматурное изделие, выборка стали на одну плиту приведена в табл. 5-7.
Примечание. По согласованию с потребителем допускается изменение армирования плит (конструкции сеток, диаметра и класса арматуры, формы и привязки монтажных петель), связанной с установкой монтажных петель.
Детали установки петель П1


Примечание. Допускается установка петель на нижней поверхности или боковых гранях плит.
Черт. 1
Армирование тротуарных плит 7К, 8К

Черт. 2
Армирование тротуарных плит 4П, 5П, 6П

Черт. 3
Армирование тротуарной плиты 3Ш

Черт. 4
Армирование тротуарных плит 7Д, 8Д

Черт. 5
Армирование тротуарной плиты 11Д

Черт. 6
Армирование тротуарной плиты 14Д

Черт. 7
Арматурные сетки С1, С2

Черт. 8
Арматурные сетки С3, С4, С5

Черт. 9
Арматурная сетка С6

Черт. 10
Арматурные сетки С7, С8, С9

Черт. 11
Арматурная сетка С10

Черт. 12
Петля П1

Черт. 13
Таблица 5
Спецификация арматурных изделий на одну плиту
|
Марка плиты |
Сетка |
Петля |
||
|
|
Марка |
Кол., шт. |
Марка |
Кол., шт. |
|
7К |
С1 |
|
|
|
|
8К |
С2 |
|
|
|
|
4П |
С3 |
|
|
4 |
|
5П |
С4 |
1 |
П1 |
|
|
6П |
С5 |
|
|
|
|
3Ш |
С6 |
|
|
|
|
7Д |
С7, С8 |
|
|
|
|
8Д |
С8, С9 |
|
|
3 |
|
11Д |
С10 |
|
|
|
|
14Д |
|
|
|
|
Таблица 6
Спецификация и выборка стали на одно арматурное изделие
|
Марка |
Поз. |
Диаметр, |
Длина, |
Кол., |
Общая |
Масса |
Выборка стали |
|
|
изделия |
|
мм |
мм |
шт. |
длина, м |
поз., кг |
Диаметр, мм |
Масса изделия кг |
|
С1 |
1 |
|
690 |
8 |
5,52 |
0,51 |
4Вр-I |
0,57 |
|
|
2 |
|
170 |
4 |
0,68 |
0,06 |
- |
|
|
С2 |
3 |
|
940 |
8 |
7,52 |
0,69 |
4Вр-I |
0,75 |
|
|
2 |
|
170 |
4 |
0,68 |
0,06 |
- |
|
|
С3 |
1 |
4Вр-I |
690 |
2 |
1,38 |
0,13 |
4Вр-I |
0,25 |
|
|
4 |
|
315 |
4 |
1,26 |
0,12 |
- |
|
|
С4 |
1 |
|
690 |
3 |
2,07 |
0,19 |
4Вр-I |
0,35 |
|
|
5 |
|
440 |
4 |
1,76 |
0,16 |
- |
|
|
С5 |
3 |
|
940 |
3 |
2,82 |
0,26 |
4Вр-I |
0,46 |
|
|
5 |
|
440 |
5 |
2,20 |
0,20 |
- |
|
|
C6 |
3 |
|
640 |
6 |
3,84 |
0,35 |
4Вр-I |
0,35 |
|
C7 |
3 |
|
940 |
2 |
1,88 |
0,35 |
4Вр-I |
0,72 |
|
|
7 |
|
340 |
4 |
1,36 |
0,37 |
- |
|
|
С8 |
6 |
|
640 |
2 |
1,28 |
0,24 |
4Вр-I |
0,33 |
|
|
7 |
|
340 |
3 |
1,02 |
0,09 |
- |
|
|
С9 |
8 |
|
1240 |
2 |
2,48 |
1,23 |
4Вр-I |
1,67 |
|
|
9 |
|
190 |
5 |
0,95 |
0,44 |
- |
|
|
С10 |
6 |
|
640 |
2 |
1,28 |
0,24 |
4Вр-I |
0,33 |
|
|
7 |
|
340 |
3 |
1,02 |
0,09 |
- |
|
|
П1 |
10 |
6A-I |
665 |
1 |
0,665 |
0,15 |
6A-I |
0,15 |
Таблица 7
Расход стали на одну плиту
|
Типоразмер, марка плиты |
Арматурная сталь по ГОСТ 5781 |
Арматурная сталь по ГОСТ 6727 |
Всего, кг |
||
|
|
Класс A-I |
Класс Вр-I |
|
||
|
|
Диаметр 6 мм |
Итого, кг |
Диаметр 6 мм |
Итого, кг |
|
|
7К |
0,60 |
0,60 |
0,57 |
0,57 |
1,17 |
|
8К |
0,60 |
0,60 |
0,75 |
0,75 |
1,35 |
|
4П |
0,60 |
0,60 |
0,25 |
0,25 |
0,85 |
|
5П |
0,60 |
0,60 |
0,35 |
0,35 |
0,95 |
|
6П |
|
|
0,46 |
0,46 |
1,06 |
|
3Ш |
0,45 |
0,45 |
0,35 |
0,35 |
0,80 |
|
7Д |
0,45 |
0,45 |
1,05 |
1,05 |
1,50 |
|
8Д |
|
|
2,00 |
2,00 |
2,45 |
|
11Д |
0,45 |
0,45 |
0,33 |
0,33 |
0,78 |
|
14Д |
0,45 |
0,45 |
0,33 |
0,33 |
0,78 |
ПРИЛОЖЕНИЕ 3
Рекомендуемое
ПЕРЕЧЕНЬ
ПОВЕРХНОСТНО-АКТИВНЫХ ДОБАВОК, КОТОРЫЕ РЕКОМЕНДУЕТСЯ
ПРИМЕНЯТЬ ПРИ ПРИГОТОВЛЕНИИ БЕТОНА ДЛЯ ПРОИЗВОДСТВА ПЛИТ
1. Пластифицирующие (лигносульфонаты технические ЛСТ по ТУ 13-0281036-05 и ЛСБУ по ТУ 13-7308001-738, лигносульфонаты модифицированные ЛСТИ по ОСТ 13-287) в объеме (массе) 0,2-0,3% от массы цемента в пересчете на сухое вещество; сульфитно-дрожжевая бражка по ТУ 13-0281036-05 в объеме (массе) 0,2% от массы цемента в пересчете на сухое вещество.
2. Воздухововлекающие (смола нейтрализованная воздухововлекающая (СНВ) по ТУ 81-05-75 в объеме (массе) 0,01-0,02 от массы цемента в пересчете на сухое вещество.
3. Пластифицирующие-воздухововлекающие (мылонафт и асидол по ГОСТ 13302 в объеме (массе) не менее 0,2% от массы цемента, кремнийорганические жидкости ГКЖ-10 и ГКЖ-11 по ТУ 6-02-696) в объеме (массе) до 0,2% от массы цемента в пересчете на сухое вещество.
4. Газообразующие (гидрофобизирующая жидкость 136-41 (ГКЖ-94) по ГОСТ 10834) в объеме (массе) 0,1% от массы цемента.
5. Разжижитель С-3 (по ТУ 6-36-0204229-625) в объеме (массе) 0,3-0,7% от массы цемента в пересчете на сухое вещество.
ПРИЛОЖЕНИЕ 4
Рекомендуемое
Объем (масса) пигментов, вводимых в бетон плит
Таблица 8
|
Цвет |
Пигменты |
Рекомендуемое содержание |
|
|
|
неорганические (минеральные) |
органические |
пигментов, % от массы цемента |
|
Красный |
Редоксайд по ТУ 6-10-667 |
|
5 |
|
|
Сурик железный по ГОСТ 8135 |
- |
8 |
|
|
Железоокисный по ТУ МХП 1911 |
|
5 |
|
Желтый |
Железоокисный по ТУ МХП 1927 |
- |
5 |
|
Зеленый |
Окись хрома по ГОСТ 2912 |
- |
8 |
|
|
|
Фталоцианиновый по ГОСТ 6220 |
0,5 |
|
Голубой |
- |
Фталоцианиновый по ГОСТ 6220 |
0,5 |
|
Черный |
Руда марганцевая при содержании окиси марганца не менее 90% по СТУ 100-142 Груз. ССР |
- |
10 |
|
Белый |
Белый цемент по ГОСТ 965 |
- |
- |





















