РД 34.21.122-87, часть 2
в грунтах с эквивалентным удельным сопротивлением r £ 500 Ом× м при площади здания более 250 м2 выполняется контур из горизонтальных электродов, уложенных в земле на глубине не менее 0,5 м, а при площади здания менее 250 м2 к этому контуру в местах присоединения токоотводов приваривается по одному вертикальному или горизонтальному лучевому электроду длиной 2—3 м;
в грунтах с удельным сопротивлением 500 < r £ 1000 Ом× м при площади здания более 900 м2 достаточно выполнить контур только из горизонтальных электродов, а при площади здания менее 900 м2 к этому контуру в местах присоединения токоотводов приваривается не менее двух вертикальных или горизонтальных лучевых электродов длиной 2—3 м на расстоянии 3—5 м один от другого.
Минимально допустимые сечения (диаметры) электродов искусственных заземлителей определяются по табл. 3.
В зданиях большой площади наружный контур заземления может также использоваться для выравнивания потенциала внутри здания в соответствии с требованиями п. 1.9.
Во всех возможных случаях заземлитель защиты от прямых ударов молнии должен быть объединен с заземлителем электроустановок в соответствии с указаниями п. 1.7.
2.14. При установке отдельно стоящих молниеотводов расстояние от них по воздуху и в земле до защищаемого объекта и вводимых в него подземных коммуникаций не нормируется.
2.15. Наружные установки, содержащие горючие и сжиженные газы и легковоспламеняющиеся жидкости, следует защищать от прямых ударов молнии следующим образом:
а) корпуса установок из железобетона, металлические корпуса установок и отдельных резервуаров при толщине металла крыши менее 4 мм должны быть оборудованы молниеотводами, установленными на защищаемом объекте или отдельно стоящими;
б) металлические корпуса установок и отдельных резервуаров при толщине металла крыши 4 мм и более, а также отдельные резервуары вместимостью менее 200 м3 независимо от толщины металла крыши, а также металлические кожухи теплоизолированных установок достаточно присоединить к заземлителю.
2.16. Для резервуарных парков, содержащих сжиженные газы, общей вместимостью более 8000 м3 , а также для резервуарных парков с корпусами из металла и железобетона, содержащих горючие газы и легковоспламеняющиеся жидкости, при общей вместимости группы резервуаров более 100 тыс. м3 защиту от прямых ударов молнии следует, как правило, выполнять отдельно стоящими молниеотводами.
2.17. Очистные сооружения подлежат защите от прямых ударов молнии, если температура вспышки содержащегося в сточных водах продукта превышает его рабочую температуру менее чем на 10 °С. В зону защиты молниеотводов должно входить пространство, основание которого выходит за пределы очистного сооружения на 5 м в каждую сторону от его стенок, а высота равна высоте сооружения плюс 3 м.
2.18. Если на наружных установках или в резервуарах (наземных или подземных), содержащих горючие газы или легковоспламеняющиеся жидкости, имеются газоотводные или дыхательные трубы, то они и пространство над ними (см. п. 2.6) должны быть защищены от прямых ударов молнии. Такое же пространство защищается над срезом горловины цистерн, в которые происходит открытый налив продукта на сливоналивной эстакаде. Защите от прямых ударов молнии подлежат также дыхательные клапаны и пространство над ними, ограниченное цилиндром высотой 2,5 м с радиусом 5 м.
Для резервуаров с плавающими крышами или понтонами и зону защиты молниеотводов должно входить пространство, ограниченное поверхностью, любая точка которой отстоит на 5 м от легковоспламеняющейся жидкости в кольцевом зазоре.
2.19. Для наружных установок, перечисленных в пп. 2.15 — 2.18, в ткачестве заземлителей защиты от прямых ударов молнии следует по возможности использовать железобетонные фундаменты этих установок или (опор отдельно стоящих молниеотводов либо выполнять искусственные заземлители, состоящие из одного вертикального или горизонтального электрода длиной не менее 5 м.
К этим заземлителям, размещенным не реже чем через 50 м по периметру основания установки, должны быть присоединены корпуса наружных установок или токоотводы установленных на них молниеотводов, число присоединений — не менее двух.
2.20. Для защиты зданий и сооружений от вторичных проявлений молнии должны быть предусмотрены следующие мероприятия:
а) металлические корпуса всего оборудования и аппаратов, установленных в защищаемом здании (сооружении), должны быть присоединены к заземляющему устройству электроустановок, соответствующему указаниям п. 1.7, или к железобетонному фундаменту здания (с учетом требований п. 1.8) ;
б) внутри здания между трубопроводами и другими протяженными металлическими конструкциями в местах их сближения на расстояние менее 10 см через каждые 30 м должны быть выполнены перемычки в соответствии с указаниями п. 2.76;
в) во фланцевых соединениях трубопроводов внутри здания следует обеспечить нормальную затяжку не менее четырех болтов на каждый фланец.
2.21. Для защиты наружных установок от вторичных проявлений молнии металлические корпуса установленных на них аппаратов должны быть присоединены к заземляющему устройству электрооборудования или к заземлителю защиты от прямых ударов молнии.
На резервуарах с плавающими крышами или понтонами необходимо устанавливать не менее двух гибких стальных перемычек между плавающими крышами или понтонами и металлическим корпусом резервуара или токоотводами установленных на резервуаре молниеотводов.
2.22. Защита от заноса высокого потенциала по подземным коммуникациям осуществляется присоединением их на вводе в здание или сооружение к заземлителю электроустановок или защиты от прямых ударов молнии.
2.23. Защита от заноса высокого потенциала по внешним наземным (надземным) коммуникациям выполняется путем их присоединения на вводе в здание или сооружение к заземлителю электроустановок или защиты от прямых ударов молнии, а на ближайшей к вводу опоре коммуникации — к ее железобетонному фундаменту. При невозможности использования фундамента (см. п. 1.8) должен быть установлен искусственный заземлитель, состоящий из одного вертикального или горизонтального электрода длиной не менее 5 м.
2.24. Защита от заноса высокого потенциала по воздушным линиям электропередачи, сетям телефона, радио и сигнализации должна быть выполнена в соответствии с п. 2.10.
МОЛНИЕЗАЩИТА III КАТЕГОРИИ
2.25. Защита от прямых ударов молнии зданий и сооружений, относимых по устройству молниезащиты к III категории, должна выполняться одним из способов, указанных в п. 2.11, с соблюдением требований пп. 2.12 и 2.14.
При этом в случае использования молниеприемной сетки шаг ее ячеек должен быть не более 12 х 12м.
2.26. Во всех возможных случаях (см. п. 1.7) в качестве заземлителей защиты от прямых ударов молнии следует использовать железобетонные фундаменты зданий и сооружений.
При невозможности их использования выполняют искусственные заземлители:
каждый токоотвод от стержневых и тросовых молниеприемников должен быть присоединен к заземлителю, состоящему минимум из двух вертикальных электродов длиной не менее 3 м, объединенных горизонтальным электродом длиной не менее 5 м;
при использовании в качестве молниеприемников сетки или металлической кровли по периметру здания в земле на глубине не менее 0,5 м должен быть проложен наружный контур, состоящий из горизонтальных электродов. В грунтах с эквивалентным удельным сопротивлением 500 < r £ 1000 Ом× м и при площади здания менее 900 м2 к этому контуру в местах присоединения токоотводов следует приваривать по одному вертикальному или горизонтальному лучевому электроду длиной 2—3 м.
Минимально допустимые сечения (диаметры) электродов искусственных заземлителей определяются по табл. 3.
В зданиях большой площади (шириной более 100 м) наружный контур заземления может также использоваться для выравнивания потенциалов внутри здания в соответствии с требованиями п. 1.9.
Во всех возможных случаях заземлитель защиты от прямых ударов молнии должен быть объединен с заземлителем электроустановки, указанным в гл. 1.7 ПУЭ.
2.27. При защите строений для крупного рогатого скота и конюшен отдельно стоящими молниеотводами их опоры и заземлители следует располагать не ближе чем в 5м от входа в строения.
При установке молниеприемников или укладке сетки на защищаемом стрости в качестве заземлителей следует использовать железобетонный фундамент (см. п. 1.8) или наружный контур, проложенный по периметру строения под асфальтовой или бетонной отмосткой в соответствии с указаниями п. 2.26.
К заземлителям защиты от прямых ударов молнии должны быть присоединены находящиеся внутри строения металлические конструкции, оборудование и трубопроводы, а также устройства выравнивания электрических потенциалов.
2.28. Защита от прямых ударов молнии металлических скульптур и обелисков, указанных в п. 17 табл. 1, обеспечивается присоединением их к заземлителю любой конструкции, приведенной в п. 2.26.
При наличии часто посещаемых площадок вблизи таких сооружений большой высоты должно быть выполнено выравнивание потенциала в соответствии с п. 1.10.
2.29. Молниезащита наружных установок, содержащих горючие жидкости с температурой вспышки паров выше 61 ° С и соответствующих п. 6 табл. 1, должна быть выполнена следующим образом:
а) корпуса установок из железобетона, а также металлические корпуса установок и резервуаров при толщине крыши менее 4 мм должны быть оборудованы молниеотводами, установленными на защищаемом сооружении или отдельно стоящими;
б) металлические корпуса установок и резервуаров при толщине крыши 4 мм и более следует присоединять к заземлителю. Конструкции заземлителей должны отвечать требованиям п. 2.19.
2.30. Расположенные в сельской местности небольшие строения с неметаллической кровлей, соответствующие указанным в пп. 5 и 9 табл. 1, подлежат защите от прямых ударов молнии одним из упрощенных способов:
а) при наличии на расстоянии 3—10 м от строения деревьев, в 2 раза и более превышающих его высоту с учетом всех выступающих на кровле предметов (дымовые трубы, антенны и т.д.), по стволу ближайшего из деревьев должен быть проложен токоотвод, верхний конец которого выступает над кроной дерева не менее чем на 0,2 м. У основания дерева токоотвод должен быть присоединен к заземлителю;
б) если конек кровли соответствует наибольшей высоте строения, над ним должен быть подвешен тросовый молниеприемник, возвышающийся над коньком не менее чем на 0,25 м. Опорами для молниеприемника могут служить закрепленные на стенах строения деревянные планки. Токоотводы прокладывают с двух сторон по торцевым стенам строения и присоединяют к заземлителям. При длине строения менее 10 м токоотвод и заземлитель могут быть выполнены только с одной стороны;
в) при наличии возвышающейся над всеми элементами кровли дымовой трубы над ней следует установить стержневой молниеприемник высотой не менее 0,2 м, проложить по кровле и стене строения токоотвод и присоединить его к заземлителю;
г) при наличии металлической кровли ее следует хотя бы в одной точке присоединить к заземлителю; при этом токоотводами могут служить наружные металлические лестницы, водостоки и т.д. К кровле должны быть присоединены все выступающие на ней металлические предметы.
Во всех случаях следует применять молниеприемники и токоотводы минимальным диаметром 6 мм, а в качестве заземлителя — один вертикальный или горизонтальный электрод длиной 2—3 м минимальным диаметром 10 мм, уложенный на глубине не менее 0,5 м.
Соединения элементов молниеотводов допускаются сварные и болтовые.
2.31. Защита от прямых ударов молнии неметаллических труб, башен, вышек высотой более 15 м должна быть выполнена путем установки на этих сооружениях при их высоте:
до 5Ом — одного стержневого молниеприемника высотой не менее 1 м;
от 50 до 150 м — двух стержневых молниеприемников высотой не менее 1 м, соединенных на верхнем торце трубы;
более 150 м — не менее трех стержневых молниеприемников высотой 0,2 — 0,5 м или по верхнему торцу трубы должно быть уложено стальное кольцо сечением не менее 160 мм2 .
В качестве молниеприемника может также использоваться защитный колпак, устанавливаемый на дымовой трубе, или металлические конструкции типа антенн, устанавливаемые на телебашнях.
При высоте сооружения до 50 м от молниеприемников должна быть предусмотрена прокладка одного токоотвода; при высоте сооружения более 50 м токоотводы должны быть проложены не реже чем через 25 м по периметру основания сооружения, их минимальное количество два.
Сечения (диаметры) токоотводов должны удовлетворять требованиям табл. 3, а в зонах с высокой загазованностью или агрессивными выбросами в атмосферу диаметры токоотводов должны быть не менее 12 мм.
В качестве токоотводов могут использоваться ходовые металлические лестницы, в том числе с болтовыми соединениями звеньев, и прочие вертикальные металлические конструкции.
На железобетонных трубах в качестве токоотводов следует использовать арматурные стержни, соединенные по высоте трубы сваркой, скруткой или внахлест; при этом прокладка наружных токоотводов не требуется. Соединение молниеприемника с арматурой должно выполняться минимум в двух точках.
Все соединения молниеприемников с токоотводами должны быть выполнены сваркой.
Для металлических труб, башен, вышек установка молниеприемников и прокладка токоотводов не требуется.
В качестве заземлителей защиты от прямых ударов молнии металлических и неметаллических труб, башен, вышек следует использовать их железобетонные фундаменты согласно п. 1.8. При невозможности использования фундаментов на каждый токоотвод должен быть предусмотрен искусственный заземлитель из двух стержней, соединенных горизонтальным электродом (см. табл. 2); при периметре основания сооружения не более 25 м искусственный заземлитель может быть выполнен в виде горизонтального контура, проложенного на глубине не менее 0,5 м и выполненного из электрода круглого сечения (см. табл. 3). При использовании в качестве токоотводов арматурных стержней сооружения их соединения с искусственными заземлителями должны выполняться не реже чем через 25 м ври минимальном количестве присоединений, равном двум.
При возведении неметаллических труб, башен, вышек металлоконструкции монтажного оборудования (грузопассажирские и шахтные подъемники, кран-укосина и др.) должны быть присоединены к заземлителям. В этом случае временные мероприятия по молниезащите на период строительства могут не выполняться. 22
2.32. Для защиты от заноса высокого потенциала по внешним наземным (надземным) металлическим коммуникациям их необходимо на вводе в здание или сооружение присоединить к заземлителю электроустановок или защиты от прямых ударов молний.
2.33. Защита от заноса высокого потенциала по воздушным линиям электропередачи напряжением до 1 кВ и линиям связи и сигнализации должна выполняться в соответствии с ПУЭ и ведомственными нормативными документами.
3. КОНСТРУКЦИИ МОЛНИЕОТВОДОВ
3.1. Опоры стержневых молниеотводов должны быть рассчитаны на механическую прочность как свободно стоящие конструкции, а опоры тросовых молниеотводов — с учетом натяжения троса и действия на него ветровой и гололедной нагрузок.
3.2. Опоры отдельно стоящих молниеотводов могут выполняться из стали любой марки, железобетона или дерева.
3.3. Стержневые молниеприемники должны быть изготовлены из стали любой марки сечением не менее 100 мм2 и длиной не менее 200 мм и защищены от коррозии оцинкованием, лужением или окраской.
Тросовые молниеприемники должны быть выполнены из стальных многопроволочных канатов сечением не менее 35 мм2 .
3.4. Соединения молниеприемников с токоотводами и токоотводов с заземлителями должны выполняться, как правило, сваркой, а при недопустимости огневых работ разрешается выполнение болтовых соединений с переходным сопротивлением не более 0,05 Ом при обязательном ежегодном контроле последнего перед началом грозового сезона.
3.5. Токоотводы, соединяющие молниеприемники всех видов с заземлителями, следует выполнять из стали размерами не менее указанных в табл. 3.
3.6. При установке молниеотводов на защищаемом объекте и невозможности использования в качестве токоотводов металлических конструкций здания (см. п. 2.12) токоотводы должны быть проложены к заземлителям по наружным стенам здания кратчайшими путями.
3.7. Допускается использование любых конструкций железобетонных фундаментов зданий и сооружений (свайных, ленточных и т.п.) в качестве естественных заземлителей молниезащиты (с учетом требований п. 1.8).
Допустимые размеры одиночных конструкций железобетонных фундаментов, используемых в качестве заземлителей, приведены в табл. 2.
3.8. Рекомендуемые конструкции и размеры сосредоточенных искусственных заземлителей приведены в табл. 2. Минимально допустимые сечения (диаметры) электродов искусственных заземлителей нормированы в табл. 3.
ПРИЛОЖЕНИЕ 1
ОСНОВНЫЕ ТЕРМИНЫ
1. Прямой удар молнии (поражение молнией) — непосредственный контакт канала молнии с зданием или сооружением, сопровождающийся протеканием через него тока молнии.
2. Вторичное проявление молнии — наведение потенциалов на металлических элементах конструкции, оборудования, в незамкнутых металлических контурах, вызванное близкими разрядами молнии и создающее опасность искрения внутри защищаемого объекта.
3. Занос высокого потенциала — перенесение в защищаемое здание или сооружение по протяженным металлическим коммуникациям (подземным, наземным и надземным трубопроводам, кабелям и т.п.) электрических потенциалов, возникающих при прямых и близких ударах молнии и создающих опасность искрения внутри защищаемого объекта.
4. Молниеотвод — устройство, воспринимающее удар молнии и отводящее ее ток в землю.
В общем случае молниеотвод состоит из опоры; молниеприемника, непосредственно воспринимающего удар молнии; токоотвода, по которому ток молнии передается в землю; заземлителя, обеспечивающего растекание тока молнии в земле.
В некоторых случаях функции опоры, молниеприемника и токоотвода совмещаются, например при использовании в качестве молниеотвода металлических труб или ферм.
5. Зона защиты молниеотвода — пространство, внутри которого здание или сооружение защищено от прямых ударов молнии с надежностью не ниже определенного значения. Наименьшей и постоянной надежностью обладает поверхность зоны защиты; в глубине зоны защиты надежность выше, чем на ее поверхности.
Зона защиты типа А обладает надежностью 99,5% и выше, а тина Б — 95 % и выше.
6. Конструктивно молниеотводы разделяются на следующие виды:
стержневые — с вертикальным расположением молниеприемника;
тросовые (протяженные) — с горизонтальным расположением молниеприемника, закрепленного на двух заземленных опорах;
сетки — многократные горизонтальные молниеприемники, пересекающиеся под прямым углом и укладываемые на защищаемого объекта.
7. Отдельно стоящие молниеотводы — это те, опоры которых установлены на земле на некотором удалении от защищаемого объекта.
8. Одиночный молниеотвод — это единичная конструкция стержневого или тросового молниеотвода.
9. Двойной (многократный) молниеотвод — это два (или более) стержневых или тросовых молниеотвода, образующих общую зону защиты.
10. Заземлитель молниезащиты — один или несколько заглубленных в землю проводников, предназначенных для отвода в землю токов молнии или ограничения перенапряжений, возникающих на металлических корпусах, оборудовании, коммуникациях при близких разрядах молнии. Заземлители делятся на естественные и искусственные.
11. Естественные заземлители — заглубленные в землю металлические и железобетонные конструкции зданий и сооружений.
12. Искусственные заземлители — специально проложенные в земле контуры из полосовой или круглой стали; сосредоточенные конструкции, состоящие из вертикальных и горизонтальных проводников.
ПРИЛОЖЕНИЕ 2
ХАРАКТЕРИСТИКИ ИНТЕНСИВНОСТИ ГРОЗОВОЙ ДЕЯТЕЛЬНОСТИ И ГРОЗОПОРАЖАЕМОСТИ ЗДАНИЙ И СООРУЖЕНИЙ
Среднегодовая продолжительность гроз в часах в произвольном пункте на территории СССР определяется по карте (рис. 3), или по утвержденным для некоторых областей СССР региональным картам продолжительности гроз, или по средним многолетним (порядка 10 лет) данным метеостанции, ближайшей от места нахождения здания или сооружения.
Подсчет ожидаемого количества N поражений молнией в год производится по формулам:
для сосредоточенных зданий и сооружений (дымовые трубы, вышки, башни)
;
для зданий и сооружений прямоугольной формы
,
где h — наибольшая высота здания или сооружения, м; S, L — соответственно ширина и длина здания или сооружения, м; n — среднегодовое число ударов молнии в 1 км земной поверхности (удельная плотность , ударов молнии в землю) в месте нахождения здания или сооружения.
Для зданий и сооружений сложной конфигурации в качестве S и L рассматриваются ширина и длина наименьшего прямоугольника, в который может быть вписано здание или сооружение в плане.
Для произвольного пункта на территории СССР удельная плотность ударов молнии в землю n определяется исходя из среднегодовой продолжительности гроз в часах следующим образом:

Рис. 3. Карта средней за год продолжительности гроз в часах для территории СССР
|
Среднегодовая продолжительность гроз, ч |
Удельная плотность ударов молнии в землю n, 1/(км2 × год) |
|
10 — 20 |
1 |
|
20 — 40 |
2 |
|
40 — 60 |
4 |
|
60 — 80 |
5,5 |
|
80 — 100 |
7 |
|
100 и более |
8,5 |
ПРИЛОЖЕНИЕ 3
ЗОНЫ ЗАЩИТЫ МОЛНИЕОТВОДОВ
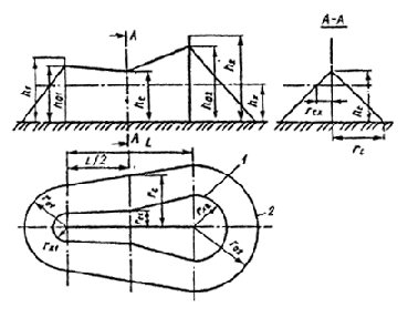
1. Одиночный стержневой молниеотвод.
Зона защиты одиночного стержневого молниеотвода высотой h представляет собой круговой конус (рис. П3.1), вершина которого находится на высоте h0 <h. На уровне земли зона защиты образует круг радиусом r0 . Горизонтальное сечение зоны защиты на высоте защищаемого сооружения hx представляет собой круг радиусом rx .
1.1. Зоны защиты одиночных стержневых молниеотводов высотой h£ 150 м имеют следующие габаритные размеры.
Зона A: h0 = 0,85h,
r0 = (1,1 — 0,002h)h,
rx = (1,1 — 0,002h)(h — hx /0,85).
Зона Б: h0 = 0,92h;
r0 = 1,5h;
rx =1,5(h — hx / 0,92).
Для зоны Б высота одиночного стержневого молниеотвода при известных значениях h и может быть определена по формуле
h = (rx + 1,63hx )/1,5.

Рис. П3.1. Зона защиты одиночного стержневого молниеотвода:
I — граница зоны защиты на уровне hx , 2 -то же на уровне земли
1.2. Зоны защиты одиночных стержневых молниеотводов высоток 150 < h < 600 м имеют следующие габаритные размеры.
Зона А:
;
![]()
Зона Б
;
![]()
![]()
2. Двойной стержневой молниеотвод.
2.1. Зона защиты двойного стержневого молниеотвода высотой h£ 150 м представлена на рис. П3.2. Торцевые области зоны защиты определяются как зоны одиночных стержневых молниеотводов, габаритные размеры которых h0 , r0 , rx1 , rx2 определяются по формулам п. 1.1 настоящего приложения для обоих типов зон защиты.

Рис. П3.2. Зона защиты двойного стержневого молниеотвода:
1 — граница зоны защиты на уровне hx1 ; 2 -то же на уровне hx2 ,
3 -то же на уровне земли
Внутренние области зон защиты двойного стержневого молниеотвода имеют следующие габаритные размеры.
Зона А:
при L £ h
;
;
;
при 2h < L £ 4h
;
;
;
При расстоянии между стержневыми молниеотводами L > 4h для построения зоны А молниеотводы следует рассматривать как одиночные.
Зона Б:
при L £ h
;
;
;
при h < L £ 6h
;
;
;
При расстоянии между стрежневыми молниеотводами L > 6h для построения зоны Б молниеотводы следует рассматривать как одиночные.
При известных значениях hc и L (при rcx = 0) высота молниеотвода для зоны Б определяется по формуле
h = (hc + 0,14L) / l,06.
2.2. Зона защиты двух стержневых молниеотводов разной высоты h 1 , и h2 £ 150 м приведена на рис. ПЗ.З. Габаритные размеры торцевых областей зон защиты h01 , h02 , r01 , r02 , rx1 , rx2 определяются по формулам п. 1.1, как для зон защиты обоих типов одиночного стержневого молниеотвода. Габаритные размеры внутренней области зоны защиты определяются по формулам:
;
;
;
где значения hc1 и hc2 вычисляются по формулам для hc п. 2.1 настоящего приложения.
Для двух молниеотводов разной высоты построение зоны А двойного стержневого молниеотвода выполняется при L £ 4hmin , а зоны Б — при L £ 6hmin . При соответствующих больших расстояниях между молниеотводами они рассматриваются как одиночные.

Рис. ПЗ.З Зона зашиты двух стержневых молниеотводов разной высоты. Обозначения те же, что и на рис. П3.1
3. Многократный стержневой молниеотвод.
Зона защиты многократного стержневого молниеотвода (рис. П3.4) определяется как зона защиты попарно взятых соседних стержневых молниеотводов высотой h £ 150 м (см. пп. 2.1, 2. 2 настоящего приложения).

Рис. П3.4. Зона защиты (в плане) многократного стержневого молниеотвода. Обозначения те же, что и на рис. П3.1
Основным условием защищенности одного или нескольких объектов высотой hx с надежностью, соответствующей надежности зоны А и зоны Б, является выполнение неравенства rcx > 0 для всех попарно взятых молниеотводов. В противном случае построение зон защиты должно быть выполнено для одиночных или двойных стержневых молниеотводов в зависимости от выполнения условий п. 2 настоящего приложения.
4. Одиночный тросовый молниеотвод.
Зона защиты одиночного тросового молниеотвода высотой h£ 150 м приведена на рис. П3.5, где h — высота троса в середине пролета. С учетом стрелы провеса троса сечением 35—50 мм2 при известной высоте опор h оп и длине пролета а высота троса (в метрах) определяется:
h = h оп — 2 при а < 120 м;
h = h оп — 3 при 120 < а < 15Ом.

Рис. П3.5. Зона защиты одиночного тросового молниеотвода. Обозначения те же, что и на рис. П3.1
Зоны защиты одиночного тросового молниеотвода имеют следующие габаритные размеры.
Зона А:
;
![]()
![]()
Зона Б:
;
;
![]()
Для зоны типа Б высота одиночного тросового молниеотвода при известных значениях hx и rx определяется по формуле
![]()
5. Двойной тросовый молниеотвод.
5.1. Зона защиты двойного тросового молниеотвода высотой h£ 150 м приведена на рис. П3.6. Размеры r0 , h0 , rx для зон защиты А и Б определяются по соответствующим формулам п. 4 настоящего приложения. Остальные размеры зон определяются следующим образом.

Рис. ПЗ.6 . Зона защиты двойного тросового молниеотвода. Обозначения те же, 410 и на рис. П3.2
Зона А:
при L £ h
;
;
![]()
при h < L £ 2h
;
;
;
![]()
при 2h < L £ 4h
;
;
;
![]()
При расстоянии между тросовыми молниеотводами L > 4h для построения зоны А молниеотводы следует рассматривать как одиночные.
Зона Б:
при L £ h
;
;
![]()
при h < L £ 6h
;
;
;
![]()
При расстоянии между тросовыми молниеотводами L > 6h для построения зоны Б молниеотводы следует рассматривать как одиночные. При известных значениях hc и L (при rcx = 0) высота тросового молниеотвода для зоны Б определяется по формуле
h = (hc + 0,12L) /1,06.

Рис. П3.7. Зона защиты двух тросовых молниеотводов разной высоты
5.2. Зона защиты двух тросов разной высоты h 1 и h2 приведена на рис. П3.7. Значения r01 , r02 , h01 , h02 , rx1 , rx2 определяются по формулам п. 4 настоящего приложения как для одиночного тросового молниеотвода. Для определения размеров rc и h с используются формулы:
;
![]()
где hc1 и hc2 вычисляются по формулам для hc П.5.1 настоящего приложения.
Далее
по формулам того же п. 4 вычисляются
,
,
.
ПРИЛОЖЕНИЕ 4
ПОСОБИЕ К "ИНСТРУКЦИИ ПО УСТРОЙСТВУ МОЛНИЕЗАЩИТЫ ЗДАНИЙ И СООРУЖЕНИЙ"
(РД34.21.122-8 7)
Настоящее пособие ставит задачей пояснить и конкретизировать основные положения РД 3421.122-87, а также ознакомить специалистов, занятых разработкой и проектированием молниезащиты различных объектов, с существующими представлениями о развитии молнии и ее параметрах, определяющих опасные воздействия на человека и материальные ценности. Приводятся примеры исполнения молниезащиты зданий и сооружений различных категорий в соответствии с требованиями РД 34.21.122-87.
1. КРАТКИЕ СВЕДЕНИЯ О РАЗРЯДАХ МОЛНИИ И ИХ ПАРАМЕТРАХ
Молния представляет собой электрический разряд длиной в несколько километров, развивающийся между грозовым облаком и землей или каким-либо наземным сооружением.
Разряд молнии начинается с развития лидера — слабо светящегося канала с током в несколько сотен ампер. По направлению движения лидера — от облака вниз или от наземного сооружения вверх — молнии разделяются на нисходящие и восходящие. Данные о нисходящих молниях накапливались продолжительное время в нескольких регионах земного шара. Сведения о восходящих молниях появились лишь в последние десятилетия, когда начались систематические наблюдения за грозопоражаемостью очень высоких сооружений, например Останкинской телевизионной башни.
Лидер нисходящей молнии возникает под действием процессов в грозовом облаке, и его появление не зависит от наличия на поверхности земли каких-либо сооружений. По мере продвижения лидера к земле с наземных объектов могут возбуждаться направленные к облаку встречные лидеры. Соприкосновение одного из них с нисходящим лидером (или касание последнего поверхности земли) определяет место удара молнии в землю или какой-либо объект.
Восходящие лидеры возбуждаются с высоких заземленных сооружений, у вершин которых электрическое поле во время грозы резко усиливается. Сам факт появления и устойчивого развития восходящего лидера определяет место поражения. На равнинной местности восходящие молнии поражают объекты высотой более 150 м, а в горных районах возбуждаются с остроконечных элементов рельефа и сооружении меньшей высоты и потому наблюдаются чаще.
Рассмотрим сначала процесс развития и параметры нисходящей молнии. После установления сквозного лидерного канала следует главная стадия разряда — быстрая нейтрализация зарядов лидера, сопровождающаяся ярким свечением и нарастанием тока до пиковых значений, варьирующихся от единиц до сотен килоампер. При этом происходит интенсивный разогрев канала (до десятков тысяч кельвин) и его ударное расширение, воспринимаемое на слух как раскат грома. Ток главной стадии состоит из одного или нескольких последовательных импульсов, наложенных на непрерывную составляющую. Большинство импульсов тока имеет отрицательную полярность. Первый импульс при общей длительности в несколько сотен микросекунд имеет длину фронта от 3 до 20 мкс; пиковое значение тока (амплитуда) варьируется в широких пределах: в 50% случаев (средний ток) превышает 30, а в 1—2% случаев 100 кА. Примерно в 70% нисходящих отрицательных молний за первым импульсом наблюдаются последующие с меньшими амплитудами и длиной фронта: средние значения соответственно 12 кА и 0,6 мкс. При этом крутизна (скорость нарастания) тока на фронте последующих импульсов выше, чем для первого импульса.
Ток непрерывной составляющей нисходящей молнии варьируется от единиц до сотен ампер и существует на протяжении всей вспышки, продолжающейся в среднем 0,2 с, а в редких случаях 1—1,5 с.
Заряд, переносимый в течение всей вспышки молнии, колеблется от единиц до сотен кулон, из которых на долю отдельных импульсов приходится 5-15, а на непрерывную составляющую 10-20 Кл.
