ГОСТ 9758-86 (с изм. 1 1988, 2 1989), часть 3
Гидравлический пресс с максимальным усилием 50—750 кН (5—75 тс) по ГОСТ 8905—82.
Портландцемент марок 400—500 по ГОСТ 10178—85.
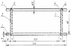
Схема приспособления для раскалывания
бетонной призмы на кубы

1 — металлические стержни диаметром 5 мм; 2 — места расточки стержней
до диаметра 3 мм; 3 — резинка-продержка (или стальная пружина);
4 — места прошивки резинки
Черт. 8
22.3. Подготовка пробы
Пробу щебня фракций 5—10 и 10—20 мм объемом соответственно 15 и 20 л каждая высушивают до постоянной массы и просеиванием отделяют зерна смежных фракций.
Пробу песка (из той же породы, что и щебень) объемом 30 л также высушивают до постоянной массы и выделяют фракцию размером 0—5 мм.
Необходимое для стандартных составов бетонов количество цемента, щебня и песка дозируют в соответствии с табл. 5.
Таблица 5
|
|
|
Расход заполнителей на замес, л |
||
|
|
Расход цемента |
Размер фракций, мм |
||
|
Номер замеса |
на замес, кг |
песка |
щебня |
|
|
|
|
0-5 |
5—10 |
10—20 |
|
1 |
2,4 |
8,5 |
3,7 |
5,6 |
|
2 |
4,3 |
7,8 |
3,7 |
5,6 |
|
3 |
7,2 |
7,0 |
3,7 |
5,6 |
22.4. Проведение испытания
Отдозированные на замес компоненты перемешивают в сухом виде на предварительно увлажненном противне, затем постепенно наливают воду до получения малоподвижной бетонной смеси с осадкой конуса 1— 4 см по ГОСТ 7473—85.
Смесь перемешивают вручную в течение 5 мин (или 3 мин при использовании лабораторной бетономешалки принудительного действия) и дважды на разных порциях проверяют осадку конуса.
Израсходованное количество воды измеряют.
Всего готовят три замеса бетонной смеси — при разных соотношениях навесок цемента и заполнителей, каждый объемом примерно 12 л в уплотненном состоянии.
Приготовленную бетонную смесь укладывают в предварительно взвешенные формы и вибрируют в течение 20—30 с.
Из каждого замеса готовят две призмы (или шесть кубов), взвешивают и путем деления массы смеси в формах на объем образцов, вычисленный после распалубливания, вычисляют плотность бетонной смеси в уплотненном состоянии r см .
Фактический расход цемента и заполнителей в кг/м3 в уплотненной бетонной смеси для каждого из трех замесов вычисляют по ГОСТ 26000—86.
Половину изготовленных образцов через (20 ± 4) ч пропаривают в формах по режиму 4 + 4 + 16 ч (подъем температуры до (85 ± 2) °С, выдержка при этой температуре и медленное остывание в отключенной камере).
Другую половину образцов хранят в формах в помещении лаборатории по ГОСТ 10180—78.
На вторые сутки после изготовления все образцы извлекают из форм, обмеряют и взвешивают. Образцы, предназначенные для нормального твердения, переносят в камеру, а пропаренные испытывают не ранее чем через 4 ч.
Перед испытанием боковые грани призм расчерчивают на четыре равные площади тремя линиями, по которым через рамочное приспособление, надеваемое на образец, передают усилия, раскалывающие призму на четыре куба размерами примерно 10C 10C 10 см.
Непременным условием испытания является совмещение стержней в одной вертикальной плоскости. Это достигается одинаковым натяжением резинок или пружин.
Призму следует расколоть сначала на две половины, а затем каждую на два куба.
Раскалывающие усилия фиксируют.
Полученные от раскола призм (или изготовленные самостоятельно) кубы устанавливают на боковые грани и испытывают на сжатие в гидравлическом прессе.
22.5. Обработка результатов
22.5.1. Определение прочности при сжатии
Прочность при сжатии (R сж ) в МПа (кгс/см2 ) вычисляют по результатам испытания четырех кубов (полученных после раскола призмы) по формуле
(36)
где å Р сж — сумма разрушающих нагрузок, Н (кгс);
F — боковая поверхность призмы, см2 , вычисляемая по формуле
(37)
где h — геометрическая высота призмы (среднее значение из четырех), см;
а — размер (средний из шести — по три замера в трех сечениях) боковых граней, являющийся высотой при изготовлении, см.
В случае испытания самостоятельно изготовленных кубов прочность при сжатии определяют по ГОСТ 10180—78.
22.5.2. Определение плотности бетона
Расчетную плотность бетона (в высушенном до постоянной массы состоянии) (r б.сух ) в кг/м3 для каждого из трех составов вычисляют по формуле
(38)
где Ц , П , Щ 5– 10 и Щ 10– 20 — фактические расходы уплотненной бетонной смеси, цемента, песка и щебня фракций 5—10 и 10—20 мм, кг/м3 .
22.5.3. Определение прочности бетона при растяжении (путем раскола)
Прочность бетона при растяжении (путем раскола) (R р ) в МПа (кгс/см2 ) вычисляют по формуле
(39)
где Р р — раскалывающее усилие, Н (кгс);
F — площадь поперечного сечения призмы в плоскости раскола, см2 , определяемая по формуле
(40)
где а — средний (из двух) размер боковых граней, являющийся высотой при изготовлении, см;
b — средний (из двух) размер верхней и нижней граней призмы, см.
Прочность бетона при растяжении (путем раскола) вычисляют как среднее арифметическое значение результатов определений в трех сечениях призмы.
22.5.4. Построение графиков
Результаты испытаний трех серий образцов наносят на два графика — для пропаренных образцов и образцов нормального твердения, соответственно для предварительной и окончательной оценки качества заполнителей.
По оси абсцисс откладывают расходы цемента Ц в кг/м3 , а по оси ординат вниз — плотности r б.сух в кг/м3 и вверх — прочности при сжатии (растяжении) R сж (R р ) в МПа (кгс/см2 ).
Значения прочности как после пропаривания, так и после нормального твердения, наносимые на графики, принимают с учетом переходного коэффициента 0,95 от прочности кубов 10Х10Х10 см к стандартным кубам 15C 15C 15 см.
Графическим путем устанавливают расходы цемента, соответствующие полученным на испытываемых заполнителях маркам бетона по прочности при сжатии, и значения расчетной плотности бетона.
22.5.5. Оценка качества заполнителей
Испытание заполнителей в бетоне по ГОСТ 22263—76 производят в случае несоответствия их одному или нескольким требованиям ГОСТ 9757—83.
Оценку качества заполнителей производят по следующим показателям:
расходу цемента, который не должен превышать нормативного для полученных марок бетона;
прочности бетона на растяжение (путем раскола);
относительной прочности бетона R сж /М ц , где М ц — марка цемента, МПа;
расчетной плотности бетона r б.сух , кг/м3 ;
коэффициенту конструктивного качества (К к.к ) в метрах, вычисляемому по формуле
(41)
где R сж — прочность бетона при сжатии, МПа;
r б.сух — расчетная плотность бетона, кг/м3 .
Испытание признают удовлетворительным, если заполнители отвечают основному требованию, т. е. при обеспечении условия о расходе цемента не выше нормативного.
Все остальные показатели служат для предварительной оценки рациональной области применения испытываемых заполнителей по ГОСТ 25820—83 и сравнения их с другими видами.
23. ОПРЕДЕЛЕНИЕ МОРОЗОСТОЙКОСТИ КРУПНОГО ЗАПОЛНИТЕЛЯ
23.1. Сущность метода
Морозостойкость определяют по потерям массы навески до и после проведения ряда циклов попеременного замораживания и оттаивания испытуемого заполнителя в увлажненном состоянии.
23.2. Аппаратура
Морозильная камера.
Сушильный электрошкаф по ОСТ 1 6.0.801.397— 87.
Весы для статического взвешивания по ГОСТ 23676—79.
Мерные цилиндрические сосуды вместимостью 2 и 4 л.
Сита с отверстиями 5, 10, 20 и 40 мм из стандартного набора.
Чугунная эмалированная ванна по ГОСТ 1154—80.
Контейнеры (по числу испытываемых навесок заполнителя).
Щетка (жесткая волосяная или капроновая) по ГОСТ 10597— 8 7.
23.3. Подготовка пробы
Отбирают пробу испытываемой фракции гравия или щебня объемом 2—4 л. Зерна заполнителя очищают щеткой от рыхлых частиц и пыли, высушивают до постоянной массы, просеивают через сита с отверстиями, соответствующими наибольшей и наименьшей крупности зерен испытываемой фракции, и делят пополам на две навески.
23.4. Проведение испытания
Каждую навеску всыпают в отдельные контейнеры с перфорированным дном и крышкой и помещают на 48 ч в ванну с водой, имеющей температуру (20 ± 3) °С. Затем контейнеры со всеми навесками вынимают из ванны и после того, как вода стечет, помещают их в морозильную камеру, внутри которой температуру доводят до минус (15 ± 5) °С. Продолжительность одного выдерживания в камере при установившейся температуре должна быть не менее 4 ч. После этого контейнеры с крупным заполнителем помещают в ванну с водой, имеющей температуру плюс (20 ± 3) °С, и выдерживают в ней не менее 4 ч.
После проведения установленного соответствующими стандартами или техническими условиями на данный вид заполнителя числа циклов попеременного замораживания и оттаивания навески высушивают до постоянной массы и просеивают на ситах с отверстиями, соответствующими минимальным размерам данной фракции. Остаток на ситах от каждой навески взвешивают.
23.5. Обработка результатов
Потерю массы (М мрз ) в процентах вычисляют по формуле
(42)
где т 1 — масса навески заполнителя до испытания, г;
т 2 — масса остатка на сите после испытания, г.
Потерю массы при замораживании определяют как среднее арифметическое значение результатов двух параллельных испытаний для каждой фракции заполнителя.
24. ОПРЕДЕЛЕНИЕ МОРОЗОСТОЙКОСТИ КРУПНОГО ЗАПОЛНИТЕЛЯ ИСПЫТАНИЕМ В РАСТВОРЕ СЕРНОКИСЛОГО НАТРИЯ
24.1. Сущность метода
Морозостойкость заполнителей испытанием в растворе сернокислого натрия определяют по потере массы навески заполнителя после испытания.
24.2. Аппаратура и реактивы
Сушильный электрошкаф по ОСТ 1 6.0.801.397— 87.
Электроплита по ГОСТ 14919—83.
Весы для статического взвешивания по ГОСТ 23676—79.
Сита с отверстиями 5, 10, 20 и 40 мм из стандартного набора.
Ванна.
Контейнер для насыщения заполнителя водой.
Щетка (жесткая волосяная или капроновая) по ГОСТ 10597— 87.
Ареометр общего назначения с ценой деления 10, со шкалой 1000—1400 или аккумуляторный денсиметр с ценой делений 0,01 и шкалой 1,1—1,3.
Безводный сернокислый натрий по ГОСТ 4166—76 или кристаллический сернокислый натрий по ГОСТ 4171—76.
Дистиллированная вода по ГОСТ 6709—72.
24.3. Подготовка пробы
Навески крупного заполнителя для испытания готовят так же, как для испытаний на морозостойкость замораживанием.
24.4. Подготовка раствора сернокислого натрия
Отвешивают 250—300 г безводного сернокислого натрия или 700—1000 г кристаллического сернокислого натрия и растворяют в 1 л подогретой дистиллированной воды путем постепенного добавления сернокислого натрия при тщательном перемешивании до насыщения раствора; раствор охлаждают до комнатной температуры и проверяют ареометром его плотность, которая должна быть в пределах 1150—1170 кг/м3 . Если плотность раствора меньше 1150 или больше 1170 кг/м3 , то добавляют соответственно сернокислый натрий или дистиллированную воду. Приготовленный раствор сливают в бутыль и хранят, не взбалтывая, в течение 48 ч.
24.5. Проведение испытания
Контейнер с навеской заполнителя погружают в ванну с раствором сернокислого натрия так, чтобы заполнитель был полностью погружен в раствор. Пробу выдерживают в растворе при комнатной температуре в течение 18 ч. Затем контейнер с заполнителем вынимают из ванны, дают стечь раствору и помещают на 4 ч в сушильный электрошкаф, в котором поддерживают температуру (105 ± 5) °С. После этого материалы охлаждают до комнатной температуры.
В указанной последовательности операцию насыщения раствором сернокислого натрия и высушивания заполнителя повторяют три раза. Затем навеску заполнителя промывают горячей водой (для удаления сернокислого натрия), высушивают и рассеивают на сите с отверстиями, соответствующими минимальному размеру испытываемой фракции. Остаток на сите взвешивают.
24.6. Обработка результатов
Потерю массы (М сн ) в процентах вычисляют по формуле
(43)
где т 1 — масса навески заполнителя до испытания, г;
т 2 — масса остатка на сите после испытания, г.
Потерю массы при определении морозостойкости крупного заполнителя испытанием в растворе сернокислого натрия вычисляют как среднее арифметическое значение результатов двух параллельных определений для каждой фракции заполнителя.
Три цикла испытания заполнителя в растворе сернокислого натрия соответствует 15 циклам испытаний на замораживание (Мрз 15).
25. ОПРЕДЕЛЕНИЕ СТОЙКОСТИ КРУПНОГО ЗАПОЛНИТЕЛЯ ПРОТИВ СИЛИКАТНОГО РАСПАДА
25.1. Сущность метода
Стойкость против силикатного распада определяют по потерям массы навески крупного заполнителя до и после проведения циклов попеременного пропаривания и охлаждения.
25.2. Аппаратура
Автоклав или сосуд для пропаривания (в качестве сосуда для пропаривания можно применять любой сосуд с закрывающейся крышкой).
Сушильный электрошкаф по ОСТ 1 6.0.801.397— 87.
Электроплита по ГОСТ 14919—83.
Весы для статического взвешивания по ГОСТ 23676—79.
Технические весы по ГОСТ 24104—8 8.
Сита с отверстиями 5, 10, 20 и 40 мм из стандартного набора.
Щетка (жесткая волосяная или капроновая) по ГОСТ 10597— 80.
Ванна для охлаждения заполнителя в воде.
25.3. Подготовка пробы
Навески заполнителя для испытания готовят так же, как для испытаний на морозостойкость.
25.4. Проведение испытания
Контейнер вместе с навеской заполнителя помещают в сосуд и наливают воду так, чтобы она не доходила до дна контейнера на 10—20 мм. Сосуд закрывают крышкой.
Воду нагревают до кипения. Заполнитель пропаривают в течение 3 ч, затем контейнер с заполнителем вынимают из сосуда и погружают на 3 ч в ванну с водой комнатной температуры.
Попеременное пропаривание и охлаждение до комнатной температуры повторяют три раза.
При испытании в среде насыщенного водяного пара в автоклав помещают навеску заполнителя и в течение 30 мин постепенно поднимают давление до 0,2 МПа (2 ати). При этом давлении заполнитель выдерживают 2 ч, после чего давление в течение не менее чем за 20 мин постепенно снижают до атмосферного. Пробу заполнителя в автоклаве испытывают один раз.
После окончания испытания в автоклаве или способом пропаривания навески заполнителя высушивают до постоянной массы и просеивают через сито, на котором она оставалась до испытания.
Остаток на сите взвешивают.
25.5. Обработка результатов
Потерю массы при пропаривании (М с ) в процентах вычисляют по формуле
(44)
где m 1 — навеска заполнителя до испытания, г;
т 2 — масса остатка на сите после испытания, г.
Потерю массы вычисляют как среднее арифметическое значение результатов двух параллельных определений для каждой фракции заполнителя.
26. ОПРЕДЕЛЕНИЕ СТОЙКОСТИ КРУПНОГО ЗАПОЛНИТЕЛЯ ПРОТИВ ЖЕЛЕЗИСТОГО РАСПАДА
26.1. Сущность метода
Стойкость против железистого распада определяют по потере массы навески крупного заполнителя до и после 30-суточного хранения в воде.
26.2. Аппаратура
Сушильный электрошкаф по ОСТ 1 6.0.801.397— 87.
Весы для статического взвешивания по ГОСТ 23676—79.
Технические весы по ГОСТ 24104—8 8.
Сита с отверстиями 5, 10, 20 и 40 мм из стандартного набора.
Мерные цилиндрические сосуды.
Щетка (жесткая волосяная или капроновая) по ГОСТ 10597—8 7.
Контейнер для насыщения заполнителя водой.
Дистиллированная вода по ГОСТ 6709—72.
26.3. Подготовка пробы
Навески крупного заполнителя для испытания готовят так же, как для испытаний на морозостойкость.
26.4. Проведение испытания
Контейнер с навеской заполнителя помещают на 30 сут в сосуд с дистиллированной водой. По окончании указанного срока пробу заполнителя вынимают из воды, высушивают до постоянной массы и просеивают через сито, на котором она оставалась до испытания. Остаток на сите взвешивают.
26.5. Обработка результатов
Потерю массы (М ж ) в процентах вычисляют по формуле
(45)
где m 1 — масса навески заполнителя до испытания, г;
т 2 — масса остатка на сите после испытания, г.
Потерю массы при определении стойкости против железистого распада вычисляют как среднее арифметическое значение результатов двух параллельных определений для каждой фракции заполнителя.
27. ОПРЕДЕЛЕНИЕ ПОТЕРИ МАССЫ КРУПНОГО ЗАПОЛНИТЕЛЯ ПРИ КИПЯЧЕНИИ
27.1. Сущность метода
Потерю массы крупного заполнителя при кипячении определяют по разности массы навески до и после испытания.
27.2. Аппаратура
Сушильный электрошкаф по ОСТ 1 6.0.801.397— 87.
Весы для статического взвешивания по ГОСТ 23676—79.
Сита с отверстиями 5, 10, 20 и 40 мм из стандартного набора.
Мерный цилиндрический сосуд вместимостью 5 л.
Электроплита по ГОСТ 1 4919—8 3.
Щетка (жесткая волосяная или капроновая) по ГОСТ 10597—8 7.
27.3. Подготовка пробы
Навески заполнителя для испытания готовят так же, как для испытания на морозостойкость.
27.4. Проведение испытания
Контейнер с навеской заполнителя помещают в мерный сосуд с водой и выдерживают в нем 48 ч. Далее сосуд с контейнером нагревают на электроплите, доводят воду в сосуде до кипения и кипятят в течение 4 ч. При этом уровень воды в сосуде следует поддерживать выше зерен заполнителя в контейнере не менее чем на 20 мм, добавляя кипящую воду по мере ее выкипания. После 4 ч кипячения контейнер с заполнителем вынимают из воды, выгружают заполнитель и высушивают до постоянной массы. Далее заполнитель просеивают через сито, на котором он оставался до испытания. Остаток на сите взвешивают.
27.5. Обработка результатов
Потерю массы крупного заполнителя при кипячении (М к ) в процентах вычисляют по формуле
(46)
где т 1 — масса навески до испытания, г;
т 2 — масса остатка на сите после испытания, г.
Потерю массы крупного заполнителя при кипячении вычисляют как среднее арифметическое значение результатов двух параллельных определений для каждой фракции заполнителя.
28. ОПРЕДЕЛЕНИЕ СОДЕРЖАНИЯ СЛАБООБОЖЖЕННЫХ ЧАСТИЦ В ПЕСКЕ
28.1. Сущность метода
Определение содержания слабообожженных частиц в песке, полученном в печах кипящего слоя, производят фотометрическим методом.
Метод основан на определении оптической плотности окраски раствора метиленового синего с испытываемым песком.
В результате адсорбции слабообожженными (глинистыми) частицами метиленового синего изменяется оптическая плотность окраски раствора.
Оптическую плотность окраски измеряют на фотоэлектрическом колориметре.
28.2. Аппаратура и реактивы
Фотоэлектрический лабораторный колориметр по ГОСТ 12083¾ 78.
Электропечь с номинальной температурой 1100 °С по ОСТ 1 6.0.801.397— 87.
Сушильный электрошкаф по ОСТ 1 6.0.801.397— 87.
Технические весы по ГОСТ 24104—8 8.
Фарфоровая ступка с пестиком по ГОСТ 9147—80.
Фарфоровая чашка по ГОСТ 9147—80.
Сита с отверстиями 0,16 и 0,315 мм из стандартного набора.
Стеклянные пробирки вместимостью 90 мл по ГОСТ 19908—80.
Метиленовый синий (фармакопейный) 0,05 %-ный раствор.
28.3. Подготовка пробы
От средней пробы сырцовой глинистой крошки, используемой для производства пористого песка, отбирают пробу объемом 0,5 л, помещают ее в фарфоровую чашку и прокаливают в муфельной печи при температуре 450— 500 °С в течение 1 ч. Прокаленную пробу измельчают в фарфоровой ,ступке до полного прохождения через сито с ячейками 0,315 мм и отсеивают фракцию 0,16— 0,315 мм, используемую для испытания.
От партии испытываемого песка отбирают объединенную пробу объемом 2 л, от которой методом квартования отбирают две пробы для испытаний в объеме 0,2 и 1 л по разд. 2, используемые в дальнейшем соответственно для определения содержания слабообожженных частиц и построения градуировочного графика.
Пробу объемом 0,2 л высушивают до постоянной массы в сушильном электрошкафу при температуре (105 ± 5) °С. Пробу объемом 1 л помещают в фарфоровую чашку и прокаливают в печи при температуре 900 °С в течение 1 ч.
После термообработки обе пробы измельчают по отдельности в фарфоровой ступке до полного прохождения через сито с ячейками 0,315 мм и из каждой пробы выделяют фракции 0,16—0,315 мм, предназначенные для испытаний.
28.4. Построение градуировочного графика
Пробу песка, прокаленную при 900 °С, делят на восемь частей, в каждую из них добавляют соответственно 0; 1,0; 2,0; 3,0; 4,0; 5,0; 7,0; 10,0 % по массе глинистого сырья, прокаленного при температуре 450¾ 500 °С и тщательно перемешивают, от каждой из приготовленных смесей отбирают навески массой по 2 г, помещают в градуированные пробирки и заливают 0,05 %-ным раствором метиленового синего до отметки 50 мл.
Содержимое всех пробирок взбалтывают в течение 5 мин и оставляют отстаиваться па 24 ч. После отстаивания по показаниям фотоэлектрического колориметра определяют оптическую плотность раствора в каждой пробирке.
По показаниям восьми определений оптической плотности строят градуировочный график зависимости оптической плотности эталонных растворов от содержания слабообожженных частиц песка в процентах.
28.5. Проведение испытания
Из пробы песка, высушенного до постоянной массы по п. 7.3, отбирают три навески по 2 г, помещают в стеклянные пробирки и заливают 0,05 %-ным раствором метиленового синего до отметки 50 мл. После отстаивания по показаниям фотоэлектрического колориметра определяют оптическую плотность раствора в каждой пробирке.
По показаниям трех определений оптической плотности растворов с испытываемым песком вычисляют среднее арифметическое значение величины оптической плотности.
28.6. Обработка результатов
Среднее арифметическое значение оптической плотности раствора с испытываемым песком откладывают на оси ординат градуировочного графика, из полученной точки проводят линию, параллельную оси абсцисс, до пересечения с эталонной кривой; из точки пересечения опускают перпендикуляр на ось абсцисс и получают точку, характеризующую содержание слабообожженных частиц пористого песка в процентах.
29. ОПРЕДЕЛЕНИЕ СОДЕРЖАНИЯ ВОДОРАСТВОРИМЫХ СЕРНИСТЫХ И СЕРНОКИСЛЫХ СОЕДИНЕНИЙ
29.1. Сущность метода
Метод основан на переводе водорастворимых сернистых и сернокислых соединений в нерастворимый осадок сульфата бария.
В осадке содержание этих соединений в пересчете на SO 3 определяют гравиметрическим методом.
29.2. Аппаратура и реактивы
Водяная баня.
Сушильный электрошкаф по ОСТ 1 6.0.801.397— 87.
Электропечь с номинальной температурой 1100 °С по ОСТ 1 6.0.801.397— 87.
Сита с отверстиями 0,2 и 2,5 мм.
Фарфоровая ступка с пестиком по ГОСТ 9147—80.
Фарфоровая чашка по ГОСТ 9147—80.
Фарфоровый тигель по ГОСТ 9147—80.
Технические весы по ГОСТ 24104—8 8.
Эксикатор по ГОСТ 25336—82.
Коническая колба вместимостью 250 мм по ГОСТ 19908—80.
Пипетка вместимостью 20 мл по ГОСТ 20292—74.
Стеклянный стакан вместимостью 100 мл по ГОСТ 19908—80.
Воронка по ГОСТ 19908—80.
Фильтры диаметром 9 см («белая» и «синяя лента») по ГОСТ
12026—76.
Электроплита по ГОСТ 14919—83.
Соляная кислота по ГОСТ 3118—77, концентрированная.
Хлористый барий по ГОСТ 4108—72, 10 %-ный раствор.
Перекись водорода (пергидроль) по ГОСТ 177— 88.
Водный аммиак по ГОСТ 3760—79, 25 %-ный раствор.
Азотнокислое серебро по ГОСТ 1277—75, 1 %-ный раствор.
Метиловый оранжевый.
Дистиллированная вода по ГОСТ 6709—72.
29.3. Подготовка пробы
Для проведения химического анализа пробу заполнителя объемом 2 л измельчают до крупности 2,5 мм и квартованием сокращают до 200 г. Навеску массой 200 г тщательно перемешивают и снова сокращают методом квартования до 40—50 г. Полученную усредненную пробу растирают пестиком в фарфоровой ступке до полного прохождения через сито с отверстиями размером 0,2 мм, высушивают в сушильном электрошкафу при температуре (105 ± 5) °С в течение 4—5 ч и затем охлаждают до комнатной температуры в эксикаторе над безводным хлористым кальцием.
29.4. Проведение испытания
Из подготовленной по п. 8.3 пробы отвешивают навеску массой 5 г, помещают ее в коническую колбу, наливают 50 мл дистиллированной воды (оптимальное соотношение между массой навески и воды равно 1:10), закрывают пробкой, взбалтывают в течение 3 мин и отфильтровывают на сухой складчатый фильтр («белая лента»). Если первые порции фильтрата мутные, то их возвращают на фильтр и фильтруют до образования прозрачного фильтрата. Из полученной вытяжки отбирают пипеткой 10—20 мл в стакан вместимостью 100 мл, прибавляют 5—7 капель аммиака и 1—2 мл перекиси водорода. Раствор нагревают до 60—70 °С и выдерживают при этой температуре в течение 3—5 мин. Затем щелочную среду нейтрализуют несколькими каплями концентрированной соляной кислоты, контролируя по метиловому оранжевому (до розового цвета раствора) и приливают дополнительно 0,5 мл кислоты. Однако следует избегать избытка соляной кислоты, так как растворимость сульфата бария, выпадающего в осадок, в сильнокислой среде значительно увеличивается.
Подкисленный раствор доводят до кипения и, помешивая, осторожно по стенкам приливают 10 мл 10 %-ного кипящего раствора хлористого бария. Кипятят несколько минут и оставляют на 10—12 ч. Осадок сернокислого бария отфильтровывают на плотный фильтр («синяя лента») и промывают горячей водой до удаления ионов хлора (проба с 1 %-ным раствором азотнокислого серебра). Фильтр с осадком помещают в фарфоровый тигель, озоляют и прокаливают в печи при температуре (850 ± 50) °С в течение 40 мин. После охлаждения в эксикаторе тигель с осадком взвешивают. Осадок повторно прокаливают до постоянной массы. Анализ проводят на двух параллельных пробах заполнителя.
29.5. Обработка результатов
Содержание
водорастворимых сернистых и сернокислых соединений
в пересчете на SO3
в процентах
вычисляют по формуле
(47)
где m — масса осадка сульфата бария, г;
0,343 — коэффициент пересчета сульфата бария на SO3 ;
т 1 — масса навески пробы в аликвотной части вытяжки, г.
За результат анализа принимают среднее арифметическое значение результатов двух параллельных определений.
Расхождение между результатами двух определений не должно превышать 0,15 %.
Если расхождение превышает указанное значение, то испытывают новую навеску и из трех результатов выбирают два близких.
30. ОПРЕДЕЛЕНИЕ ПОТЕРИ МАССЫ ПРИ ПРОКАЛИВАНИИ
30.1. Сущность метода
Потерю массы при прокаливании определяют гравиметрическим методом по разности массы тигля с навеской до и после прокаливания.
30.2. Аппаратура
Электропечь с номинальной температурой 1100 °С по ОСТ 1 6.0.801.397— 87.
Эксикатор по ГОСТ 25336—82.
Фарфоровый тигель по ГОСТ 9147—80.
Технические весы по ГОСТ 24104—8 8.
Фарфоровая ступка с пестиком по ГОСТ 9147—80.
Сита с отверстиями 0,16 и 2,5 мм из стандартного набора.
30.3. Подготовка пробы
Из пробы заполнителя, взятого в объеме 2 л и дробленого до крупности 2,5 мм, квартованием отбирают навеску массой около 200 г, которую рассыпают на листе бумаги слоем 4—5 мм, делят на 20 квадратов и из каждого отбирают шпателем около 2 г. Полученную пробу массой 40—50 г растирают в фарфоровой ступке до тонины 0,16 мм, высушивают до постоянной массы в сушильном электрошкафу и делят на две примерно одинаковые навески по 20—25 г.
30.4. Проведение испытания
Подготовленную навеску порошка заполнителя помещают в предварительно прокаленный и взвешенный фарфоровый тигель и взвешивают с погрешностью до 0,1 г вместе с пробой, а затем прокаливают в течение 2 ч в печи при температуре (900 ± 50) °С. После прокаливания тигель охлаждают в эксикаторе и взвешивают. Прокаливание повторяют до достижения постоянной массы.
30.5. Обработка результатов
Потерю массы при прокаливании (П п.п ) в процентах вычисляют по формуле
(48)
где т 1 — масса исходной навески в сухом состоянии, вычисленная по разности масс тигля с пробой и без нее до прокаливания, г;
т 2 — масса прокаленного остатка, вычисленная по разности масс тигля с пробой и без нее по окончании прокаливания, г.
Потерю массы при прокаливании вычисляют как среднее арифметическое значение результатов двух параллельных определений.
31. ОПРЕДЕЛЕНИЕ КОЭФФИЦИЕНТА РАЗМЯГЧЕНИЯ КРУПНОГО ЗАПОЛНИТЕЛЯ
31.1. Сущность метода
Коэффициент размягчения крупного заполнителя определяют по соотношению прочности заполнителя в насыщенном водой состоянии и его прочности в сухом состоянии.
31.2. Аппаратура
Сушильный электрошкаф по ОСТ 1 6.0.801.397— 87.
Весы для статического взвешивания по ГОСТ 23676—79.
Стальной составной цилиндр.
Металлическая линейка по ГОСТ 427—75.
Совок.
Гидравлический пресс с максимальным усилием 50—250 кН (5—25 тс) по ГОСТ 8905—82.
31.3. Подготовка пробы
Пробу крупного заполнителя испытываемой фракции объемом 12 л высушивают до постоянной массы в сушильном электрошкафу и делят на две навески так, чтобы показатели насыпной плотности заполнителя в каждой навеске отличались между собой не более чем на 5 %. Одну из навесок заполнителя насыщают водой в течение 1 ч.
31.4. Крупный заполнитель в сухом и в насыщенном водой состояниях испытывают на прочность по разд. 20.
31.5. Обработка результатов
Коэффициент размягчения (К р ) для крупного заполнителя в долях единицы вычисляют но формуле
(49)
где
—
прочность заполнителя в насыщенном водой состоянии, МПа
(10
кгс/см2
);
— прочность заполнителя в сухом состоянии, МПа (10
кгс/см2
).
32. ОПРЕДЕЛЕНИЕ ВОДОПОТРЕБНОСТИ ПЕСКА
32.1. Сущность метода
Водопотребность песка определяют по разности водоцементных отношений для раствора на пористом песке и для цементного теста при условии их одинаковой подвижности.
32.2. Аппаратура и материалы
Весы для статического взвешивания по ГОСТ 23676—79.
Мерные стеклянные цилиндры вместимостью 100 и 250 мл по ГОСТ 1770—74.
Сферическая чаша и лопатка для приготовления цементного теста по ГОСТ 310.3—76.
Встряхивающий столик и форма-конус по ГОСТ 310.4—81.
Портландцемент по ГОСТ 10178—85.
32.3. Подготовка пробы
Из
высушенной до постоянной массы пробы песка объемом 1
л отбирают навеску, равную 190
г. Среднюю плотность зерен испытываемого песка в цементном тесте
определяют по разд. 7.
32.4. Проведение испытания
Навеску песка смешивают в предварительно увлажненной сферической чаше с навеской цемента, равной 250 г. Затем в центре сухой смеси делают лунку и вливают в нее отмеренную с погрешностью до 1 мл воду в количестве 130—150 мл. Смесь перемешивают в течение 3 мни.
Определяют расплыв конуса на встряхивающем столике. Раствор вновь собирают в чашу и доливают 5—10 мл воды, перемешивают в течение 1 мин и снова определяют расплыв конуса.
Испытания повторяют до тех пор, пока расплыв конуса не станет равным 170 мм или более. Общее количество определений расплыва конуса должно быть не более трех.
Аналогичное испытание проводят на цементном тесте, приготовленном из 700 г цемента и 150—170 мл воды.
32.5. Обработка результатов
По результатам испытаний строят графики зависимости расплыва конуса от водоцементного отношения для раствора (В/Ц)р и цементного теста (В/Ц)т . По этим графикам определяют (В/Ц)р и (В/Ц)т , которым соответствует расплыв конуса 170 мм.
