Проектирование опор под трубопроводы (к СНиП 2.09.03-85), часть 3
где S ан - расчетная сейсмическая нагрузка на анкерную опору (или на соответствующий ее ярус) ; b - длина траверсы , м.

Рис. 25. Распределение интенсивности сейсмической нагрузки при расчете траверс анкерных отдельно стоящих опор
Траверсы и пролетные строения эстакад на сейсмическую нагрузку не рассчитываются.
4.42. Распределение сейсмической нагрузки по поперечному сечению трассы : при расчете колонн и фундаментов отдельно стоящих опор принимается по рис. 26 , при расчете колонн и фундаментов эстакад - по рис. 27.

Рис. 26. Распределение сейсмической нагрузки по поперечному сечению трассы при расчете колонн и фундаментов отдельно стоящих опор

Рис. 27. Распределение сейсмической нагрузки по поперечному сечению трассы при расчете колонн и фундаментов эстакад
При q £ 10 кН/ м а =0 , 65 ; при q =10-30 кН/ м а =0 , 6 ; при q > 30 кН/ м а =0 , 55. Состав нагрузки q указан в п. 4.4.
Горизонтальные нагрузки поперек трассы
4.43. Сейсмическая нагрузка в поперечном направлении определяется для участка трассы длиной L , равного расстоянию между соседними опорами эстакад или отдельно стоящими опорами.
Расчетная сейсмическая нагрузка S принимается приложенной на высоте Н и определяется по формуле (5). Вес Q к определяется как сумма расчетных нагрузок (см. п. 4.36) , действующих на участке длиной l , от веса трубопроводов с изоляцией и транспортируемым продуктом , от веса строительных конструкций (пролетных строений , траверс , площадок) от 1 / 4 веса колонн.
4.44. Период основного тона собственных колебаний Т определяется по формуле (6) , в которой Q к - вес , определяемый по п. 4.43 ; d = d j - перемещение промежуточной опоры эстакады или промежуточной отдельно стоящей опоры на высоте Н 1 от единичной силы , приложенной на высоте Н , определяемое методами строительной механики.
4.45. Между ярусами сейсмическая нагрузка распределяется в соответствии с п. 4.39. Сейсмические нагрузки считаются приложенными в уровне верхних граней траверс. На сейсмические нагрузки рассчитываются все промежуточные и анкерные опоры эстакад и все отдельно стоящие опоры. Пролетные строения эстакад с пролетами менее 24 м на сейсмические нагрузки допускается не рассчитывать.
5. РАСЧЕТ СТРОИТЕЛЬНЫХ КОНСТРУКЦИЙ
5.1. Для расчета строительных конструкций отдельно стоящих опор и эстакад рекомендуется следующая последовательность :
выбор расчетной схемы ;
предварительное назначение размеров конструкций ;
определение нагрузок от собственного веса конструкций (ветровых , снеговых , технологических) ;
статические расчеты конструкций : траверс , пролетных строений , опор ;
составление расчетных комбинаций усилий ;
подбор сечений конструкций , расчет соединений сборных элементов , проверка жесткости и трещиностойкости ;
расчет оснований фундаментов.
5.2. Расчеты строительных конструкций должны производиться в соответствии со СНиП 2.03.01-84 и СНиП II -23-81 с учетом требований настоящего раздела.
5.3. Расчет строительных конструкций отдельно стоящих опор и эстакад следует производить , как расчет плоских конструкций. При необходимости проведения уточненных расчетов и учета дополнительных факторов расчет отдельно стоящих опор и эстакад следует производить как пространственных систем с учетом их совместной работы с трубопроводами.
5.4. При прокладке трубопроводов на эстакаде горизонтальная нагрузка , направленная вдоль оси эстакады , от сил трения в подвижных частях трубопроводов воспринимается пролетным строением и при наличии анкерных опор на промежуточные опоры не передается. Расчет опор эстакад производят на действие разности температур от климатических воздействий , ветровую нагрузку , нагрузку от ответвлений трубопроводов , вертикальную нагрузку от собственного веса конструкций , трубопроводов и снега.
Примечания : 1. При длине железобетонных (комбинированных) конструкций температурных блоков эстакад 48 м и менее и стальных менее 100 м , а также всех типов эстакад с шарнирным опиранием колонн на фундамент воздействие температур от климатических воздействий допускается не учитывать.
2. Для эстакад с железобетонными опорами без анкерных опор к усилиям на опоры от действия разности температур от климатических воздействий должны быть добавлены усилия от горизонтальных технологических нагрузок , приходящиеся на температурный блок.
5.5. Величина горизонтального перемещения верха опор эстакад определяется по формуле
(8)
где D t - расчетное изменение температуры конструкций , определяемое по СНиП 2.01.07-85 , ° С ; a - коэффициент температурного расширения материала конструкции , принимаемый равным : a =10·10-6 °С-1 для железобетонных конструкций и a =12·10-6 °С-1 для стальных конструкций ; у - расстояние от неподвижной точки продольной рамы , не смещающейся при температурных воздействиях , до рассматриваемой опоры эстакады (см. рис. 28).

Рис. 28. Расчетная схема эстакады в продольном направлении
1 - пролетное строение ; 2 - вставка ; 3 - промежуточная опора ; 4 - анкерная промежуточная опора
5.6. Усилия в опорах эстакад рекомендуется определять с учетом неупругих деформаций конструкций (пластических деформаций , наличия трещин , ползучести) , а также с учетом в необходимых случаях деформированного состояния.
5.7. При расчете опор эстакад на действие вертикальной нагрузки допускается принимать жесткость пролетного строения бесконечно большой.
5.8. Расчет анкерных опор эстакад производится на действие вертикальных нагрузок и горизонтальных технологических нагрузок как консольного стержня , защемленного в уровне верха фундамента.
5.9. Стальные и железобетонные конструкции траверс рассчитываются на действие изгибающих моментов и поперечных сил от вертикальных и горизонтальных нагрузок с проверкой сечений на действие крутящих моментов , возникающих вследствие того , что горизонтальные нагрузки вдоль трассы приложены к верхней грани траверсы.
5.10. Балки пролетного строения следует рассчитывать на действие вертикальных и горизонтальных нагрузок по схеме однопролетной балки.
5.11. Пролетное строение эстакад в виде ферм расчленяется на вертикальные фермы пролетного строения и горизонтальные связевые фермы.
Работу каждой из этих систем под нагрузкой допускается принимать независимой.
5.12. Вертикальные фермы пролетного строения следует рассчитывать на действие вертикальных и горизонтальных нагрузок с учетом неравномерности их распределения по поперечному сечению эстакады. Определение усилий в стержнях производится в предположении шарнирного сопряжения стержней в узлах. Траверсы следует располагать в местах узлов ферм.
5.13. Расчет связевых ферм следует производить на действие ветровых нагрузок , нагрузок от поперечных ответвлений и поворотов трубопроводов.
5.14. Определение усилий в плоских или пространственных опорах производят как в стержневых системах по расчетным схемам , показанным на рис. 29 и 30. Подбор сечений колонн опоры производится на внецентренное сжатие.

Рис. 29. Расчетные схемы железобетонных опор
а - опора без связей ; б - опора со связями

Рис. 30. Расчетные схемы стальных многоярусных опор
а - промежуточная опора ; б - анкерная опора
5.15. Расчетную длину колонны промежуточных опор при проверке устойчивости допускается принимать :
в плоскости , перпендикулярной оси трубопроводов , по рис. 31 , а ;
в плоскости оси трубопроводов при наличии анкерной опоры в температурном блоке по рис. 31 , б ;
в плоскости оси трубопровода при отсутствии анкерной опоры в температурном блоке , равной удвоенной высоте колонны от верха фундамента до низа пролетного строения.
Расчетную длину анкерных опор следует принимать равной удвоенной высоте опоры.
Расчетную длину ветви многоригельных опор (см. рис. 30) в плоскости , перпендикулярной оси трубопроводов , следует принимать равной удвоенной высоте опоры от низа защемления ветви до верха опоры. В направлении оси трубопроводов расчетная длина ветви многоригельных опор принимается в зависимости от условий закрепления ее концов (см. рис. 31 , б ).


Рис. 31. Значение коэффициентов для определения расчетных длин l 0 = m l колонн опор
а - в плоскости , перпендикулярной оси трубопроводов ; б - в плоскости оси трубопроводов
5.16. При двухшарнирных отдельно стоящих опорах прокладка одновременно нескольких трубопроводов допускается при условии , что один из трубопроводов максимального диаметра шарнирно связывается со всеми траверсами промежуточных опор и анкерной опорой температурного блока. Расчетные схемы двухшарнирных опор принимаются по рис. 32.


Рис. 32. Расчетные схемы двухшарнирных опор
а - одноярусной ; б - двухъярусной ; 1 - трубопроводы с подвижным опиранием ; 2 - трубопроводы с неподвижным закреплением ; 3 - опора
При наклонах опор D l /h ³ 0 , 03 ( где D l - смещение верха опоры относительно ее низа , h - высота опоры) необходимо дополнительно учитывать горизонтальную составляющую вертикальной нагрузки , возникающую вследствие наклона колонн опор.
5.17. Величины предельных вертикальных и горизонтальных прогибов конструкций отдельно стоящих опор и эстакад устанавливаются технологическими требованиями и не должны превышать 1 / 150 пролета и 1 / 75 вылета консоли.
5.18. Предельные величины деформаций оснований опор устанавливаются технологическими требованиями и не должны превышать следующих величин : относительная разность осадок - 0 , 002 ; крен фундамента - 0 , 002 ; максимальная абсолютная осадка - 15 см.
5.19. Определение размеров подошв отдельных фундаментов допускается производить , принимая величину зоны отрыва , равную 0 , 33 водной площади фундамента.
Наибольшее давление на грунт под краем подошвы не должно превышать давление на грунт при действии изгибающего момента в одном направлении 1 , 2R , а при действии изгибающих моментов в двух направлениях 1 , 5R (где R - расчетное сопротивление грунта). Для фундаментов с прямоугольной подошвой размеры подошвы с учетом отрыва допускается определять исходя из следующих условий: при действии момента в одной плоскости принимают е £ 0,28а ; при действии моментов в двух плоскостях расчет производят на действие момента в каждом направлении, принимают ех £ 0,23а и еy £ 0,23b ; наибольшее давление на грунт s max под подошвой определяют по формуле
(9)
где a - длина фундамента в направлении действия максимального момента;
b - ширина фундамента;
e=M /N; ex =Mx /N; ey =My /N - эксцентриситеты продольной силы;
N - нормативная вертикальная продольная сила по подошве фундамента, включая собственный вес фундамента и грунта на уступах;
Mx и My - изгибающие моменты в плоскостях х и у по подошве фундамента.
5.20. Расчет опор с применением колонн, установленных на односвайные фундаменты из свай-оболочек и буронабивных свай, свай-колонн на совместное действие вертикальных и горизонтальных нагрузок должен включать:
а) определение глубины погружения свай;
б) расчет свай по деформациям, который сводится к проверке соблюдения условия
(10)
где up - расчетная величина горизонтального перемещения верха колонн;
uu - предельная величина горизонтального перемещения верха опоры, устанавливаемая заданием на проектирование и принимаемая не более 1 /75 расстояния от верха колонны до поверхности грунта :
в) расчет устойчивости грунта основания, окружающего сваю;
г) проверку прочности и трещиностойкости свай и колонн.
При проверке прочности расчетную длину свай-колонн следует определять, рассматривая сваю, как жестко защемленную в сечении, расположенном на расстоянии от поверхности грунта, определяемом в соответствии со СНиП 2.02.03-85 «Свайные фундаменты». Расчетную длину колонн, замоноличенных в буронабивные сваи и сваи-оболочки, допускается принимать, рассматривая колонну, как жестко защемленную в уровне поверхности грунта.
5.21. Глубину погружения свай-колонн, свай-оболочек и буронабивных свай в грунт следует определять из условия обеспечения сопротивления на вертикальную сжимающую или растягивающую нагрузки с учетом глубины промерзания, но не менее 4,5 м для свай-колонн и менее 3,5 для буронабивных свай и свай-оболочек. Расчет несущей способности свай всех видов на вертикальную нагрузку производится в соответствии с требованиями СНиП 2.02.03-85.
5.22. Расчет свай-колонн и колонн, замоноличенных в сваю по деформациям основания, включающий в себя определение перемещения сваи на уровне поверхности грунта и перемещения верха колонны от совместного действия вертикальных и горизонтальных нагрузок, а также расчеты по устойчивости грунта основания, окружающего сваю, и определение величин изгибающих моментов, поперечных и продольных сил, действующих в различных сечениях сваи, допускается производить, рассматривая грунт как упругую линейно деформируемую среду (прил. 2).
Примечание. Расчет устойчивости грунта основания, окружающего сваю, не требуется для свай размером поперечного сечения d £ 0,6 м, погруженных в грунт на глубину более 10d , за исключением случаев погружения свай в ил или глинистые грунты текучепластичной и текучей консистенции (здесь d - наружный диаметр круглого или сторона квадратного или большая сторона прямоугольного сечения сваи).
5.23. Расчет прочности и трещиностойкости железобетонных свай-колонн производится на косое внецентренное сжатие или растяжение. При этом предельная ширина раскрытия трещин принимается для надземной части сваи-колонны - 0,3 мм, для подземной части - 0,2 мм.
5.24. Статический расчет рамно-свайных опор допускается производить раздельно в двух плоскостях: в плоскости оси трассы и плоскости, перпендикулярной этой оси. При этом определение усилий допускается производить на основании упругой работы конструкции по недеформированной схеме.
5.25. Расчет опор с крестовыми связями производится в соответствии с расчетной схемой рис. 33 в следующей последовательности:
а) определяются изгибающие моменты МВ и МС в сечениях сопряжения связей с колонной по формулам:
(11)
(12)
(13)
где j 1 и j 2 - коэффициенты, принимаемые по табл. 6 в зависимости от k 1 =h 1 /(h 1 +h 2 );
б) определяется изгибающий момент М 0 в уровне поверхности грунта
(14)
в) определяются горизонтальные перемещения u 0 и угол поворота y 0 сваи-колонны как одиночной сваи без связей в уровне поверхности грунта от действия горизонтальной нагрузки Н /2 и изгибающего момента М 0 , приложенных в уровне поверхности грунта (см. рис. 33, в ) по прил. 2;
г) определяется горизонтальное перемещение верха опоры
(15)
(16)
где h - коэффициент, принимаемый в зависимости от значений k 2 =h 2 /(h 2 + h 3 );
Eb - начальный модуль упругости бетона, кН/м2 ;
I - момент инерции сечения сваи-колонны, м;
д) определяется расчетный изгибающий момент Мz и поперечная сила Q z , действующие на глубине z в сечениях сваи (прил. 2);
е) определяется усилие в раскосах Sp :
(17)
где a - угол наклона раскоса к горизонтали.

Рис. 33. Расчетные схема опоры с применением свай-колонн
а - схема опоры ; б - расчетная схема опоры ; в - расчетная схема сваи при расчете на горизонтальную нагрузку
Таблица 6
|
k 1 |
j 1 |
j 2 |
|
0 |
1 |
1,5 |
|
0,1 |
1,01 |
1,53 |
|
0,2 |
1,05 |
1,61 |
|
0,3 |
1,12 |
1,74 |
|
0,4 |
1,22 |
1,94 |
|
0,5 |
1,38 |
2,25 |
|
0,6 |
1,68 |
2,78 |
|
0,7 |
2,02 |
3,54 |
|
0,8 |
2,85 |
5,19 |
|
0,9 |
5,34 |
10,18 |
Таблица 7
|
k 2 |
0 |
0,1 |
0,2 |
0,3 |
0,4 |
0,5 |
0,6 |
0,7 |
0,8 |
0,9 |
1,0 |
|
h |
2,47 |
2,83 |
3,4 |
4,1 |
5 |
6,26 |
7,99 |
10,39 |
13,58 |
17,24 |
10,19 |
5.26. Расчет опор с применением свайного ростверка производится сначала для верхней части опоры выше ростверка как рамы с закрепленными в уровне верхней поверхности ростверка стойками, затем для нижней части опоры как свайного ростверка.
Ростверк следует считать жестким, когда отношение наибольшей стороны плиты ростверка a к ее толщине t , a /t £ 4. При этом расчет жесткого ростверка сводится к определению величин перемещения и угла его поворота, что позволяет определять усилия, действующие в головах свай, как расчет одиночных свай.
Все нагрузки, действующие на ростверк в рассматриваемой плоскости, следует привести к трем силовым факторам, приложенным к центру тяжести подошвы ростверка (точка О на рис. 34): горизонтальной силе Fh , вертикальной силе F u и моменту Мх .

Рис. 34. Расчетные схема свайного ростверка
5.27. Расчет рамно-свайных опор с применением жесткого ростверка производят в следующей последовательности:
а) определяют по прил. 2 коэффициенты деформации а e и перемещения d НН , d НМ = d МН и d ММ для одиночной сваи;
б) вычисляются характеристики жесткости
(18)
где А - площадь поперечного сечения сваи, м2 ;
Eb - начальный модуль упругости бетона, кН/м2 ;
величина lN
принимается для забивных свай
для буронабивных свай и
свай-оболочек
где l 0 и l , м, - длины свай (см. рис. 34);
Fd - несущая способность сваи по грунту на действие вертикальной нагрузки, кН;
А 0 - площадь поперечного сечения подошвы сваи, м2 ;
С 0 - коэффициент постели под подошвой сваи, кН/м3 , принимается равным:
но
не менее
где K - коэффициент пропорциональности для свай, кН/м4 , определяемый по прил. 2; d 0 - диаметр поперечного сечения подошвы сваи, м;
(19)
где
![]()
![]()
![]()
в) вычисляются горизонтальное перемещение ростверка а , м, вертикальное перемещение центра тяжести ростверка w , м, и угол поворота ростверка i , рад, при симметричной расчетной схеме по формулам:
(20)
где
n - количество свай в ростверке;
ni - количество свай в ряду, который на плоскую расчетную схему ростверка проектируется как одна i -я свая;
yi - координата свай i -го ряда, м;
nr - количество рядов свай в направлении действия Fh и Мх .
Определяются усилия, приложенные к головам свай:
(21)
где Ni , H, M - соответственно продольная сила, кН, поперечная сила (кН) и изгибающий момент кН·м, действующие в i -той свае в месте заделки голов сваи в плите ростверка.
По найденным по прил. 2 Ni , H, M вычисляется: давление на грунт по контакту с боковой поверхностью сваи, изгибающий момент, продольная и поперечная силы для любого сечения сваи
г) определяется горизонтальное перемещение uh верха рамно-свайной опоры по формуле
(22)
где uf - горизонтальное перемещение верхней части опоры, находящейся выше ростверка и определяемое так же, как для рамы с защемленными в ростверк стойками;
lf - расстояние от верха опоры до верха ростверка.
ПРИЛОЖЕНИЕ 1
ПРИМЕРЫ РАСЧЕТА ОТДЕЛЬНО СТОЯЩИХ ОПОР И ЭСТАКАД
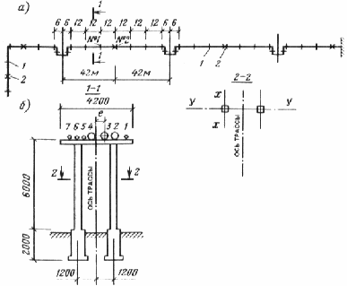
Пример 1. Рассчитать отдельно стоящую промежуточную железобетонную опору (рис. 1, опора № 1) на технологические трубопроводы. Характеристика трубопроводов приведена в табл. 1. Подвижные опорные части трубопроводов - стальные , скользящего типа. Вес снегового покрова р 0 =1000 Па. Нормативная ветровая нагрузка qn =230 Па.
Коэффициент надежности по назначение g n =1 *.

Рис. 1. К примеру расчета отдельно стоящих опор
а - схема трубопроводной трассы ; б - раскладка трубопроводов на опоре ; 1 - опора с подвижным опиранием трубопроводов ; 2 - опора с неподвижным опиранием трубопроводов
Таблица 1
|
№ |
Наименование |
Наружный |
Привязка трубы |
Нормативная нагрузка от собственного веса , кН/ м |
||
|
трубопровода |
трубопровода , температура продукта , ° С |
диаметр труб , мм |
к оси трассы , мм |
трубопровода с изоляцией |
продукта |
воды при гидравлическом испытании |
|
1 |
Продуктопровод - 70 |
159 |
2160 |
0,4 |
0,08 |
0,18 |
|
2 |
Продуктопровод - 18 |
529 |
1570 |
2,2 |
0,05 |
2,08 |
|
3 |
Продуктопровод - 37 |
529 |
700 |
2,2 |
0,05 |
2,08 |
|
4 |
Продуктопровод - 50 |
529 |
-170 |
2,2 |
0,05 |
2,08 |
|
5 |
Подающий трубопровод водяной тепловой сети - 150 |
273 |
-820 |
1 |
0,55 |
0,55 |
|
6 |
Обратный трубопровод водяной тепловой сети - 70 |
273 |
-1390 |
1 |
0,55 |
0,55 |
|
7 |
Продуктопровод - 63 |
219 |
-1930 |
0,8 |
0,32 |
0,35 |
РЕШЕНИЕ
НАГРУЗКИ
Нормативная снеговая нагрузка на трубопроводы учитывается только для трубопроводов с температурой ниже +30 ° С (трубопроводы № 2 , 3 , 4) рn =р 0 с =1000·0 , 2=200 Па , где с =0 , 2 принимается для трубопроводов при диаметре трубопровода d £ 600 мм.
Расчетная снеговая нагрузка на 1 м длины траверсы рс =рс n · g 1 ·L =1·0 , 2·1 , 4·12=3 , 4 кН/ м , где L - шаг опор.
Высота ветровой полосы , учитываемая в расчете , принимается равной диаметру наибольшего трубопровода d =0 , 53 м. Расчетная сосредоточенная ветровая нагрузка от трубопроводов на одну колонну опоры рн = =qn g 1 dL ·0 , 5=0 , 23·1 , 4·0 , 53·12·0 , 5=1 кН , где g 1 =1 , 4 - коэффициент надежности по нагрузке ; 0 , 5 - коэффициент распределения нагрузки между колоннами опоры.
Вертикальная расчетная нагрузка от собственного веса трубопроводов с продуктом на опорную часть трубопровода : Р 1 =(0 , 4 + 0 , 08)1 , 1·12=6 кН ; Р 2 =Р 3 =Р 4 =(2 , 2 + 0 , 05)1 , 1·12=30 кН ; Р 5 =Р 6 =(1 + 0 , 55)1 , 1·12=20 кН ; Р 7 =(0 , 8 +0 , 32)1 , 1·12=15 кН , где 1 , 1 - коэффициент надежности по нагрузке.
Вертикальная расчетная нагрузка на опорную часть трубопроводов при гидравлическом испытании : Р 1 =(0 , 4·1 , 1 + 0 , 18)12=7 , 4 кН ; Р 2 =Р 3 =Р 4 = =(2 , 2·1 , 1 + 2 , 08)·12=54 кН ; Р 7 =(0 , 8·1 , 1 + 0 , 35)·12=14 , 8 кН.
Горизонтальная расчетная нагрузка на опорную часть от сил трения трубопроводов при коэффициенте трения в скользящих опорных частях «сталь по стали» , равном 0 , 3 : Р х1 =6·0 , 3=2 кН ; Р х2 =Р х3 =Р х4 =30·0 , 3=9 кН ; Р х5 =Р х6 =21·0 , 3=6 кН ; Р х7 =15·0 , 3=5 кН.
Принимаем траверсу типовой конструкции сечением 250 ´ 500 мм , длиной 4 , 2 и весом 13 кН.
Расчетная нагрузка от собственного веса траверсы g =13·1 , 1/ 4 , 2=3 , 4 кН/ м.
Расчет траверсы
Расчетная схема и схема приложения расчетных вертикальных нагрузок показаны на рис. 2, а .

Рис. 2. К расчету траверсы на вертикальные нагрузки
а, б, в - схемы вертикальной нагрузки ; г - эпюра изгибающих моментов
Схему загружения одним трубопроводом во время гидравлических испытаний не учитываем, так как в данном случае это приводит к меньшим усилиям в конструкции.
Определяем изгибающие моменты от вертикальной нагрузки для двух схем загружения: пролета и консолей. Загружение пролета траверсы (рис. 2, б ). Опорные реакции: RA =(21·2,02 + 30·1,37 + 30·0,5 + 3,4·3,3·1,65-3,4·0,9·0,45 + 3,4·1,64·0,82)/2,4=50 кН; RB =(21·0,38 +30·1,03 + 30·1,9 + 3,4·1,64·1,58 + 3,4·3,3·1,65-3,4·0,9·0,45)/2,4=51 кН.
Изгибающий момент в месте опирания трубопровода № 4 (схема на рис. 2, б ) М=50·1,03-21·0,65-3,4·1,932 /-3,4·0,272 /2=31,5кН·м
Изгибающий момент в месте опоры от вертикальной нагрузки на правой консоли (рис. 2, в ) M =-3,4·0,642 /2-3,4·0,92 /2-6·0,8-30·0,37=18 кН·м.
Опорные реакции при загружении по схеме рис. 2, а : -RA ·2,4 + 15·3,13 + 21·2,59 + 21·2,02 + 30·1,37 + 30·0,5-30·0,37-6·0,8 + 3·4·3,3·1,65-3,4·0,9·0,45 + 3,4·1,64·0,82-3,4·0,64·0,32=0; RA =85 кН; -RB ·2,4 + 21·0,38 +30·1,03 + 30·1,9 +30·2,77 + 6·3,2 + 3,4·2,28·2,06 + 3,4·3,3·1,65-3,4·0,9·0,45-15·0,73-21·0,19=0; RB =90 кН.
Максимальная поперечная сила Q =90-3,4·0,9-3,4·0,64-6-30= 49 кН.
Определяем усилия от расчетных горизонтальных технологических нагрузок при различных схемах загружения.

Рис. 3. К расчету траверсы на горизонтальные нагрузки
Для схемы загружения по рис. 3, а .
Опорная реакция RA =(9·0,5 + 9·1,37)/2,4=7 кН.
Максимальный пролетный изгибающий момент Mx =7·1,03=7,2 кН·м.
Максимальная поперечная сила Qx =RA =7 кН.
Для схемы загружения по рис. 3, б .
Максимальный изгибающий момент на опоре Mx =0,37 + 2·0,8=4,9 кН·м.
Опорная реакция RB =(9·2,77 + 2·3,2)/2,4=13 кН.
Максимальная поперечная сила Qx = 9 + 2=11 кН.
Для схемы загружения по рис. 3, в -RA ·2,4 + 0,5·5·3,13 + 0,5·6·2,59 + 0,5·6·2,02 + 0,5·9·1,37 + 0,5·9·0,5-0,5·9·0,37-0,5·2·0,8=0; RA =11,5 кН.
Максимальный изгибающий момент в пролете Mx =11,5·1,03-0,5·5·1,76-0,5·6·1,22-0,5·6·0,65=1,8 кН·м.
Максимальная поперечная сила Qx = 11,5-1-4,5=6 кН.
Максимальный крутящий момент (схема загружения, рис. 3, б ) при высоте сечения траверсы 500 мм T =0,5(2 + 9)/2=2,8 кН·м.
На действие максимальных изгибающих моментов M =31,5 кН·м и Mx = =7,2 кН·м производится расчет продольной арматуры 4 диаметром 12 АIII на косой изгиб.
На совместное действие максимальных поперечных сил на опоре Q =49 кН и Q =51 кН производится расчет траверсы по наклонному сечению с проверкой на действие крутящего момента T =2,8 кН·м и поперечной силы Q =49 кН. На действие изгибающего момента от вертикальных нагрузок М =31,5/1,1=28,6 кН·м (коэффициент надежности по нагрузке g f =1,1) производится расчет траверсы по деформациям и раскрытию трещин. Армирование траверсы показано на рис. 4, а .

Рис. 4. К расчету траверсы
а - армирование траверсы ; б - крепление траверсы к колонне
Расчет крепления траверсы к колонне
Двусторонний сварной угловой шов крепления траверсы к колонне опоры рассчитывается на совместное действие изгибающего момента М = 13·0,5=6,5 кН·м и горизонтальных сил Ру =1 кН и N =RB =13 кН (рис. 4, б ) на срез по металлу шва и металлу границы сплавления.
Расчет колонны опоры
Расчетная схема колонны показана на рис. 5, а . Колонна сечением 400 ´ 400 мм выполнена из бетона класса В15. Начальный модуль упругости бетона Eb =25500 МПа. Момент инерции сечения относительно оси у I = (40·403 )/12=213300 см4 . Высота колонны l =550 см. Жесткость опоры на изгиб в направлении оси х (горизонтальная сила, приложенная к верху колонны и вызывающая его смещение на 1 см). В=2·3Eb I /l3 =2·3·2550·213300/5503 =20<600 кН/см, т.е. расчет горизонтальной силы от технологической нагрузки трубопроводов следует производить с учетом коэффициентов неодновременности h по табл. 4. По табл. 4 при шести трубопроводах (трубопроводы тепловой сети № 5, 6 учитываются как один трубопровод) коэффициент h =0,2.

Рис. 5. К расчету колонны опоры
Расчетная горизонтальная длительно действующая нагрузка, передающаяся с траверсы на наиболее нагруженную колонну, Рх = h S Рxi =0,2(2 + 9 + 9 + 9 + 6 +5)=9,2 кН.
Расчетная кратковременно действующая (ветровая) горизонтальная нагрузка Ру =1 кН. Расчетная вертикальная длительно действующая нагрузка (при подсчете снеговая нагрузка Р ввиду малости учтена как длительно действующая)
P=RB =90 кН.
Максимальный изгибающий момент от длительно действующей расчетной нагрузки по оси х в месте заделки колонны в фундамент Мх =9,2·5,5= =51 кН·м.
Максимальный изгибающий момент от кратковременной нагрузки в месте заделки колонны Му =1(5,5 + 0,5)=6 кН·м.
Расчетная продольная сила с учетом собственного веса колонны в месте ее заделки N =90 + 1,1·0,4· 0 ,4·5,5·25=114 кН.
Расчетные поперечные силы Qx =Px =9 ,2 кН ; Qy =Py =1 кН
Расчетные длины колонны относительно осей х и у l 0у = l 0х =2l =2·5,5=11 м.
Армирование колонны показано на рис. 5, б . По действующим усилиям Му =5 кН·м, Мх =51 кН·м и N =114 кН на косое внецентренное сжатие производится проверка несущей способности колонны.
Расчет фундамента
Расчетные нагрузки на уровне подколонника фундамента (рис. 6) Мх = 51 кН·м; Qx =9,2 кН; Му =6 кН·м; Qy =1 кН; N =114 кН.

Рис. 6. К расчету фундамента
Расчетные нагрузки в уровне низа подошвы фундамента: Мх =51 +9,2·2 =69,4 кН·м; Му =6 + 1·2=8 кН·м; N =114 + 60=174 кН, где 60 кН - вес фундамента с грунтом на его обрезах.
Расчет основания под фундаментом производится при коэффициенте надежности по нагрузке g f =1 и коэффициенте надежности по назначению g n =1. Нагрузки в уровне низа подошвы фундамента Mx n =69,4/1,1·1=63 кН·м; My n =8/1,1·1=7 кН·м; Nn =174/1,1·1=158 кН.
Принимаем размеры подошвы фундамента b ´ a =1,5 ´ 2,1 м. Площадь подошвы F =1,5·2,1=3,15 м2 .
Расчетное сопротивление грунта основания R =0,2 МПа.
Моменты сопротивления для крайнего волокна относительно осей х и у ; Wy =1,5·2,12 /6=1,1 м3 ; Wх =2,1·1,52 /6=0,8 м3 .
Напряжения по подошве фундамента s n =158/3,15=50 кН/м2 <R =200 кН/м2 ; s n max =158/3,15 + 63/1,1 + 7/0,8=116 кН/м2 <1,5R =1,5·200=300 кН/м2 ; s n min =158/3,15-63/1,1-7/0,8=-16 кН/м2 <0, т.е. расчет напряжений по подошве фундамента следует производить с учетом отрыва подошвы.
Эксцентриситеты ех =Mx n /Nn =63/158=0,4<0,23a =0,23·2,1=0,48 м; еy =My n / / Nn =7/158=0,04<0,23b =0,23·1,5=0,34 м.
Наибольшее давление на грунт под подошвой s n =4Nn /3b (a -2e max )=4·158/3·1,5(2,1-2·0,4)=108<1,2R =1,2·200=240 кН/ м2 , т.е. размеры подошвы фундамента являются достаточными.
Наибольшее давление на грунт под подошвой от расчетных нагрузок s = s n · 1,15=108·1,15=124 кН/ м2 , s 1 = s - s a 1 /0,8a =124-124·0,6/1,68=80 кН/ м2 .
Изгибающие моменты на всю ширину подошвы фундамента для сечений 1 и 2 от расчетной нагрузки М 1 =( s + s 1 )а 2 1 b /4=(124+80)0,62 ·1,5/4=27 кН· м ; М 2 = s ·0 , 8ab 2 1 /4=124·0,8·1,68·0,32 /4=4 кН·м.
Изгибающие моменты и продольные силы от расчетной нагрузки для сечений 3 и 4 M 3x =51 + 9,2·1,7=67 кН·м ; M 3y =6 + 1·1,7=8 кН·м ; N 3 =114 + 1,7·0,9·0,9·24·1,1=150 кН ; М 4х =51 + 9,2·1,05=61 кН·м ; М 4у = 6 + 1·1,05= 7 кН·м ; N 4 =114 + 1, 05·0,9·0,9·24·1,1=1 36 кН.
На действие изгибающих М 1 =27 кН·м и М 2 =4 кН·м производится расчет продольной арматуры в сечениях 1 и 2 фундамента. На действие максимальная момента в уровне подошвы фундамента Мх =69 , 4 кН·м и продольной силы N 3 =150 кН производится проверка нижней ступени фундамента на продавливание подколонником.
